Запчасти Case 9020B (8-006) - RESERVOIR TO PUMP SUCTION LINE (08) - HYDRAULICS

Схема запчастей Case 9020B - (8-006) - RESERVOIR TO PUMP SUCTION LINE (08) - HYDRAULICS
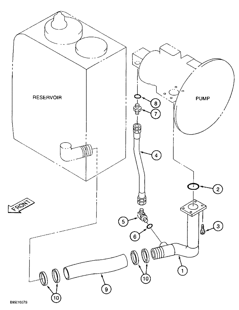
8
4
1
2
7
9
6
10
10
5
3
FIT
1:1
100%

Артикул

Название

Примечание

Количество

1

163101A1

TUBE,60.5 mm OD

- reservoir-to-pump line, pump end

1шт.

2

154679A1

O-RING

- tube

1шт.

3

862-12035

HEX SOC SCREW,M12 x 35mm, Cl 12.9

SCREW - hex socket, 12 - 1.75 x 35 mm, class 12.9

4шт.

4

163497A1

HYDRAULIC HOSE,19.00 mm ID x 330.00 mm

- Recirculating 19.00 mm ID x 330.00 mm

1шт.

5

157580A1

ELBOW,90 Degree, 3/4" O-Ring x 3/4"

- special, 90 degree, Includes: Ref. 6

1шт.

6

154503A1

O-RING

- elbow

1шт.

7

151654A1

HYD CONNECTOR,3/4" NPT O-Ring x 3/4" NPT

ADAPTER - straight, Includes: Ref. 8

1шт.

8

154503A1

O-RING

- adapter

1шт.

9

160669A1

HYDRAULIC HOSE

- 350 mm (13-3/4 inch) long, Reservoir-to-pump line,Reservoir end

1шт.

10

152796A1

COLLAR

CLAMP - adjustable

4шт.

Выбрано товаров: 10