Запчасти Case 9030 (2-02) - ENGINE MOUNTING, RADIATOR AND ADAPTING PARTS, PRIOR TO P.I.N. DAC0300005 (02) - ENGINE

Схема запчастей Case 9030 - (2-02) - ENGINE MOUNTING, RADIATOR AND ADAPTING PARTS, PRIOR TO P.I.N. DAC0300005 (02) - ENGINE
FIT
1:1
100%

Артикул

Название

Примечание

Количество

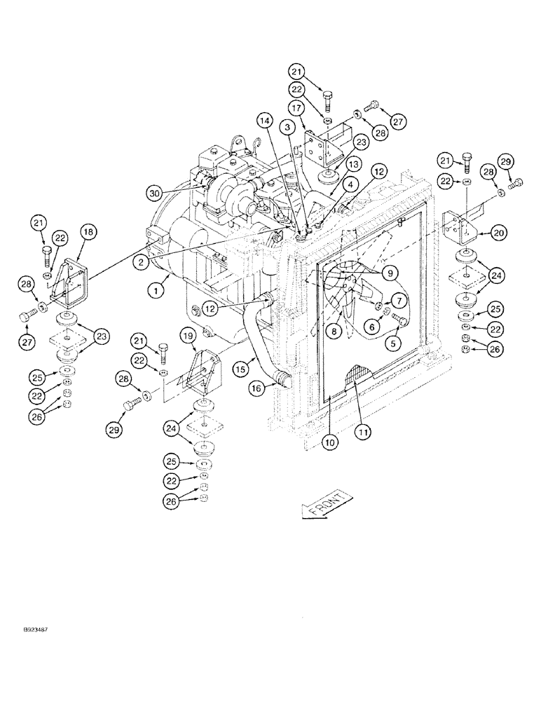
1

1989158C1

ENGINE ASSEMBLY

ENGINE ASSY ENGINE ASSEMBLY - excavator, parts list Figures 2-12 - 2-44 and 3-8 - 3-14

1шт.

1

1989189C1R

REMAN-REPLACEMENT EN

Remanufactured, For N.A. Only

1шт.

1

6T-590C

CORE-REPLACEMENT ENG

Return Number, Complete, For N.A. Only

1шт.

2

1546461C1

SWITCH

SWITCH - oil pressure, 10 PSI

1шт.

3

1983238C1

SENSOR,1/2" - 14

SENDER - engine water temperature, includes nut, should read Switch.

1шт.

4

153493A1

BUSHING

BUSHING - reducer

1шт.

Should be 150974A1 Sender - eng.water temp.

1шт.

5

150174A1

SPECIAL BOLT,Hex, M8 x 115mm

BOLT - hex, special, fan mounting

4шт.

6

892-11008

LOCK WASHER,8mm ID

WASHER, LOCK, M8

4шт.

7

895-11008

WASHER,9mm ID x 16mm OD x 1.6mm Thk

WASHER, M8 x 16 x 1.6

4шт.

8

1998751C1

FAN

FAN - engine cooling

1шт.

9

A184548

SPACER,Fan, 89/90mm Thk

SPACER - fan

1шт.

152236A1

RADIATOR

RADIATOR ASSEMBLY - engine and transmission oil cooling, parts list Figure 2-10, Includes: Ref. 10 and 11

1шт.

10

151704A1

GUARD ASSY.

GUARD - fan

1шт.

11

152243A1

SUPPORT

CORE - radiator

1шт.

12

153055A1

CLAMP

CLAMP - radiator hose

2шт.

13

152248A1

RADIATOR HOSE,45mm ID, 60mm ID x 290mm L

Radiator to Top of Engine

1шт.

14

153051A1

COLLAR

CLAMP - radiator hose

1шт.

15

152252A1

RADIATOR HOSE,50.00 mm ID, 58.00 mm ID x 316.00 mm

Lower

1шт.

16

153054A1

SPECIAL CLAMP

CLAMP - radiator hose, lower

1шт.

17

152208A1

ENGINE MOUNT

BRACKET - engine mounting, right hand rear

1шт.

18

152214A1

ENGINE MOUNT

BRACKET - engine mounting, right hand front

1шт.

19

152205A1

ENGINE MOUNT

BRACKET - engine mounting, left hand front

1шт.

20

152202A1

ENGINE MOUNT

BRACKET - engine mounting, left hand rear

1шт.

21

156566A1

SEALING WASHER

BOLT - hex, special, engine mounting, Serial Range: bracket-frame

4шт.

22

150814A1

WASHER,17mm ID x 32mm OD x 4.5mm Thk

WASHER - flat, special

8шт.

23

151078A1

INSULATOR

INSULATOR - rubber, engine mounting, at pump end

4шт.

24

150927A1

INSULATOR

INSULATOR - rubber, engine mounting, at radiator end

4шт.

25

150815A1

WASHER

WASHER - special

4шт.

26

829-1416

NUT,M16, Cl 10

NUT, M16, Cl 10

8шт.

27

627-12035

BOLT,Hex, M12 x 1.75 x 35mm, Cl 10.9, Full Thd

BOLT - hex, 12 - 1.75 x 35 mm, class 10.9

8шт.

28

150811A1

WASHER

WASHER - flat, 12 mm

14шт.

29

627-12030

BOLT,Hex, M12 x 1.75 x 30mm, Cl 10.9, Full Thd

BOLT - hex, 12 - 1.75 x 30 mm, class 10.9

6шт.

30

152391A1

SPECIAL CLAMP

CLAMP - special, at turbocharger

1шт.

Выбрано товаров: 34