Запчасти Case 9030 (8-14) - 153584A1 EQUIPMENT PUMP, PUMP DRIVE (08) - HYDRAULICS

Схема запчастей Case 9030 - (8-14) - 153584A1 EQUIPMENT PUMP, PUMP DRIVE (08) - HYDRAULICS
FIT
1:1
100%

Артикул

Название

Примечание

Количество

153584A1

PUMP

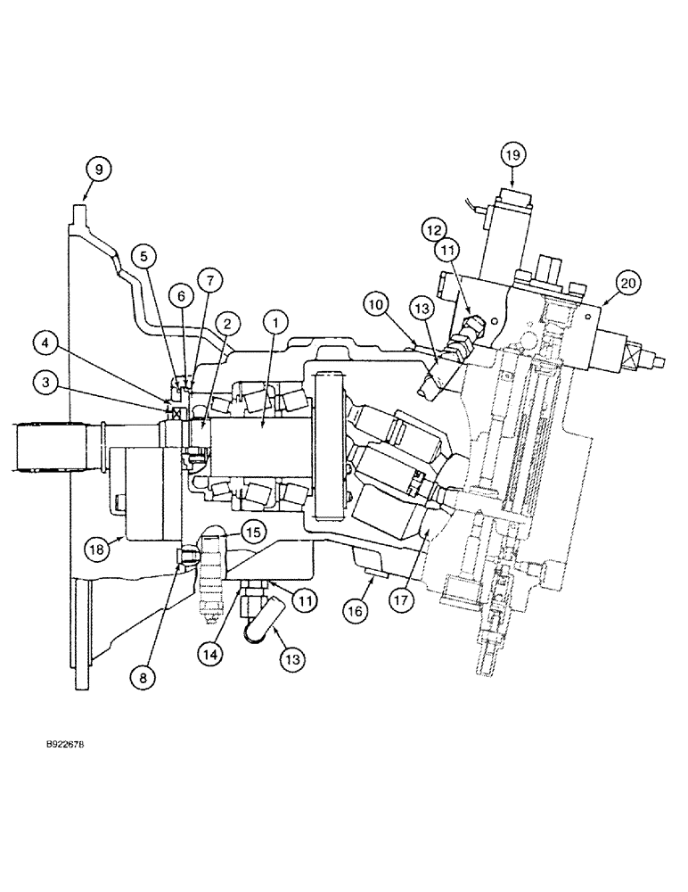
ASSEMBLY - equipment, parts list Figures 8-14 - 8-22, Includes: Ref. 1 - 20

1шт.

1

156608A1

ASSEMBLY

ROTARY ASSEMBLY - idler side, includes shaft, nut, 2 bearings, spacer, shims, 7 pistons, 7 rings, cylinder block, control plate, spring seat, 4 springs, center pin, 14 set screws and separation plate, Includes: Ref. 3 - 7

1шт.

2

156609A1

ASSEMBLY

ROTARY ASSEMBLY - drive side, includes shaft, nut, 2 bearings, spacer, shims, 7 pistons, 7 rings, cylinder block, control plate, spring seat, 4 springs, centering pin, 14 set screws, separation plate and Includes: Ref. 3 - 7 below

1шт.

3

156610A1

OIL SEAL

SEAL - oil, shaft, 156609A1 rotary assembly only

1шт.

Part of Equipment Pump Seal Kit P/N 156637A1

1шт.

4

156611A1

CASE

COVER - oil seal, 156609A1 rotary assembly only

1шт.

5

800-21110

SNAP RING,M110, Int

RING - retaining, internal, 110 mm, 156609A1 rotary assembly

1шт.

6

156612A1

O-RING

- oil seal cover, 156609A1 rotary assembly only

1шт.

Part of Equipment Pump Seal Kit P/N 156637A1

1шт.

7

NSS

NOT SOLD SEPARAT

SHIM - cover, 156609A1 rotary assembly only

1шт.

8

153871A1

PLUG

- port

1шт.

9

NSS

NOT SOLD SEPARAT

HOUSING - pump

1шт.

10

156613A1

PLUG

- port

1шт.

11

154475A1

O-RING

- fitting

2шт.

Part of Equipment Pump Seal Kit P/N 156637A1

1шт.

12

156614A1

ELBOW

- 45 degree

1шт.

13

156615A1

HOSE

- pilot valve

1шт.

14

156616A1

NIPPLE, LUBE

CONNECTOR - straight, hydraulic

1шт.

15

156623A1

FILTER

- relief valve

1шт.

16

153869A1

PLUG

- port

1шт.

17

156622A1

PACKAGE

GASKET - control assembly

1шт.

18

156625A1

PUMP

ASSEMBLY - pilot gear, parts list Figure 8-18

1шт.

19

156628A1

VALVE, PRESSURE RELI

VALVE ASSEMBLY - pressure reducing, parts list Figure 8-18

1шт.

20

REF

INSTRUCTION

CONTROL ASSEMBLY - pump, parts list Figures 8-20 and 8-22

1шт.

156637A1

SEAL KIT

- seal, equipment pump, Includes: Ref. 3, 6 and 11, see Figures 8-14 - 8-22 for complete kit.

1шт.

Выбрано товаров: 25