Запчасти Case 9030 (8-18) - 153584A1 EQUIPMENT PUMP, PRESSURE REDUCING & RELIEF VALVES & PILOT GEAR PUMP (08) - HYDRAULICS

Схема запчастей Case 9030 - (8-18) - 153584A1 EQUIPMENT PUMP, PRESSURE REDUCING & RELIEF VALVES & PILOT GEAR PUMP (08) - HYDRAULICS
FIT
1:1
100%

Артикул

Название

Примечание

Количество

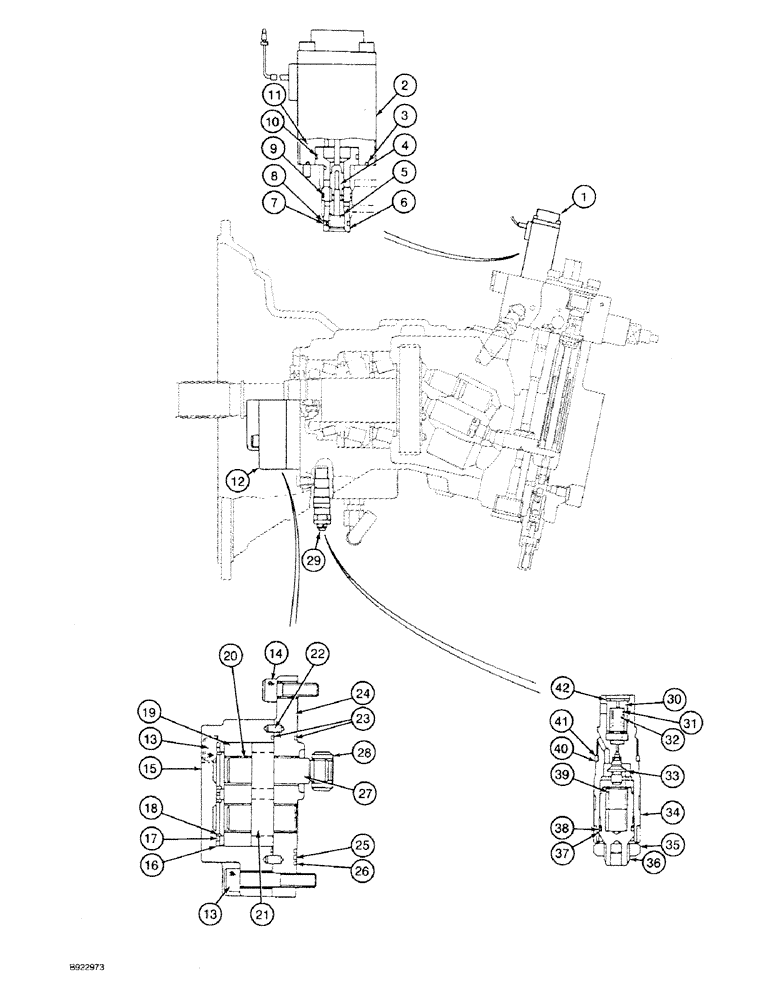
1

156628A1

VALVE, PRESSURE RELI

VALVE ASSEMBLY - pressure reducing, Includes: Ref. 1 - 11

1шт.

2

NSS

NOT SOLD SEPARAT

SOLENOID - pressure reducing valve

1шт.

3

155188A1

O-RING

- seal, solenoid to regulator cover

1шт.

Part of Equipment Pump Seal Kit P/N 156637A1

1шт.

4

NSS

NOT SOLD SEPARAT

PISTON - valve

1шт.

5

NSS

NOT SOLD SEPARAT

SPRING - piston return

1шт.

6

NSS

NOT SOLD SEPARAT

RING - retaining

1шт.

7

NSS

NOT SOLD SEPARAT

RING - backup

1шт.

8

155185A1

O-RING

- seal, inner

1шт.

Part of Equipment Pump Seal Kit P/N 156637A1

1шт.

9

155203A1

O-RING

- seal, center

1шт.

Part of Equipment Pump Seal Kit P/N 156637A1

1шт.

10

155187A1

O-RING

- seal, outer stem

1шт.

Part of Equipment Pump Seal Kit P/N 156637A1

1шт.

11

NSS

NOT SOLD SEPARAT

BODY - valve

1шт.

12

156625A1

PUMP

ASSEMBLY - pilot gear, Includes: Ref. 13 - 27

1шт.

13

861-10050

HEX SOC SCREW,M10 x 50mm, Cl 12.9

BOLT - hex socket, 10 - 1.25 x 50 mm, class 12.9, pilot gear pump

5шт.

14

861-10030

HEX SOC SCREW,M10 x 30mm, Cl 12.9

SCREW - socket head, 10 - 1.5 x 30 mm, class 12.9, Pilot gear pump

1шт.

15

NSS

NOT SOLD SEPARAT

BODY - pump, pilot gear

1шт.

16

NSS

NOT SOLD SEPARAT

PLATE - wear, pilot gear pump

1шт.

16

NSS

NOT SOLD SEPARAT

PLATE - wear, pilot gear pump

1шт.

16

NSS

NOT SOLD SEPARAT

PLATE - wear, pilot gear pump

1шт.

17

159381A1

SEAL

- wear plate, pilot gear pump

2шт.

18

NSS

NOT SOLD SEPARAT

RETAINER - seal, pilot gear pump

2шт.

19

NSS

NOT SOLD SEPARAT

PLATE - shaft guide, pilot gear pump

1шт.

20

NSS

NOT SOLD SEPARAT

BUSHING - thin wall, pilot gear pump

4шт.

21

NSS

NOT SOLD SEPARAT

GEAR - driven, pilot gear pump

1шт.

22

NSS

NOT SOLD SEPARAT

PIN - dowel, pilot gear pump

2шт.

23

156626A1

O-RING

- seal, pilot gear

2шт.

Part of Equipment Pump Seal Kit P/N 156637A1

1шт.

24

NSS

NOT SOLD SEPARAT

PLATE - mounting, pilot gear pump

1шт.

25

154489A1

O-RING

- seal, pilot gear

2шт.

Part of Equipment Pump Seal Kit P/N 156637A1

1шт.

26

154469A1

O-RING

- seal, pilot gear

2шт.

Part of Equipment Pump Seal Kit P/N 156637A1

1шт.

27

NSS

NOT SOLD SEPARAT

GEAR - drive, pilot gear

1шт.

28

156627A1

COVER

COUPLING - pilot gear pump

1шт.

29

157410A1

VALVE, PRESSURE RELI

VALVE ASSEMBLY - relief, Includes: Ref. 30 - 42

1шт.

30

NSS

NOT SOLD SEPARAT

SPOOL - valve, relief, assembly

1шт.

31

NSS

NOT SOLD SEPARAT

SPRING - outer, relief valve assembly

1шт.

32

NSS

NOT SOLD SEPARAT

SPRING - inner, relief valve assembly

1шт.

33

NSS

NOT SOLD SEPARAT

POPPET - relief, valve assembly

1шт.

34

NSS

NOT SOLD SEPARAT

BODY - relief valve assembly

1шт.

35

NSS

NOT SOLD SEPARAT

NUT - adjusting, relief valve assembly

1шт.

36

NSS

NOT SOLD SEPARAT

SCREW - adjusting, relief valve assembly

1шт.

37

NSS

NOT SOLD SEPARAT

RING - backup, relief valve assembly

1шт.

38

NSS

NOT SOLD SEPARAT

O-RING - seal, relief valve assembly

1шт.

39

NSS

NOT SOLD SEPARAT

SPRING - relief, valve assembly

1шт.

40

156630A1

BACK-UP RING

RING - backup, relief valve assembly

1шт.

Part of Equipment Pump Seal Kit P/N 156637A1

1шт.

41

156631A1

O-RING

- seal, relief, valve assembly

1шт.

Part of Equipment Pump Seal Kit P/N 156637A1

1шт.

42

NSS

NOT SOLD SEPARAT

RING - retaining, spool, relief valve assembly

1шт.

156637A1

SEAL KIT

- seal, equipment pump, Includes: Ref. 3, 8-10, 23, 25, 26, 40 and 41, see Figures 8-14 - 8-22 for complete kit., relief valve assembly

1шт.

Выбрано товаров: 54