Запчасти Case 9030 (8-24) - HYDRAULIC CONTROL CIRCUIT, CONTROLLERS TO MAIN CONTROL VALVE (08) - HYDRAULICS

Схема запчастей Case 9030 - (8-24) - HYDRAULIC CONTROL CIRCUIT, CONTROLLERS TO MAIN CONTROL VALVE (08) - HYDRAULICS
FIT
1:1
100%

Артикул

Название

Примечание

Количество

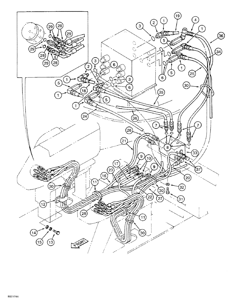
1

152749A1

ADAPTER

ELBOW - hydraulic, 90 degree

7шт.

2

153412A1

SOCKET

BUSHING - reducer, Includes: Ref. 3

3шт.

3

154467A1

O-RING,10.8mm ID x 2.4mm Width

- reducer bushing, was 150960A1

1шт.

4

152748A1

ADAPTER

- straight

1шт.

5

153497A1

SOCKET

BUSHING - reducer, Includes: Ref. 6

5шт.

6

154467A1

O-RING,10.8mm ID x 2.4mm Width

- reducer bushing, was 150960A1

1шт.

7

152128A1

HYD CONNECTOR,3/8" NPT O-Ring x 3/8" NPT

ADAPTER - straight, hydraulic, Includes: Ref. 8

4шт.

8

154475A1

O-RING

- adapter

1шт.

9

153495A1

ADAPTER

ELBOW - 90 degree, hydraulic

2шт.

10

153597A1

ADAPTER

- straight, hydraulic

2шт.

11

152531A1

GROMMET

- rubber

2шт.

12

152762A1

CLAMP

- hose

1шт.

13

627-10020

BOLT,Hex, M10 x 1.5 x 20mm, Cl 10.9, Full Thd

- hex, 10 - 1.5 x 20 mm, class 10.9

1шт.

14

895-11010

WASHER,11mm ID x 20mm OD x 2mm Thk

- flat, 11 x 21 x 2 mm

1шт.

15

892-11010

LOCK WASHER,M10

1шт.

153551A1

KIT

- hose, right hand controller, Includes: Ref. 16 - 21

1шт.

16

152958A1

HOSE

- right end of manifold to right hand controller

1шт.

17

153549A1

HOSE

- front of manifold to right hand controller

1шт.

18

152985A1

HOSE

- front of control valve to right hand controller

1шт.

19

152986A1

HOSE

- rear of control valve to right hand controller

1шт.

20

152960A1

HOSE

- left end of cushion valve to right hand controller

1шт.

21

153533A1

HOSE

- right end of cushion valve to right hand controller

1шт.

153552A1

KIT

- hose, left hand controller, Includes: Ref. 22 - 27

1шт.

22

150385A1

HYDRAULIC HOSE

HOSE - left end of manifold to left hand controller

1шт.

23

153550A1

HOSE

- front of manifold to left hand controller

1шт.

24

153509A1

HOSE

- front of control valve to left hand controller

1шт.

25

153510A1

HOSE

- rear of control valve to left hand controller

1шт.

26

152964A1

HOSE

- right end of cushion valve to left hand controller

1шт.

27

152962A1

HOSE

- left end of cushion valve to left hand controller

1шт.

28

152747A1

ADAPTER

- straight, hydraulic, Includes: Ref. 29

12шт.

29

154467A1

O-RING,10.8mm ID x 2.4mm Width

- adapter, was 150960A1

1шт.

30

150071A1

MOUNTING CLIP

STRAP - tie

1шт.

31

628-10025

BOLT,Hex, M10 x 1.5 x 25mm, Cl 10.9, Full Thd

2шт.

32

150732A1

WASHER

- special

2шт.

33

153567A1

VALVE, CUSHION

VALVE ASSEMBLY - cushion, parts list Figure 8-44

1шт.

153531A1

KIT

- hose, control valve to top rear ports of cushion valve, Includes: Ref. 34 and 35

1шт.

34

152751A1

HOSE,95.00 mm ID x 1000.00 mm

- Rear of control valve to cushion valve 95.00 mm ID x 1000.00 mm

1шт.

35

152781A1

HOSE

- front of control valve to cushion valve

1шт.

153532A1

KIT

- hose, control valve to top front ports of cushion valve, Includes: Ref. 36

1шт.

36

152751A1

HOSE,95.00 mm ID x 1000.00 mm

- Control valve to cushion valve 95.00 mm ID x 1000.00 mm

2шт.

37

153526A1

ELBOW

- 90 degree, hydraulic

2шт.

Выбрано товаров: 41