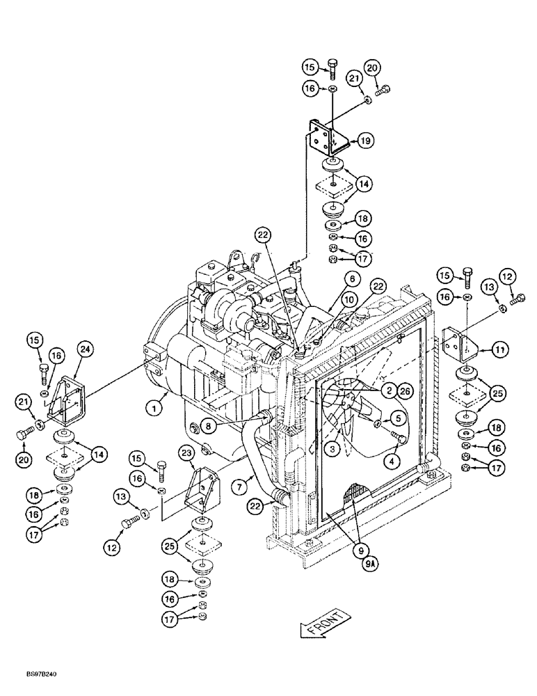
Запчасти Case 9030B (2-02) - ENGINE MOUNTING, RADIATOR AND ADAPTING PARTS (02) - ENGINE

Схема запчастей Case 9030B - (2-02) - ENGINE MOUNTING, RADIATOR AND ADAPTING PARTS (02) - ENGINE
13
2
25
19
21
16
15
4
17
18
20
3
17
26
14
16
9
25
7
12
18
18
1
16
21
12
14
8
6
16
11
18
15
17
16
22
16
22
15
20
13
15
5
10
24
16
22
23
16
17
9a
FIT
1:1
100%

Артикул

Название

Примечание

Количество

1

REF

INSTRUCTION

ENGINE ASSEMBLY - see Figures 2-16 thru 2-86 for correct assembly and components

1шт.

2

A184548

SPACER,Fan, 89/90mm Thk

- fan, 90 mm long

1шт.

3

1998751C1

FAN

- engine cooling

1шт.

4

827-10120

BOLT,Hex, M10 x 1.5 x 120mm, Cl 10.9

- hex, 10-1.5 x 120 mm, class 10.9

4шт.

5

150409A1

WASHER

- flat, special, 10.5 x 21 x 3.2 mm

4шт.

6

164159A1

RADIATOR HOSE,49.00 mm ID, 44.00 mm ID x 272.50 mm

Inlet, Upper, Replaces 159786A1 49.00 mm ID, 44.00 mm ID x 272.50 mm

1шт.

7

164160A1

RADIATOR HOSE,49.00 mm ID, 59.00 mm ID x 420.70 mm

Outlet, Lower, Replaces159787A1 49.00 mm ID, 59.00 mm ID x 420.70 mm

1шт.

8

152796A1

COLLAR

CLAMP - adjustable, radiator outlet hose, replaces 150893A1, clamp

1шт.

9

159783A1

RADIATOR

ASSEMBLY, water and hydraulic oil cooling, see Figure 2-12, Serial Range: -DAC03#2001

1шт.

9a

164901A1

RADIATOR

ASSEMBLY, water and hydraulic oil cooling, see Figure 2-14, Start Serial: DAC03#2001

1шт.

10

153493A1

BUSHING

- reducer

1шт.

11

159778A1

ENGINE MOUNT

BRACKET - engine mounting, left-hand front

1шт.

12

627-12030

BOLT,Hex, M12 x 1.75 x 30mm, Cl 10.9, Full Thd

- hex, full threads, 12-1.75 x 30 mm, class 10.9

6шт.

13

150811A1

WASHER

- flat, special, 12 mm

6шт.

14

159781A1

GROMMET

ISOLATOR - rubber, engine mounting, right-hand mounting

4шт.

15

827-16140

BOLT,Hex, M16 x 2 x 140mm, Cl 10.9

- hex, 16 - 2.0 x 140 mm, class 10.9

4шт.

16

150814A1

WASHER,17mm ID x 32mm OD x 4.5mm Thk

- flat, special

8шт.

17

829-1416

NUT,M16, Cl 10

- hex, 16 mm-2.0, class 10

8шт.

18

150815A1

WASHER

- special, isolator

4шт.

19

159780A1

ENGINE MOUNT

BRACKET - engine mounting, right-hand rear

1шт.

20

627-12035

BOLT,Hex, M12 x 1.75 x 35mm, Cl 10.9, Full Thd

- hex, full threads, 12-1.75 x 35 mm, class 10.9

8шт.

21

150811A1

WASHER

- flat, special, 12 mm

8шт.

22

157287A1

COLLAR

CLAMP - adjustable, radiator hoses, replaces 150890A1, clamp

3шт.

23

159777A1

ENGINE MOUNT

BRACKET - engine mounting, right-hand front

1шт.

24

159779A1

ENGINE MOUNT

BRACKET - engine mounting, left-hand rear

1шт.

25

159782A1

GROMMET

ISOLATOR - rubber, engine mounting, left-hand mounting

4шт.

26

A189284

PULLEY,151mm OD

- air conditioner compressor drive, behind the fan spacer

1шт.

Выбрано товаров: 27