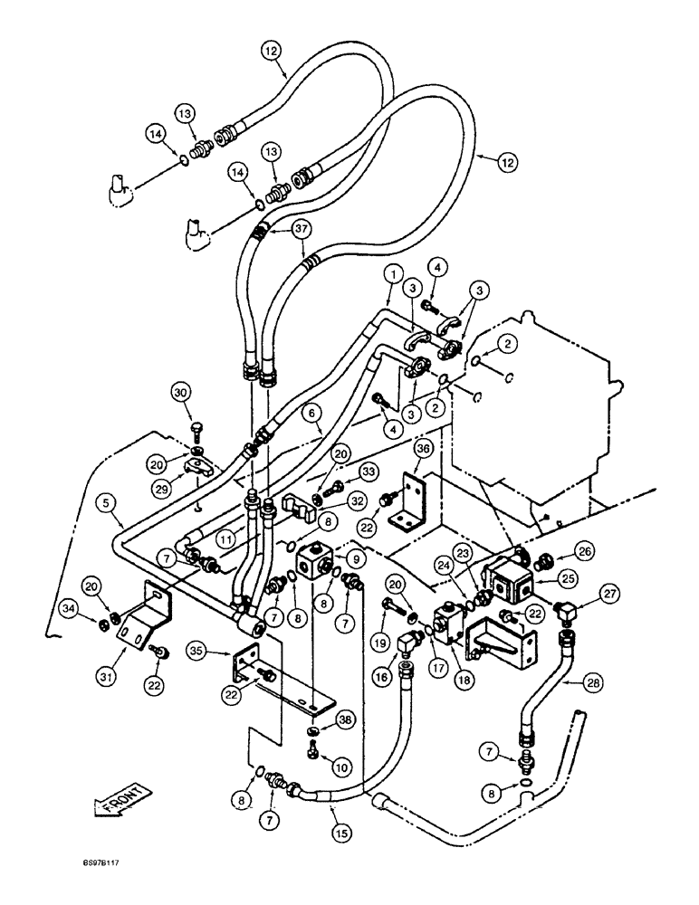
Запчасти Case 9030B (8-090) - DOUBLE ACTION AUX EQUIP OPTION,CONTROL VALVE TO CYLNDR/RELIEF CIRCTS,STD MODELS PRIOR TO DAC0301369 (08) - HYDRAULICS

Схема запчастей Case 9030B - (8-090) - DOUBLE ACTION AUX EQUIP OPTION,CONTROL VALVE TO CYLNDR/RELIEF CIRCTS,STD MODELS PRIOR TO DAC0301369 (08) - HYDRAULICS
13
34
8
37
26
13
11
7
1
7
22
4
4
3
22
22
15
17
20
19
14
23
2
30
14
8
33
7
28
22
5
27
20
32
31
3
9
16
20
24
8
7
8
3
7
20
18
36
25
35
10
8
12
2
12
6
38
29
FIT
1:1
100%

Артикул

Название

Примечание

Количество

1

159730A1

HYDRAULIC HOSE,19 mm ID x 580 mm L

- 19.00 mm ID x 580.00 mm

1шт.

2

161097A1

O-RING

- flange

2шт.

3

153458A1

FLANGE

- split

4шт.

4

862-10030

HEX SOC SCREW,M10 x 30mm, Cl 12.9

SCREW - hex socket, 10-1.5 x 30 mm, class 12.9

8шт.

5

159720A1

HYD TUBE,20.8 mm ID, 27.2 mm OD

TUBE - hydraulic

1шт.

6

159732A1

HYDRAULIC HOSE,19.00 mm ID x 900.00 mm

19.00 mm ID x 900.00 mm

1шт.

7

151654A1

HYD CONNECTOR,3/4" NPT O-Ring x 3/4" NPT

ADAPTER - straight, Includes: Ref. 8

5шт.

8

154503A1

O-RING

- adapter

1шт.

9

159748A1

VALVE

- selector

1шт.

10

627-10020

BOLT,Hex, M10 x 1.5 x 20mm, Cl 10.9, Full Thd

- hex, full threads, 10 - 1.5 x 20 mm, class 10.9

2шт.

11

159721A1

HYD TUBE,20.8 mm ID, 27.2 mm OD

TUBE - hydraulic

1шт.

12

159731A1

HYDRAULIC HOSE,25.40 mm ID x 2000.00 mm

- 25.40 mm ID x 2000.00 mm

2шт.

13

151655A1

HYD CONNECTOR,1" NPT O-Ring x 1" NPT

ADAPTER - straight, Includes: Ref. 14

2шт.

14

154523A1

O-RING

- adapter

2шт.

15

159724A1

HYDRAULIC HOSE,19.00 mm ID x 660.00 mm

19.00 mm ID x 660.00 mm

1шт.

16

159372A1

ELBOW

- 90 degree, special, Includes: Ref. 17

1шт.

17

154503A1

O-RING

- elbow

1шт.

18

159485A1

VALVE

- selector

1шт.

19

827-12070

BOLT,Hex, M12 x 1.75 x 70mm, Cl 10.9

- hex, 12 - 1.75 x 70 mm, class 10.9

2шт.

20

150811A1

WASHER

- flat, special, 12 mm

5шт.

21

159723A1

BRACKET

- mounting

1шт.

22

152718A1

BOLT,Spcl, Hex Wshr, M12 x 25mm, Cl 10.9

- special

6шт.

23

157685A1

HYD CONNECTOR

ADAPTER - straight, special, Includes: Ref. 24

1шт.

24

154503A1

O-RING

- adapter

1шт.

25

159490A1

VALVE

- relief

1шт.

26

151002A1

PLUG

- pipe

1шт.

27

153622A1

ADAPTER

ELBOW - 90 degree, special

1шт.

28

159747A1

HYDRAULIC HOSE,19.00 mm ID x 400.00 mm

19.00 mm ID x 400.00 mm

1шт.

29

151486A1

CLAMP BRACKET

CLAMP - tube

1шт.

30

827-12060

BOLT,Hex, M12 x 1.75 x 60mm, Cl 10.9

- hex, 12-1.75 x 60 mm, class 10.9

1шт.

31

162837A1

BRACKET

- mounting

1шт.

32

152085A1

COLLAR

CLAMP - tube

1шт.

33

827-12065

BOLT,Hex, M12 x 1.75 x 65mm, Cl 10.9

- hex, 12 - 1.75 x 65 mm, class 10.9

1шт.

34

829-1412

NUT,M12, Cl 10.9

- hex, 12 mm-1.75, class 10

3шт.

35

159722A1

BRACKET

- mounting

1шт.

36

159716A1

BRACKET

- mounting

1шт.

37

159498A1

GUARD

- hose

2шт.

38

150409A1

WASHER

- flat, special, 10.5 x 21 x 3.2 mm

2шт.

Выбрано товаров: 38