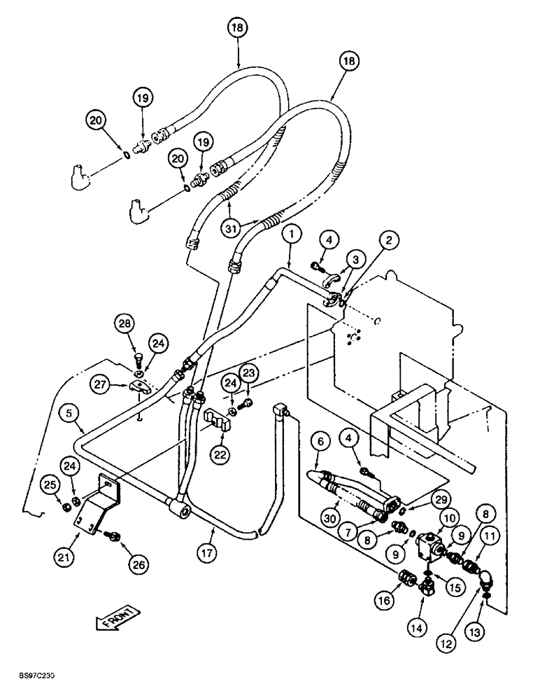
Запчасти Case 9030B (8-096) - DOUBLE ACTION AUX EQUIP OPTION,CONTROL VALVE TO CYLNDR/SLCTR VLVE CRCTS,STD MOD PIN DAC0301369 & AFT (08) - HYDRAULICS

Схема запчастей Case 9030B - (8-096) - DOUBLE ACTION AUX EQUIP OPTION,CONTROL VALVE TO CYLNDR/SLCTR VLVE CRCTS,STD MOD PIN DAC0301369 & AFT (08) - HYDRAULICS
2
12
22
23
24
17
20
4
14
1
19
3
16
26
19
31
18
15
11
10
7
27
9
5
18
8
13
24
20
28
25
24
21
9
29
8
4
30
6
FIT
1:1
100%

Артикул

Название

Примечание

Количество

1

162203A1

HYDRAULIC HOSE,19.00 mm ID x 560.00 mm

19.00 mm ID x 560.00 mm

1шт.

2

155210A1

O-RING

- seal

1шт.

3

153458A1

FLANGE

- split

2шт.

4

862-10030

HEX SOC SCREW,M10 x 30mm, Cl 12.9

SCREW - hex socket, 10-1.5 x 30 mm, class 12.9

8шт.

5

162204A1

HYD TUBE,20.8 mm ID, 27.2 mm OD

TUBE - hydraulic

1шт.

6

165346A1

HYD TUBE

TUBE - hydraulic

1шт.

7

165353A1

HYDRAULIC HOSE,19.00 mm ID x 560.00 mm

19.00 mm ID x 560.00 mm

1шт.

8

151654A1

HYD CONNECTOR,3/4" NPT O-Ring x 3/4" NPT

ADAPTER - straight, Includes: Ref. 9

2шт.

9

154503A1

O-RING

- adapter

1шт.

10

159748A1

VALVE

- selector

1шт.

11

153638A1

ADAPTER

- straight, special

1шт.

12

163458A1

ELBOW

- 90 degree, Includes: Ref. 13

1шт.

13

154503A1

O-RING

- elbow

1шт.

14

157580A1

ELBOW,90 Degree, 3/4" O-Ring x 3/4"

- special, 90 degree, Includes: Ref. 15

1шт.

15

154503A1

O-RING

- elbow

1шт.

16

163457A1

ADAPTER

- straight, adjustable

1шт.

17

163456A1

HYD TUBE,20.8 mm ID, 27.2 mm OD

TUBE - hydraulic

1шт.

18

165354A1

HYDRAULIC HOSE,25.40 mm ID x 1850.00 mm

25.40 mm ID x 1850.00 mm

2шт.

19

151655A1

HYD CONNECTOR,1" NPT O-Ring x 1" NPT

ADAPTER - straight, Includes: Ref. 20

2шт.

20

154523A1

O-RING

- adapter

2шт.

21

162837A1

BRACKET

- mounting

1шт.

22

152085A1

COLLAR

CLAMP - tube

1шт.

23

827-12065

BOLT,Hex, M12 x 1.75 x 65mm, Cl 10.9

- hex, 12 - 1.75 x 65 mm, class 10.9

1шт.

24

150811A1

WASHER

- flat, special, 12 mm

2шт.

25

829-1412

NUT,M12, Cl 10.9

- hex, 12 mm-1.75, class 10

1шт.

26

152718A1

BOLT,Spcl, Hex Wshr, M12 x 25mm, Cl 10.9

- special

1шт.

27

151486A1

CLAMP BRACKET

CLAMP - tube

2шт.

28

827-12060

BOLT,Hex, M12 x 1.75 x 60mm, Cl 10.9

- hex, 12-1.75 x 60 mm, class 10.9

2шт.

29

154528A1

O-RING

- tube

1шт.

30

165329A1

HOSE PROTECTION

GUARD - hose

1шт.

31

159498A1

GUARD

- hose

2шт.

Выбрано товаров: 31