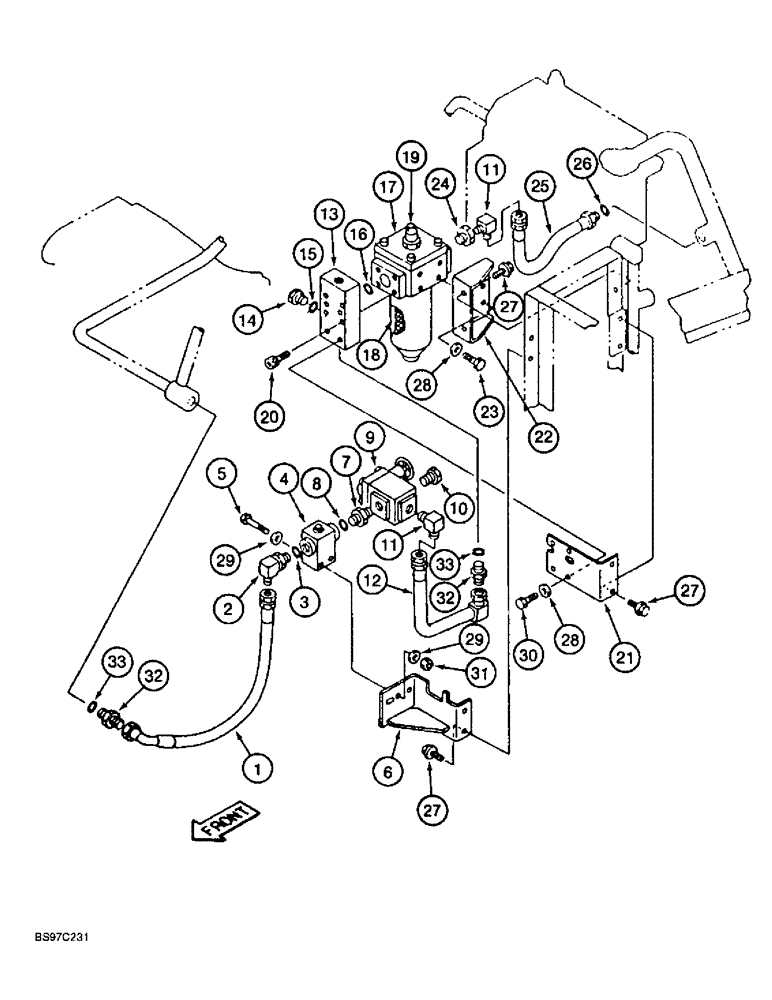
Запчасти Case 9030B (8-098) - DOUBLE ACTION AUX EQUIPMENT OPTION, FILTER/RELIEF VAVLE CIRCUITS, STD MODELS PIN DAC0301369 & AFTER (08) - HYDRAULICS

Схема запчастей Case 9030B - (8-098) - DOUBLE ACTION AUX EQUIPMENT OPTION, FILTER/RELIEF VAVLE CIRCUITS, STD MODELS PIN DAC0301369 & AFTER (08) - HYDRAULICS
14
27
33
19
29
10
15
8
12
30
5
16
16
27
20
11
23
32
1
11
27
25
7
29
9
13
17
28
2
21
6
32
4
26
3
31
24
22
33
28
FIT
1:1
100%

Артикул

Название

Примечание

Количество

1

159724A1

HYDRAULIC HOSE,19.00 mm ID x 660.00 mm

19.00 mm ID x 660.00 mm

1шт.

2

159372A1

ELBOW

- 90 degree, special, Includes: Ref. 3

1шт.

3

154503A1

O-RING

- elbow

1шт.

4

159485A1

VALVE

- selector

2шт.

5

827-12075

BOLT,Hex, M12 x 1.75 x 75mm, Cl 10.9

- hex, 12-1.75 x 75 mm, class 10.9

4шт.

6

165351A1

BRACKET

- hydraulic line support

1шт.

7

157685A1

HYD CONNECTOR

ADAPTER - straight, special, Includes: Ref. 8

1шт.

8

154503A1

O-RING

- adapter

1шт.

9

159490A1

VALVE

- relief

1шт.

10

151002A1

PLUG

- pipe

1шт.

11

153622A1

ADAPTER

ELBOW - 90 degree, special

2шт.

12

165347A1

TUBE ASSY.,27.2 mm OD

TUBE - manifold to stop valve

1шт.

13

165349A1

MANIFOLD

- hydraulic

1шт.

14

152924A1

PLUG

- port, Includes: Ref. 15

2шт.

15

154503A1

O-RING

- plug

2шт.

16

154623A1

O-RING

-, Serial Range: manifold-filter

1шт.

17

159704A1

FILTER ASSY

FILTER ASSEMBLY - line, Includes: Ref. 18 and 19

1шт.

18

159705A1

HYDRAULIC OIL FILTER

ELEMENT - filter

1шт.

19

159706A1

INDICATOR

GAUGE - special indicator

1шт.

20

862-10070

HEX SOC SCREW,M10 x 70mm, Cl 12.9

BOLT - hex socket, 10-1.5 x 70 mm, class 12.9

4шт.

21

162234A1

BRACKET

- manifold mounting

1шт.

22

165350A1

BRACKET

- filter mounting

1шт.

23

627-10020

BOLT,Hex, M10 x 1.5 x 20mm, Cl 10.9, Full Thd

- hex, full threads, 10 - 1.5 x 20 mm, class 10.9

4шт.

24

157506A1

BUSHING

- special

1шт.

25

165352A1

HYDRAULIC HOSE,19.00 mm ID x 430.00 mm

- Includes Ref. 26 19.00 mm ID x 430.00 mm

1шт.

26

154503A1

O-RING

- hose

1шт.

27

152718A1

BOLT,Spcl, Hex Wshr, M12 x 25mm, Cl 10.9

- special

4шт.

28

150409A1

WASHER

- flat, special, 10.5 x 21 x 3.2 mm

8шт.

29

150811A1

WASHER

- flat, special, 12 mm

4шт.

30

627-10025

BOLT,Hex, M10 x 1.5 x 25mm, Cl 10.9, Full Thd

- hex, full threads, 10 - 1.5 x 25 mm, class 10.9

4шт.

31

829-1412

NUT,M12, Cl 10.9

- hex, 12 mm-1.75, class 10

2шт.

32

151654A1

HYD CONNECTOR,3/4" NPT O-Ring x 3/4" NPT

ADAPTER - straight, Includes: Ref. 33

2шт.

33

154503A1

O-RING

- adapter

1шт.

Выбрано товаров: 33