Запчасти Case 9030B (8-164) - BOOM CYLINDERS, MODELS WITHOUT LOAD HOLD OPTION (08) - HYDRAULICS

Схема запчастей Case 9030B - (8-164) - BOOM CYLINDERS, MODELS WITHOUT LOAD HOLD OPTION (08) - HYDRAULICS
FIT
1:1
100%

Артикул

Название

Примечание

Количество

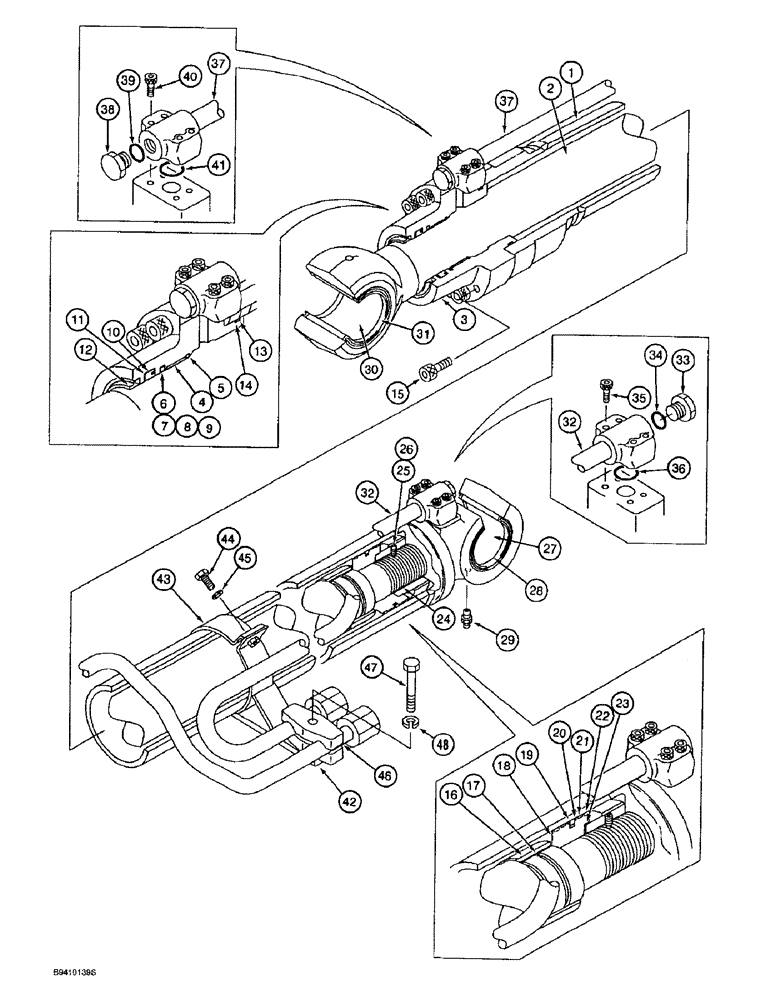
160470A1

CYLINDER ASSY.

CYLINDER ASSEMBLY - 125 (4-15/16) ID x 1259 mm (49-9/16 inch) stroke, boom, right-hand, Includes: Ref. 1 - 48

1шт.

160471A1

CYLINDER ASSY.

CYLINDER ASSEMBLY - 125 (4-15/16) ID x 1259 mm (49-9/16 inch) stroke, boom, left-hand, Includes: Ref. 1 - 48

1шт.

1

NSS

NOT SOLD SEPARAT

TUBE ASSEMBLY - cylinder

1шт.

2

NSS

NOT SOLD SEPARAT

ROD ASSEMBLY - cylinder

1шт.

3

160562A1

CYLINDER END CAP

GLAND - cylinder

1шт.

4

155419A1

BUSHING

- gland

1шт.

5

155697A1

RING, SNAP

RING - retaining

1шт.

6

160553A1

SEALING RING

RING - buffer, kit, replaces Ref. 10 - 12

1шт.

7

160523A1

RING

RING - slide (replaced by 160553A1)

1шт.

8

160513A1

BACK-UP RING

RING - backup (replaced by 160553A1)

1шт.

9

160527A1

RING

RING - square (replaced by 160553A1)

1шт.

10

155131A1

RING

SEAL - U-cup

1шт.

11

155232A1

BACK-UP RING

RING - backup

1шт.

12

158147A1

WIPER SEAL

WIPER - piston rod

1шт.

13

154761A1

O-RING,119.4mm ID x 3.1mm Width

SEAL - gland to tube

1шт.

14

155240A1

BACK-UP RING

RING - backup

1шт.

15

863-16070

HEX SOC SCREW,M16 x 70mm, Cl 12.9

SCREW, Hex Soc Hd, M16 x 70, 12.9

12шт.

16

160549A1

RING

- cushion

1шт.

17

155158A1

SEAL

SEAL - cushion ring

1шт.

18

160570A1

PISTON

- cylinder

1шт.

19

155311A1

SEALING RING

SEAL - piston

1шт.

20

160509A1

BACK-UP RING

RING - backup

2шт.

21

155325A1

SEALING RING

RING - wear

2шт.

22

155306A1

SEALING RING

RING - wear

2шт.

23

155737A1

SHIM

WASHER - flat, special

1шт.

24

156233A1

NUT

- special

1шт.

25

156223A1

SET SCREW

SCREW - set

1шт.

26

155977A1

BALL

- steel

1шт.

27

160532A1

BUSHING

- mounting pin, cylinder end

1шт.

28

155144A1

BACK-UP RING

WIPER - pin, cylinder end

2шт.

29

153630A1

LUBE NIPPLE

FITTING - grease, straight

1шт.

30

160533A1

BUSHING

- mounting pin, rod end

1шт.

31

160484A1

WIPER SEAL

WIPER - pin, rod end, was 160499A1

2шт.

32

160537A1

HYD TUBE

TUBE ASSEMBLY - hydraulic, cylinder end, right-hand, Includes: Ref. 33 and 34

1шт.

32

160539A1

HYD TUBE

TUBE ASSEMBLY - hydraulic, cylinder end, left-hand, Includes: Ref. 33 and 34

1шт.

33

152924A1

PLUG

- tube assembly sealing

1шт.

34

154503A1

O-RING

- plug

1шт.

35

861-10050

HEX SOC SCREW,M10 x 50mm, Cl 12.9

BOLT - hex socket, 10-1.5 x 50 mm, class 12.9

4шт.

36

154528A1

O-RING

- tube assembly

1шт.

37

160538A1

HYD TUBE

TUBE ASSEMBLY - hydraulic, rod end, right-hand, Includes: Ref. 38 and 39

1шт.

37

160540A1

HYD TUBE

TUBE ASSEMBLY - hydraulic, rod end, left-hand, Includes: Ref. 38 and 39

1шт.

38

152924A1

PLUG

- tube assembly sealing

1шт.

39

154503A1

O-RING

- plug

1шт.

40

861-10050

HEX SOC SCREW,M10 x 50mm, Cl 12.9

BOLT - hex socket, 10-1.5 x 50 mm, class 12.9

4шт.

41

154528A1

O-RING

- tube assembly

1шт.

42

160481A1

CLAMP BRACKET

CLAMP - band

1шт.

43

156373A1

CLAMP

- band

1шт.

44

158131A1

BOLT,High Strength, M10 x 1.5 x 35mm, Cl 10.9

BOLT - hex, special

2шт.

45

156227A1

WASHER

- lock, special

2шт.

46

155701A1

COLLAR

CLAMP - tube

2шт.

47

153910A1

BOLT,High Strength, Hex, M14 x 80mm

BOLT - hex, special

1шт.

48

892-11014

LOCK WASHER,14.5mm ID x 24.1mm OD x 4.5mm Thk

WASHER - lock, 14 mm

1шт.

160577A1

SEAL KIT

KIT - seal replacement, contains Ref. 6 -14, 17, and 19 - 23, in the quantities specified

1шт.

160578A1

SEAL KIT

KIT - gland replacement, contains Ref. 3 - 5, in the quantities specified

1шт.

160583A1

JACK BODY

KIT - tube replacement, contains Ref. 1 and 27, in the quantities specified

1шт.

160584A1

SET OF PARTS

KIT - rod replacement, contains Ref. 2 and 30, in the quantities specified

1шт.

Выбрано товаров: 56