Запчасти Case 9030B (8-168) - BOOM CYLINDERS, MODELS WITH LOAD HOLD OPTION (08) - HYDRAULICS

Схема запчастей Case 9030B - (8-168) - BOOM CYLINDERS, MODELS WITH LOAD HOLD OPTION (08) - HYDRAULICS
FIT
1:1
100%

Артикул

Название

Примечание

Количество

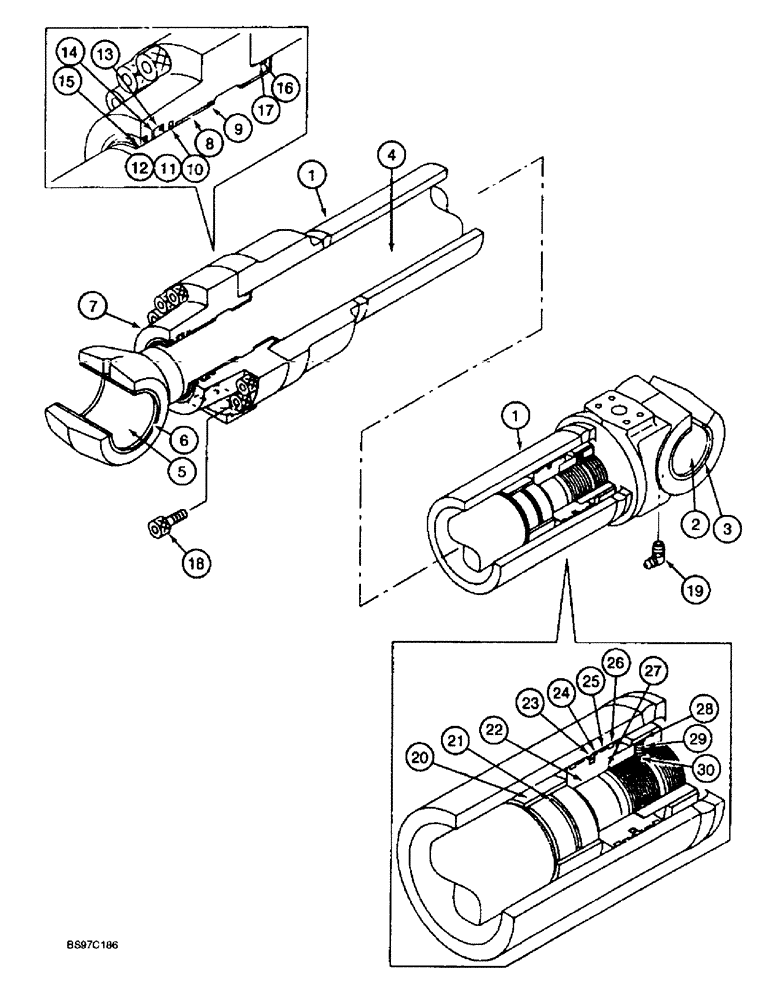
162803A1

CYLINDER ASSY.

CYLINDER ASSEMBLY - 125 (4-15/16) ID x 1259 mm (49-9/16 inch) stroke, boom, Includes: Ref. 1 - 30

2шт.

160583A1

JACK BODY

KIT - tube replacement, Includes: Ref. 1 and 2

1шт.

164183A1

SEAL KIT

KIT - seal replacement, Includes: Ref. 10 - 17, 21, 23 - 27

1шт.

1

NSS

NOT SOLD SEPARAT

TUBE - cylinder

1шт.

2

160532A1

BUSHING

- mounting pin, cylinder tube

1шт.

3

155144A1

BACK-UP RING

WIPER - pin, at cylinder tube

2шт.

160584A1

SET OF PARTS

KIT - rod replacement, Includes: Ref. 4 and 5

1шт.

4

NSS

NOT SOLD SEPARAT

ROD - cylinder

1шт.

5

160533A1

BUSHING

- mounting pin, cylinder rod

1шт.

6

160484A1

WIPER SEAL

WIPER - pin, at cylinder rod eye

2шт.

164184A1

SET OF PARTS

KIT - gland replacement, Includes: Ref. 7 - 9

1шт.

7

NSS

NOT SOLD SEPARAT

GLAND - cylinder

1шт.

8

155419A1

BUSHING

- gland

1шт.

9

155697A1

RING, SNAP

RING - retaining

1шт.

160553A1

SEALING RING

RING - buffer, kit, containing Ref. 10 - 12

1шт.

Part of seal replacement KIT, P/N 164183A1

1шт.

10

160523A1

RING

RING - slide (replaced by 160553A1)

1шт.

10

160553A1

SEALING RING

RING - buffer, kit, replaces Ref. 10 - 12

1шт.

11

160513A1

BACK-UP RING

RING - backup (replaced by 160553A1)

1шт.

12

160527A1

RING

RING - square (replaced by 160553A1)

1шт.

13

155131A1

RING

SEAL - U-cup

1шт.

Part of seal replacement KIT, P/N 164183A1

1шт.

14

155232A1

BACK-UP RING

RING - backup

1шт.

Part of seal replacement KIT, P/N 164183A1

1шт.

15

164182A1

WIPER SEAL

WIPER - piston rod

1шт.

Part of seal replacement KIT, P/N 164183A1

1шт.

16

154761A1

O-RING,119.4mm ID x 3.1mm Width

SEAL - gland

1шт.

Part of seal replacement KIT, P/N 164183A1

1шт.

17

155240A1

BACK-UP RING

RING - backup

1шт.

Part of seal replacement KIT, P/N 164183A1

1шт.

18

161059A1

BOLT,Hex Skt, M16 x 70mm, Cl 12.9

BOLT - hex, special

12шт.

19

153912A1

LUBE NIPPLE,90 Degree, 1/8"-27 NPT x 21.5mm lg

1шт.

20

160549A1

RING

- cushion

1шт.

21

155158A1

SEAL

SEAL - cushion ring

1шт.

Part of seal replacement KIT, P/N 164183A1

1шт.

22

160570A1

PISTON

- cylinder

1шт.

23

155311A1

SEALING RING

SEAL - piston, two piece

1шт.

Part of seal replacement KIT, P/N 164183A1

1шт.

24

160509A1

BACK-UP RING

RING - backup

2шт.

Part of seal replacement KIT, P/N 164183A1

1шт.

25

155325A1

SEALING RING

RING - wear

2шт.

Part of seal replacement KIT, P/N 164183A1

1шт.

26

155306A1

SEALING RING

RING - wear

2шт.

Part of seal replacement KIT, P/N 164183A1

1шт.

27

155737A1

SHIM

WASHER - flat, special

1шт.

Part of seal replacement KIT, P/N 164183A1

1шт.

28

156233A1

NUT

- special

1шт.

29

156223A1

SET SCREW

SCREW - set

1шт.

30

155977A1

BALL

- steel

1шт.

164183A1

SEAL KIT

KIT - seal replacement, Includes: Ref. 13 - 17, 21, 23 - 27 and P/N 160553A1

1шт.

Выбрано товаров: 50