Запчасти Case 9030B (8-176) - ARM CYLINDER, MODELS WITHOUT LONG REACH AND WITH LOAD HOLD OPTION (08) - HYDRAULICS

Схема запчастей Case 9030B - (8-176) - ARM CYLINDER, MODELS WITHOUT LONG REACH AND WITH LOAD HOLD OPTION (08) - HYDRAULICS
11
20
13
25
1
9
34
31
14
3
33
36
19
12
15
30
26
5
29
10
28
32
16
2
27
35
1
4
24
22
17
23
18
7
8
21
37
6
FIT
1:1
100%

Артикул

Название

Примечание

Количество

162799A1

CYLINDER ASSY.

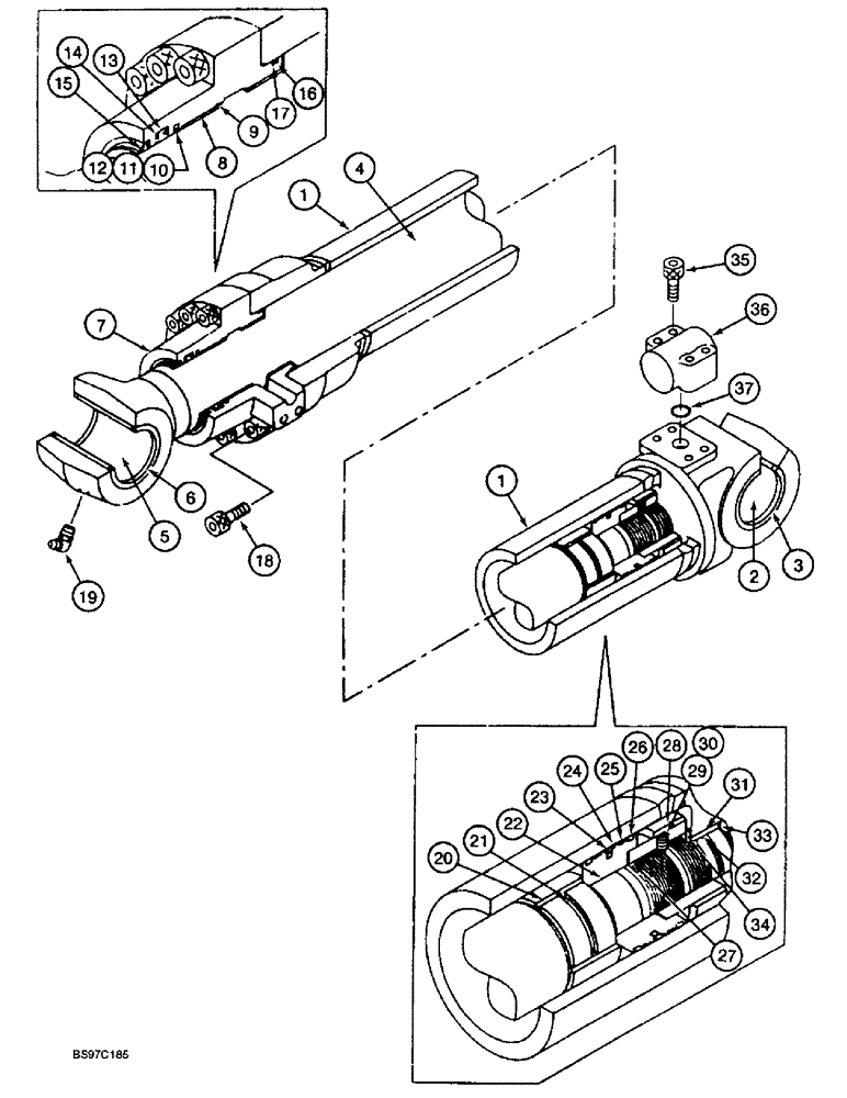
CYLINDER ASSEMBLY - 135 (5-5/16) ID x 1580 mm (62-3/16 inch) stroke, arm, models without Long Reach and with load hold, Includes: Ref. 1 - 37

1шт.

160585A1

JACK BODY

KIT - rod replacement, Includes: Ref. 1 and 2

1шт.

1

NSS

NOT SOLD SEPARAT

TUBE - cylinder

1шт.

2

155409A1

BUSHING

- mounting pin, cylinder tube

1шт.

3

155144A1

BACK-UP RING

WIPER - pin, at cylinder tube

2шт.

160586A1

PISTON ROD

KIT - tube replacement, Includes: Ref. 4 and 5

1шт.

4

NSS

NOT SOLD SEPARAT

ROD - cylinder

1шт.

5

155409A1

BUSHING

- mounting pin, cylinder rod

1шт.

6

155144A1

BACK-UP RING

WIPER - pin, at cylinder rod eye

2шт.

160580A1

KIT

- gland replacement, Includes: Ref. 7 - 9

1шт.

7

NSS

NOT SOLD SEPARAT

GLAND - cylinder

1шт.

8

155429A1

BUSHING

- gland

1шт.

9

155695A1

RING, SNAP

RING - retaining

1шт.

160554A1

SEALING RING

RING - buffer, kit, contains Ref. 10 - 12

1шт.

Part of seal replacement KIT, P/N 160579A1

1шт.

10

160525A1

RING

- slide

1шт.

11

160511A1

BACK-UP RING

RING - backup

1шт.

12

160529A1

RING

- square

1шт.

13

155115A1

RING

SEAL - U-cup

1шт.

Part of seal replacement KIT, P/N 160579A1

1шт.

14

155236A1

BACK-UP RING

RING - backup

1шт.

Part of seal replacement KIT, P/N 160579A1

1шт.

15

160502A1

WIPER SEAL

WIPER - piston rod

1шт.

Part of seal replacement KIT, P/N 160579A1

1шт.

16

154777A1

O-RING

- gland

1шт.

Part of seal replacement KIT, P/N 160579A1

1шт.

17

159994A1

BACK-UP RING

RING - backup

1шт.

Part of seal replacement KIT, P/N 160579A1

1шт.

18

163671A1

BOLT,Hex Skt

BOLT - hex socket, special

12шт.

19

153912A1

LUBE NIPPLE,90 Degree, 1/8"-27 NPT x 21.5mm lg

2шт.

20

160550A1

RING

- cushion

1шт.

21

155345A1

SEALING RING

RING - seal, cushion ring

1шт.

Part of seal replacement KIT, P/N 160579A1

1шт.

22

164189A1

PISTON

- cylinder

1шт.

23

159961A1

SEALING RING

SEAL - piston, two piece

1шт.

Part of seal replacement KIT, P/N 160579A1

1шт.

24

159995A1

BACK-UP RING

RING - backup

2шт.

Part of seal replacement KIT, P/N 160579A1

1шт.

25

160526A1

RING

- wear

2шт.

Part of seal replacement KIT, P/N 160579A1

1шт.

26

160016A1

RING

- wear

2шт.

Part of seal replacement KIT, P/N 160579A1

1шт.

27

155722A1

SHIM

WASHER - flat, special

1шт.

Part of seal replacement KIT, P/N 160579A1

1шт.

28

156220A1

NUT

- special

1шт.

29

156223A1

SET SCREW

SCREW - set

1шт.

30

155977A1

BALL

- steel

1шт.

31

164190A1

RING

- cushion

1шт.

32

160555A1

SEAL

- cushion

1шт.

Part of seal replacement KIT, P/N 160579A1

1шт.

33

160556A1

STOP

- cushion

2шт.

34

160557A1

RING, SNAP

RING - snap

1шт.

35

160301A1

BOLT

- special

4шт.

36

155530A1

TUBE

ELBOW - 90 degree, flange type

1шт.

37

154543A1

O-RING

-, Serial Range: Elbow-tube

1шт.

160579A1

SEAL KIT

KIT - seal replacement, Includes: Ref. 13 - 17, 21, 23 - 27, 32 and P/N 160554A1

1шт.

Выбрано товаров: 56