Запчасти Case 9030B (9-050) - HEATER AND HOSES (09) - CHASSIS

Схема запчастей Case 9030B - (9-050) - HEATER AND HOSES (09) - CHASSIS
3
12
5
9
8
18
2
19
1a
2
3
7
10
4
6
6
12
12
12
11
6
12
4
4
15
7
2
12
14
20
13
10
8
17
16
3
8
1
FIT
1:1
100%

Артикул

Название

Примечание

Количество

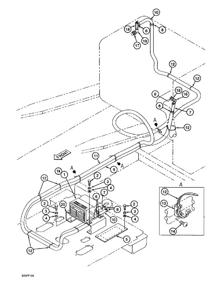
1

152815A1

HEATER,Assembly, Cab

HEATER - cab, component parts not serviced separately, Includes: Ref. 1A

1шт.

Ref#1 - for fan blower (squirrel cage) only order: 166058A1 (RH) and/or 166059A1 (LH). 1-05-98

1шт.

1a

163619A1

MOTOR, ELECTRIC

MOTOR - electric, cab heater blower

1шт.

2

627-10020

BOLT,Hex, M10 x 1.5 x 20mm, Cl 10.9, Full Thd

- hex, full threads, 10 - 1.5 x 20 mm, class 10.9

10шт.

3

892-11010

LOCK WASHER,M10

10шт.

5

159950A1

COVER

- cab floor

1шт.

6

150384A1

COLLAR

CLAMP - adjustable

4шт.

7

150827A1

HOSE,13.00 mm ID x 4000.00 mm

Heater 13.00 mm ID x 4000.00 mm

1шт.

8

150067A1

MOUNTING CLIP

STRAP - tie, 150 mm long

4шт.

9

151544A1

PLASTIC-RUBBER TUBE,22 mm ID, 27 mm OD, 450 mm Length

SLEEVE - corrugated, 3800 mm (149-5/8 inch) long

1шт.

10

150041A1

HOSE

- 5500 mm (216-9/16 inch) long, heater

1шт.

11

151561A1

PLASTIC-RUBBER TUBE

SLEEVE - corrugated, 5300 mm (208-21/32 inch) long

1шт.

12

150496A1

MOUNTING CLIP

STRAP - tie, 250 mm long

1шт.

13

150860A1

COLLAR

BRACKET - support

3шт.

14

840-168

SCREW,Pan, M6 x 1 x 8mm, Cl 4.8

- machine, pan Phillips, 6 - 1.0 x 8 mm

3шт.

15

151588A1

BUSHING

ADAPTER - straight, special

1шт.

16

150383A1

ELBOW

- 90 degree, special

1шт.

17

151582A1

BUSHING

ADAPTER - straight, special

1шт.

18

152664A1

VALVE

- water shut-off

1шт.

19

152159A1

ELBOW

- 90 degree, special

1шт.

20

161721A1

SUPPORT

BRACKET - mounting, heater

1шт.

4

895-11010

WASHER,11mm ID x 20mm OD x 2mm Thk

- flat, 11 x 20 x 2 mm

10шт.

Выбрано товаров: 22