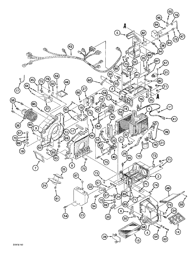
Запчасти Case 9030B (9-085E) - AIR CONDITIONER ASSEMBLY AND MOUNTING, 164984A1 (09) - CHASSIS

Схема запчастей Case 9030B - (9-085E) - AIR CONDITIONER ASSEMBLY AND MOUNTING, 164984A1 (09) - CHASSIS
71
64
64
41
44
64
55
75
32
11
82
30
57
68
56
53
69
73
57
73
42
54
25
65
19
72
67
75
47
50
62
28
63
58
29
51
52
39
78
70
66
1
79
4
82
69
49
6
14
26
65
55
73
69
20
38
77
60
75
65
71
5
66
67
67
46
8
8
10
54
64
31
37
18
54
34
7
67
74
75
35
69
54
67
63
55
61
12
80
16
2
59
65
54
45
78
69
3
27
5
48
40
36
66
43
22
70
33
24
15
71
23
67
21
16
59
73
55
76
13
17
9
38
81
FIT
1:1
100%

Артикул

Название

Примечание

Количество

164984A1

AIR CONDITIONER

ASSEMBLY - cab (manufacturers part number TUA-R860S), if used, Includes: Ref. 1 - 82

1шт.

1

163175A1

EVAPORATOR

- air conditioning

1шт.

2

163177A1

HOOD

COVER - evaporator, upper

1шт.

3

163178A1

COVER

- evaporator, lower

1шт.

4

163179A1

HOOD

COVER - air intake, front

1шт.

5

163180A1

HOOD

COVER - air intake, rear

1шт.

6

163181A1

HOOD

HOLDER - tube

1шт.

7

163182A1

COVER

- defrost

1шт.

8

163183A1

HOUSING

- blower motor, inner

1шт.

9

163223A1

HOUSING

- blower motor, outer

1шт.

10

163224A1

INSULATOR

PAD - insulation

1шт.

11

163226A1

GROMMET

- rubber

1шт.

12

163225A1

GROMMET

- rubber

1шт.

13

165817A1

GROMMET

- rubber

1шт.

14

163186A1

FILTER

- recirculation, cab

1шт.

15

165085A1

CAB FILTER

FILTER - air, inner, cab

1шт.

16

165086A1

NOISE PROTECTION

INSULATION - heater, cab

2шт.

17

163169A1

PACKING

PAD - foam

1шт.

18

163170A1

GASKET

- housing, blower motor

2шт.

19

163227A1

BRACKET

- mounting, housing

2шт.

20

163228A1

BRACKET

- mounting, lower evaporator cover

1шт.

21

163187A1

HOLDER

- thermocouple

1шт.

22

163229A1

BRACKET

- mounting, tube cover

1шт.

23

163230A1

COVER

- tube

1шт.

24

163238A1

DEFLECTOR

LOUVER - main, controller

1шт.

25

163239A1

LARGE PLATE

PLATE - louver, resistor and harness

1шт.

26

165087A1

BRACKET

- special

1шт.

27

165083A1

BRACKET

- mounting

1шт.

28

165089A1

COVER

- special, hose

1шт.

29

163188A1

TUBE ASSY.

TUBE - suction

1шт.

30

163171A1

HEATER HOSE

1шт.

31

163172A1

INSULATOR

INSULATION - tube

1шт.

32

163173A1

INSULATOR

INSULATION - tube

1шт.

33

165090A1

MOUNTING CLIP

BAND - hose

2шт.

34

163221A1

COLLAR

CLAMP - tube

1шт.

35

163222A1

BRACKET

CLAMP - tube

1шт.

36

163189A1

MOTOR, ELECTRIC

MOTOR - blower, cab

1шт.

37

163190A1

ACTUATOR

- damper, blower motor housing

1шт.

38

163191A1

ACTUATOR

- damper, one located on rear intake cover and one located on upper evaporator cover

2шт.

39

163174A1

VALVE

- expansion

1шт.

40

163192A1

VALVE

- water

1шт.

41

163233A1

ELECTRICAL WIRE

CABLE - thermistor

1шт.

42

165084A1

RESISTOR

- cab

1шт.

43

165811A1

HARNESS

- main, cab

1шт.

44

163194A1

ROD

- actuator, water valve

1шт.

45

163244A1

ROD

- actuator, damper

1шт.

46

163240A1

LEVER

- damper

1шт.

47

163241A1

ROD

- actuator, damper

1шт.

48

163195A1

VENT

DAMPER - blower motor

1шт.

49

163196A1

VENT

DAMPER - air intake

1шт.

50

163242A1

SHAFT

- damper

1шт.

51

165091A1

RELAY

- cab

1шт.

52

165092A1

CONTROL UNIT

BOX - control

1шт.

53

165093A1

HEATER

CORE - heater

1шт.

54

163197A1

BOLT,Sems

BOLT - hex socket, special

11шт.

55

163198A1

BOLT,Sems

BOLT - hex socket, special

6шт.

56

163199A1

BOLT

BOLT - hex socket, special

3шт.

57

862-10025

HEX SOC SCREW,M10 x 25mm, Cl 12.9

SCREW - hex socket, 10 - 1.5 x 25 mm, class 12.9

3шт.

58

163200A1

RING, LOCKING

RING - retaining

1шт.

59

163201A1

SCREW

- special

4шт.

60

163202A1

SCREW

- special

1шт.

61

163219A1

BOLT

BOLT - hex head, special

2шт.

62

163203A1

SCREW

- special

1шт.

63

163205A1

FLANGE NUT

- hex flange, special

3шт.

64

165813A1

SCREW

- self-tapping, special

12шт.

65

165814A1

SCREW

- self-tapping, special

9шт.

66

165812A1

SCREW

- self-tapping, special

5шт.

67

165815A1

SELF-TAP SCREW

- self-tapping, special

12шт.

68

165816A1

SCREW

- self-tapping, special

2шт.

70

892-11010

LOCK WASHER,M10

3шт.

71

163204A1

FLANGE NUT

- hex flange, special

10шт.

72

163211A1

FLANGE NUT

- hex flange, special

3шт.

73

163212A1

CLAMP

- cover

11шт.

74

163213A1

CLAMP

- damper

2шт.

75

163214A1

CLAMP

- rod

4шт.

76

163235A1

CLASP

BRACKET - thermocouple

1шт.

77

163215A1

MOUNTING CLIP

STRAP - tie

1шт.

78

163236A1

HOLDER

RETAINER - actuator rod

2шт.

79

163237A1

HOLDER

RETAINER - thermocouple

1шт.

80

163216A1

CLAMP

- wire harness

1шт.

81

163217A1

MOUNTING CLIP

CLAMP - wire harness

1шт.

82

163218A1

CLAMP

- cover

3шт.

69

895-11010

WASHER,11mm ID x 20mm OD x 2mm Thk

- flat, 11 x 20 x 2 mm

6шт.

Выбрано товаров: 83