Запчасти Case 9030B (5-04) - TRACK FRAME AND DRIVE SPROCKET, TIMBER KING MODELS (11) - TRACKS/STEERING

Схема запчастей Case 9030B - (5-04) - TRACK FRAME AND DRIVE SPROCKET, TIMBER KING MODELS (11) - TRACKS/STEERING
8
12
4
6
12
10
18
19
1
14
2
17
9
11
13
5
5
13
6
15
5
19
7
16
3
FIT
1:1
100%

Артикул

Название

Примечание

Количество

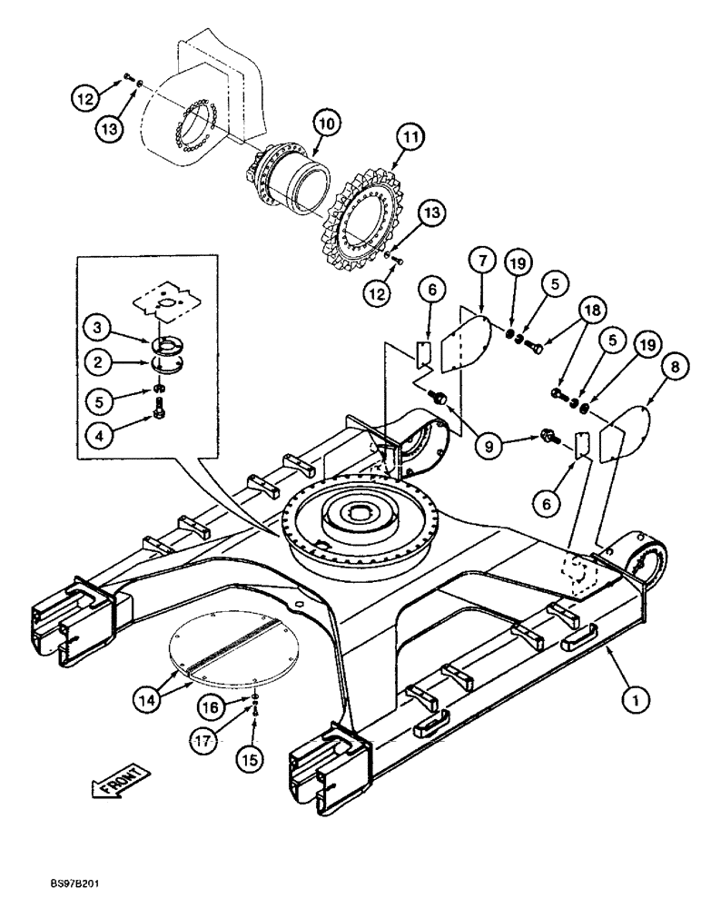
1

164192A1

FRAME

- track and undercarriage

1шт.

2

158929A1

LID

COVER - access, grease fill, turntable gear

1шт.

3

158930A1

CORK SEAL

GASKET - access cover

1шт.

4

627-12020

BOLT,Hex, M12 x 1.75 x 20mm, Cl 10.9, Full Thd

- hex, full threads, 12 - 1.75 x 20 mm, class 10.9

3шт.

5

892-11012

LOCK WASHER,M12

WASHER, LOCK, M12

11шт.

6

160691A1

COVER

- assess, hydraulic lines to track drive motor

2шт.

7

159689A1

COVER

- access, track drive motor, right-hand

1шт.

8

159688A1

COVER

- access, track drive motor, left-hand

1шт.

9

152718A1

BOLT,Spcl, Hex Wshr, M12 x 25mm, Cl 10.9

- special

4шт.

10

159423A1

MOTOR

ASSEMBLY - track drive, see Figure 6-02

2шт.

11

159679A1

SPROCKET ASSY.

SPROCKET - track drive

2шт.

12

827-16060

BOLT,Hex, M16 x 2 x 60mm, Cl 10.9

96шт.

13

150814A1

WASHER,17mm ID x 32mm OD x 4.5mm Thk

- flat, special

96шт.

14

159683A1

COVER

- access, clean out, turntable gear

2шт.

15

627-12040

BOLT,Hex, M12 x 1.75 x 40mm, Cl 10.9, Full Thd

8шт.

16

150811A1

WASHER

- flat, special, 12 mm

8шт.

17

892-11012

LOCK WASHER,M12

WASHER, LOCK, M12

8шт.

18

627-12035

BOLT,Hex, M12 x 1.75 x 35mm, Cl 10.9, Full Thd

- hex, full threads, 12-1.75 x 35 mm, class 10.9

8шт.

19

150811A1

WASHER

- flat, special, 12 mm

8шт.

Выбрано товаров: 19