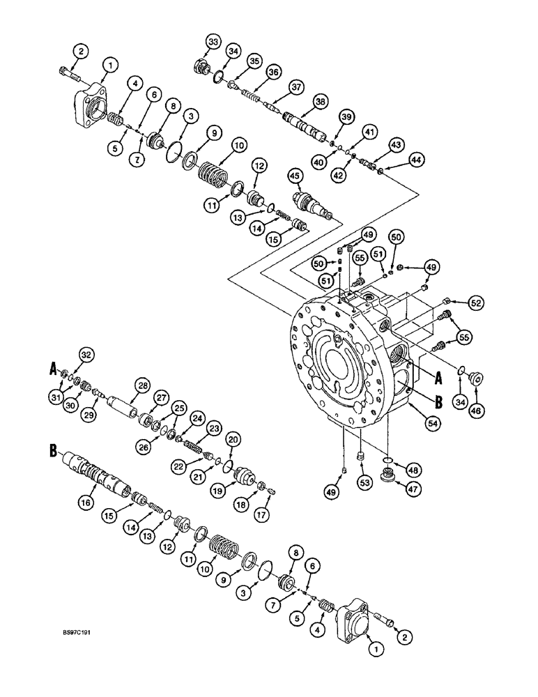
Запчасти Case 9030B (6-16) - TRACK DRIVE MOTOR, BASE PLATE ASSEMBLY AND VALVES, TIMBER KING MODELS (06) - POWER TRAIN

Схема запчастей Case 9030B - (6-16) - TRACK DRIVE MOTOR, BASE PLATE ASSEMBLY AND VALVES, TIMBER KING MODELS (06) - POWER TRAIN
4
50
12
6
38
15
18
8
43
2
51
35
44
36
7
37
52
47
32
23
3
48
39
10
49
5
12
46
6
9
41
28
19
20
55
53
34
34
40
31
1
11
8
33
49
49
42
10
51
14
14
55
21
11
17
13
3
45
24
16
7
54
5
4
13
26
9
27
15
1
2
29
22
50
30
25
FIT
1:1
100%

Артикул

Название

Примечание

Количество

NSS

NOT SOLD SEPARAT

BASE PLATE ASSEMBLY - track drive motor, Includes: Ref. 1 - 55

1шт.

1

NSS

NOT SOLD SEPARAT

CAP - plunger

2шт.

2

861-12040

HEX SOC SCREW,M12 x 40mm, Cl 12.9

SCREW - hex socket 12 - 1.75 x 40 mm, class 12.9

8шт.

3

154589A1

O-RING

- seal, plunger cap

2шт.

Part of motor seal kit P/N 160219A1.

1шт.

4

NSS

NOT SOLD SEPARAT

SPRING - piston, outer

2шт.

5

NSS

NOT SOLD SEPARAT

GUIDE - spring

2шт.

6

NSS

NOT SOLD SEPARAT

SPRING - piston, inner

2шт.

7

NSS

NOT SOLD SEPARAT

BALL - steel

2шт.

8

NSS

NOT SOLD SEPARAT

PISTON - plunger

2шт.

9

160202A1

SPRING SEAT

SEAT - spring

2шт.

10

160261A1

SPRING

- plunger

2шт.

11

156110A1

SPRING SEAT

SEAT - spring

2шт.

12

NSS

NOT SOLD SEPARAT

PLUG - plunger

2шт.

13

154495A1

O-RING

- plug

2шт.

Part of motor seal kit P/N 160219A1.

1шт.

14

NSS

NOT SOLD SEPARAT

SPRING - check valve

2шт.

15

NSS

NOT SOLD SEPARAT

VALVE - check

2шт.

16

NSS

NOT SOLD SEPARAT

PLUNGER - valve

1шт.

17

NSS

NOT SOLD SEPARAT

SCREW - set

1шт.

18

NSS

NOT SOLD SEPARAT

NUT - set screw

1шт.

19

NSS

NOT SOLD SEPARAT

PLUG - valve

1шт.

20

155225A1

O-RING

- seal

1шт.

Part of motor seal kit P/N 160219A1.

1шт.

21

NSS

NOT SOLD SEPARAT

O-RING - seal

1шт.

22

NSS

NOT SOLD SEPARAT

GUIDE - spring

1шт.

23

NSS

NOT SOLD SEPARAT

SPRING - free piston

1шт.

24

NSS

NOT SOLD SEPARAT

SEAT - spring

1шт.

25

153977A1

BACK-UP RING

RING - backup

2шт.

Part of motor seal kit P/N 160219A1.

1шт.

26

154495A1

O-RING

- seal

1шт.

Part of motor seal kit P/N 160219A1.

1шт.

27

NSS

NOT SOLD SEPARAT

PISTON - free

1шт.

28

NSS

NOT SOLD SEPARAT

HOUSING - relief

1шт.

29

NSS

NOT SOLD SEPARAT

POPPET - relief housing

1шт.

30

NSS

NOT SOLD SEPARAT

SEAT - poppet

1шт.

31

153964A1

BACK-UP RING

RING - backup

2шт.

Part of motor seal kit P/N 160219A1.

1шт.

32

154479A1

O-RING

- seal

1шт.

Part of motor seal kit P/N 160219A1.

1шт.

33

160080A1

PLUG

- port, special, valve

1шт.

34

159974A1

O-RING

- port plug

3шт.

Part of motor seal kit P/N 160219A1.

1шт.

35

160260A1

COLLAR

GUIDE - spring

1шт.

36

160265A1

SPRING

- spool

1шт.

37

NSS

NOT SOLD SEPARAT

SPOOL C - valve

1шт.

38

NSS

NOT SOLD SEPARAT

SPOOL A - valve

1шт.

39

153937A1

BACK-UP RING

RING - backup

1шт.

Part of motor seal kit P/N 160219A1.

1шт.

40

154443A1

O-RING

- seal

1шт.

Part of motor seal kit P/N 160219A1.

1шт.

41

154447A1

O-RING

- seal

1шт.

Part of motor seal kit P/N 160219A1.

1шт.

42

153940A1

BACK-UP RING

RING - backup

1шт.

Part of motor seal kit P/N 160219A1.

1шт.

43

160197A1

FILTER

- valve

1шт.

44

160111A1

RING, SNAP

RING - snap, special

1шт.

45

160148A1

VALVE, PRESSURE RELI

VALVE ASSEMBLY - relief

2шт.

46

155483A1

PLUG

- port

1шт.

47

155483A1

PLUG

- port

2шт.

48

159974A1

O-RING

- port plug

2шт.

Part of motor seal kit P/N 160219A1.

1шт.

49

160077A1

PLUG

- special

10шт.

50

NSS

NOT SOLD SEPARAT

ORIFICE - base plate

2шт.

51

NSS

NOT SOLD SEPARAT

ORIFICE - base plate

2шт.

52

151026A1

PLUG

- port

5шт.

53

151030A1

PLUG

- port

1шт.

54

NSS

NOT SOLD SEPARAT

PLATE - base

1шт.

55

160601A1

BOLT

BOLT - shoulder, special, attaches base plate assembly to track drive motor housing

4шт.

160219A1

SEAL KIT

KIT - seal, motor, Includes: Ref. 3, 13, 20, 25, 26, 31, 32, 34, 39 - 42 and 48 on this figure and Ref. 3, 6, 22, 23, 27 and 33 on Figure 6-10

1шт.

Выбрано товаров: 70