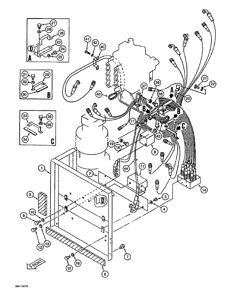
Запчасти Case 9030B (8-020) - CONTROL COMPONENT MOUNTING AND HOSE SUPPORTS, PRIOR TO P.I.N. DAC03#2001 (08) - HYDRAULICS

Схема запчастей Case 9030B - (8-020) - CONTROL COMPONENT MOUNTING AND HOSE SUPPORTS, PRIOR TO P.I.N. DAC03#2001 (08) - HYDRAULICS
39
21
41
27
35
13
14
18
43
25
37
42
30
19
34
31
2
8
4
5
43
20
22
29
36
12
32
6
10
1
33
26
17
28
23
24
16
9
40
38
7
11
44
3
15
FIT
1:1
100%

Артикул

Название

Примечание

Количество

1

159246A1

BRACKET

- valve mounting, P.I.N. DAC0301001 only

1шт.

See Figure 1-2 for explanation of P.I.N. and model variations.

1шт.

1

161674A1

BRACKET

- valve mounting, all except P.I.N. DAC0301001

1шт.

See Figure 1-2 for explanation of P.I.N. and model variations.

1шт.

2

159247A1

COVER

- access, P.I.N. DAC0301001 only

1шт.

See Figure 1-2 for explanation of P.I.N. and model variations.

1шт.

2

161208A1

COVER

- access, all except P.I.N. DAC0301001

1шт.

See Figure 1-2 for explanation of P.I.N. and model variations.

1шт.

3

627-10020

BOLT,Hex, M10 x 1.5 x 20mm, Cl 10.9, Full Thd

- hex, full threads, 10 - 1.5 x 20 mm, class 10.9

4шт.

4

150409A1

WASHER

- flat, special, 10.5 x 21 x 3.2 mm

4шт.

5

159252A1

SEAL

- cushion

1шт.

6

159253A1

SEAL

- cushion, P.I.N.DAC0301001 only

1шт.

See Figure 1-2 for explanation of P.I.N. and model variations.

1шт.

6

161676A1

SEAL

- cushion, all except P.I.N. DAC0301001

1шт.

See Figure 1-2 for explanation of P.I.N. and model variations.

1шт.

7

152718A1

BOLT,Spcl, Hex Wshr, M12 x 25mm, Cl 10.9

- special

4шт.

8

159242A1

VALVE

ASSEMBLY - swing brake release, see Figure 8-162

1шт.

9

627-10020

BOLT,Hex, M10 x 1.5 x 20mm, Cl 10.9, Full Thd

- hex, full threads, 10 - 1.5 x 20 mm, class 10.9

2шт.

10

150409A1

WASHER

- flat, special, 10.5 x 21 x 3.2 mm

2шт.

11

159225A1

VALVE

ASSEMBLY - cushion, for standard models without load hold, see Figure 8-160

1шт.

11

162841A1

VALVE

ASSEMBLY - cushion, for models with load hold option, see Figure 8-160

1шт.

12

627-10025

BOLT,Hex, M10 x 1.5 x 25mm, Cl 10.9, Full Thd

- hex, full threads, 10 - 1.5 x 25 mm, class 10.9

2шт.

13

150409A1

WASHER

- flat, special, 10.5 x 21 x 3.2 mm

2шт.

14

159221A1

VALVE

- shuttle

1шт.

15

627-10025

BOLT,Hex, M10 x 1.5 x 25mm, Cl 10.9, Full Thd

- hex, full threads, 10 - 1.5 x 25 mm, class 10.9

2шт.

16

150409A1

WASHER

- flat, special, 10.5 x 21 x 3.2 mm

2шт.

17

159025A1

CLAMP

- support, hose bundle

1шт.

18

627-8016

BOLT,Hex, M8 x 1.25 x 16mm, Cl 10.9, Full Thd

- hex, full threads, 8 - 1.25 x 16 mm, class 10.9

2шт.

19

892-11008

LOCK WASHER,8mm ID

WASHER, LOCK, M8

2шт.

20

159025A1

CLAMP

- support, hose bundle

1шт.

21

627-8016

BOLT,Hex, M8 x 1.25 x 16mm, Cl 10.9, Full Thd

- hex, full threads, 8 - 1.25 x 16 mm, class 10.9

2шт.

22

892-11008

LOCK WASHER,8mm ID

WASHER, LOCK, M8

2шт.

23

159248A1

BRACKET

- support, clamp

1шт.

24

627-10025

BOLT,Hex, M10 x 1.5 x 25mm, Cl 10.9, Full Thd

- hex, full threads, 10 - 1.5 x 25 mm, class 10.9

2шт.

25

150409A1

WASHER

- flat, special, 10.5 x 21 x 3.2 mm

2шт.

26

159038A1

CLAMP

- support, hose bundle

1шт.

27

627-8016

BOLT,Hex, M8 x 1.25 x 16mm, Cl 10.9, Full Thd

- hex, full threads, 8 - 1.25 x 16 mm, class 10.9

2шт.

28

892-11008

LOCK WASHER,8mm ID

WASHER, LOCK, M8

2шт.

29

159039A1

CLAMP

- support, hose bundle

2шт.

30

159028A1

RUBBER BLOCK

CUSHION - support

2шт.

31

627-8016

BOLT,Hex, M8 x 1.25 x 16mm, Cl 10.9, Full Thd

- hex, full threads, 8 - 1.25 x 16 mm, class 10.9

4шт.

32

892-11008

LOCK WASHER,8mm ID

WASHER, LOCK, M8

4шт.

33

159040A1

CLAMP

- support, hose bundle

1шт.

34

159028A1

RUBBER BLOCK

CUSHION - support

1шт.

35

627-8016

BOLT,Hex, M8 x 1.25 x 16mm, Cl 10.9, Full Thd

- hex, full threads, 8 - 1.25 x 16 mm, class 10.9

2шт.

36

892-11008

LOCK WASHER,8mm ID

WASHER, LOCK, M8

2шт.

37

159034A1

CLAMP

- support, hose bundle

1шт.

38

627-8012

BOLT,Hex, M8 x 1.25 x 12mm, Cl 10.9, Full Thd

- hex, full threads, 8-1.25 x 12 mm, class 10.9

2шт.

39

892-11008

LOCK WASHER,8mm ID

WASHER, LOCK, M8

2шт.

40

159025A1

CLAMP

- support

1шт.

41

627-8012

BOLT,Hex, M8 x 1.25 x 12mm, Cl 10.9, Full Thd

- hex, full threads, 8-1.25 x 12 mm, class 10.9

2шт.

42

892-11008

LOCK WASHER,8mm ID

WASHER, LOCK, M8

2шт.

43

152286A1

RUBBER BLOCK

GROMMET - hydraulic hose

2шт.

44

150067A1

MOUNTING CLIP

STRAP - tie, 150 mm long

1шт.

Выбрано товаров: 54