Запчасти Case 9040 (8-86) - ARM AND BUCKET HYDRAULIC CIRCUITS, CONTROL VALVES TO BASE OF BOOM (08) - HYDRAULICS

Схема запчастей Case 9040 - (8-86) - ARM AND BUCKET HYDRAULIC CIRCUITS, CONTROL VALVES TO BASE OF BOOM (08) - HYDRAULICS
5
6
1
5
11
7
8
3
2
6
7
9
10
7
13
9
7
4
14
10
8
12
FIT
1:1
100%

Артикул

Название

Примечание

Количество

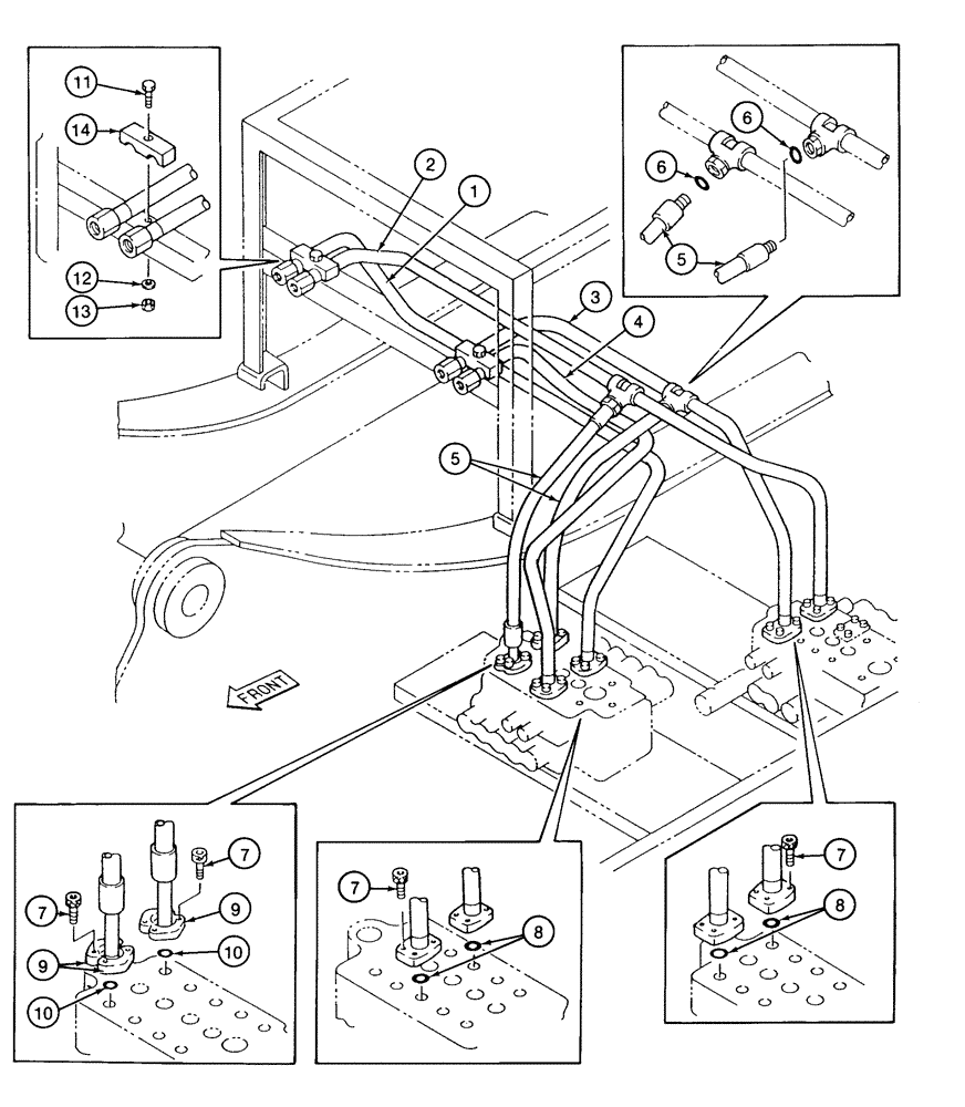
1

153432A1

TUBE ASSY.,343, 113 mm Length

TUBE - right-hand control, valve bucket port

1шт.

2

153435A1

TUBE

- left-hand control, valve arm port

1шт.

3

153381A1

TUBE

- left-hand control, valve arm port

1шт.

4

153434A1

TUBE

- right-hand control, valve bucket port

1шт.

5

153436A1

HOSE ASSY.

HOSE - 28-9/16 inch (725 mm) long, right-hand control valve arm ports, Includes: Ref. 6

2шт.

6

154503A1

O-RING

- hose

1шт.

7

862-10035

HEX SOC SCREW,M10 x 35mm, Cl 12.9

SCREW - hex socket, 10 - 1.5 x 35 mm, class 12.9

24шт.

8

154529A1

O-RING

- control valve

4шт.

9

152598A1

HALF-COLLAR

FLANGE - split

4шт.

10

153628A1

O-RING

- at right-hand control valve arm ports

2шт.

11

828-12070

BOLT,Hex, M12 x 1.75 x 70mm, Cl 10.9

- hex, 12 - 1.75 x 70 mm, class 10.9

2шт.

12

150811A1

WASHER

- flat, special, 12 mm

2шт.

13

829-1412

NUT,M12, Cl 10.9

- hex, 12 mm - 1.75, class 10

2шт.

14

153187A1

SPECIAL CLAMP

CLAMP - tube

2шт.

Выбрано товаров: 14