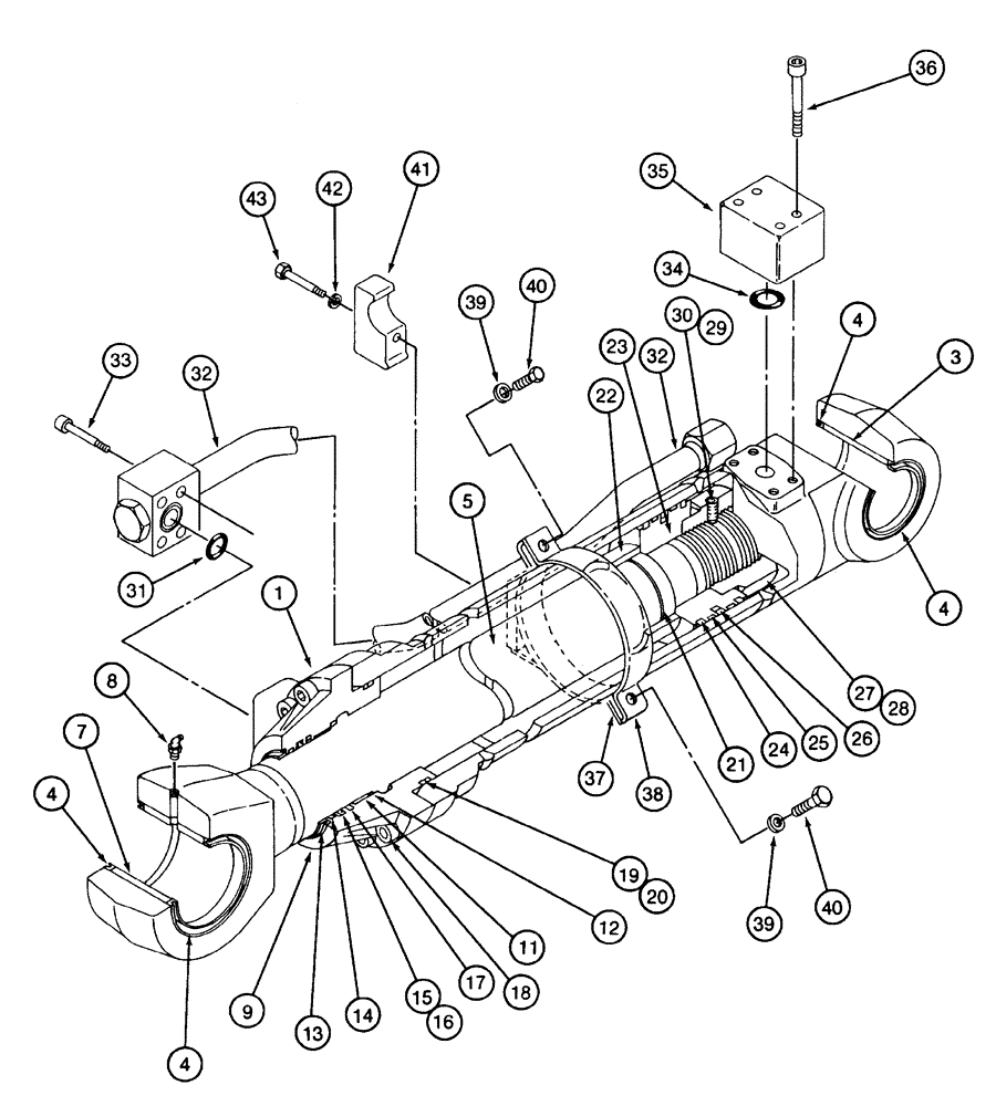
Запчасти Case 9040 (8-93A) - ARM CYLINDER, LONG REACH MODELS (08) - HYDRAULICS

Схема запчастей Case 9040 - (8-93A) - ARM CYLINDER, LONG REACH MODELS (08) - HYDRAULICS
5
34
33
31
42
38
43
32
40
12
4
39
36
23
11
14
28
26
3
30
25
1
4
41
32
16
19
35
13
8
7
20
22
29
39
9
15
37
17
40
4
24
18
4
27
21
FIT
1:1
100%

Артикул

Название

Примечание

Количество

151155A1

CYLINDER ASSY.

CYLINDER ASSEMBLY - 6-1/4 (160) ID x 68-1/4 inch (1733 mm) stroke, Includes: Ref. 1 - 43

1шт.

1

155889A1

HYD TUBE

TUBE ASSEMBLY - cylinder

1шт.

3

155427A1

BUSHING

- Sleeve, friction fit

1шт.

4

155152A1

BACK-UP RING

WIPER - Mounting pin

4шт.

5

155887A1

PISTON ROD

ROD ASSEMBLY - cylinder

1шт.

7

155427A1

BUSHING

- Sleeve, friction fit

1шт.

8

152912A1

INSULATOR

PAD - insulation

1шт.

9

155884A1

HYDRAULIC CYLINDER

GLAND ASSEMBLY - cylinder

1шт.

11

155428A1

BUSHING

- Gland

1шт.

12

155704A1

RING, SNAP

RING SNAP - Retaining

1шт.

13

155127A1

WIPER SEAL

WIPER - Piston rod

1шт.

Part of Seal Kit P/N 156002A1

1шт.

14

155339A1

RING

SEAL - piston rod

1шт.

Part of Seal Kit P/N 156002A1

1шт.

15

155237A1

BACK-UP RING

1шт.

Part of Seal Kit P/N 156002A1

1шт.

16

155114A1

RING

Seal - U-cup

1шт.

Part of Seal Kit P/N 156002A1

1шт.

17

155153A1

SEALING RING

RING - buffer

1шт.

Part of Seal Kit P/N 156002A1

1шт.

18

156232A1

BOLT,Hex Skt

Hex socket

8шт.

19

155242A1

BACK-UP RING

1шт.

Part of Seal Kit P/N 156002A1

1шт.

20

154812A1

O-RING,149.6mm ID x 5.7mm Width

SEAL - gland

1шт.

Part of Seal Kit P/N 156002A1

1шт.

21

155346A1

SEALING RING

O-RING - cylinder

1шт.

22

155734A1

RING

Cushion

1шт.

23

155982A1

JACK PISTON

PISTON - cylinder

1шт.

24

155341A1

RING

Wear

2шт.

Part of Seal Kit P/N 156002A1

1шт.

25

155340A1

RING

Wear

2шт.

Part of Seal Kit P/N 156002A1

1шт.

26

155344A1

SEALING RING

SEAL - piston

1шт.

Part of Seal Kit P/N 156002A1

1шт.

27

155733A1

SHIM

Washer - Special

1шт.

Part of Seal Kit P/N 156002A1

1шт.

28

156230A1

NUT

- Piston retaining

1шт.

29

155981A1

BALL

- Steel

1шт.

30

156228A1

SET SCREW

1шт.

31

154579A1

O-RING

- cylinder

1шт.

32

155537A1

HYD TUBE

TUBE ASSEMBLY - hydraulic

1шт.

33

156231A1

BOLT

BOLT - hex socket

4шт.

34

154543A1

O-RING

- Cylinder

1шт.

35

155542A1

JOINT

BLOCK - coupling

1шт.

36

863-12090

HEX SOC SCREW,M12 x 90mm, Cl 12.9

BOLT - hex socket, 12 - 1.75 x 90 mm, class 12.9

4шт.

37

156393A1

CLAMP

- band

1шт.

38

156390A1

BAND

CLAMP - band

1шт.

39

156227A1

WASHER

- lock, special

2шт.

40

627-10035

BOLT,Hex, M10 x 1.5 x 35mm, Cl 10.9, Full Thd

- hex, full threads, 10 - 1.5 x 35 mm, class 10.9

2шт.

41

155736A1

HALF-FLANGE

CLAMP - tube

1шт.

42

153623A1

SPRING WASHER

WASHER - lock, special

1шт.

43

153910A1

BOLT,High Strength, Hex, M14 x 80mm

BOLT - hex, special

1шт.

156002A1

SEAL KIT

KIT - seal, Includes: Ref. 13-17, 19, 20 and 24-27

1шт.

Выбрано товаров: 53