Запчасти Case 9040 (9-02) - TURNTABLE BEARING (09) - CHASSIS

Схема запчастей Case 9040 - (9-02) - TURNTABLE BEARING (09) - CHASSIS
12
15
13
3
9
1
16
5
17
10
2
4
6
11
14
8
7
FIT
1:1
100%

Артикул

Название

Примечание

Количество

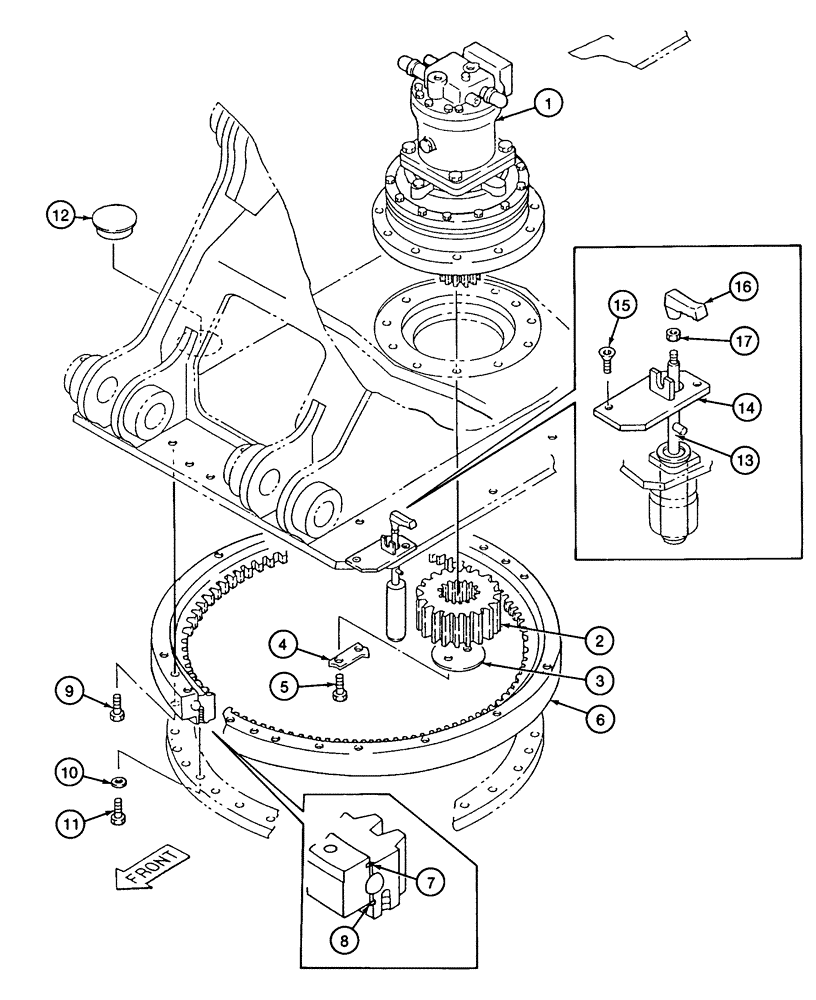
1

150326A1

MOTOR

ASSEMBLY - swing, parts list figures 8-68, 8-70 and 8-72, see figure 8-68 for swing motor mounting

1шт.

2

150171A1

PINION

GEAR - pinion

1шт.

3

150018A1

PLATE

- end

1шт.

4

150002A1

LOCKING PLATE

RETAINER - plate

1шт.

5

31141R1

BOLT,Hex, M16 x 2 x 35mm, Grade 10.9

2шт.

6

150775A1

SLEWING RING

BEARING - turntable, Includes: Ref. 7 and 8

1шт.

7

156436A1

SEALING RING

RING - seal, upper

1шт.

8

156542A1

SEALING RING

RING - seal, lower

1шт.

9

828-24110

BOLT,Hex, M24 x 3 x 110mm, Cl 10.9

- hex, 24 - 3.0 x 110 mm, class 10.9

26шт.

10

151003A1

WASHER

- flat, special

36шт.

11

828-24080

BOLT,Hex, M24 x 3 x 80mm, Cl 10.9

- hex, 24 - 3.0 x 80 mm, class 10.9

36шт.

12

150153A1

CAP

COVER - rubber

1шт.

13

150286A1

PIN

- swing lock

1шт.

14

150020A1

BRACKET

- swing lock pin

1шт.

15

150403A1

SCREW,Spcl, Flat Hd Csk, M10 x 20mm

- hex socket, flat head, 10 - 1.5 x 20 mm

2шт.

16

150347A1

KNOB

HANDLE - control, swing lock

1шт.

17

150373A1

NUT

- hex, 12 mm - 1.25, class 12.9

1шт.

Выбрано товаров: 17