Запчасти Case 9040 (9-46) - CAB REAR AND RIGHT-HAND SIDE GLASS, AND REAR VIEW MIRROR (09) - CHASSIS

Схема запчастей Case 9040 - (9-46) - CAB REAR AND RIGHT-HAND SIDE GLASS, AND REAR VIEW MIRROR (09) - CHASSIS
38
14
36
22
19
41
30
14
3
34
45
13
43
24
9
10
44
2
22
26
39
11
31
33
8
16
37
4
29
17
7
16
1
42
32
20
25
46
15
40
10a
27
6
18
12
35
13
28
5
15
FIT
1:1
100%

Артикул

Название

Примечание

Количество

KHN1148

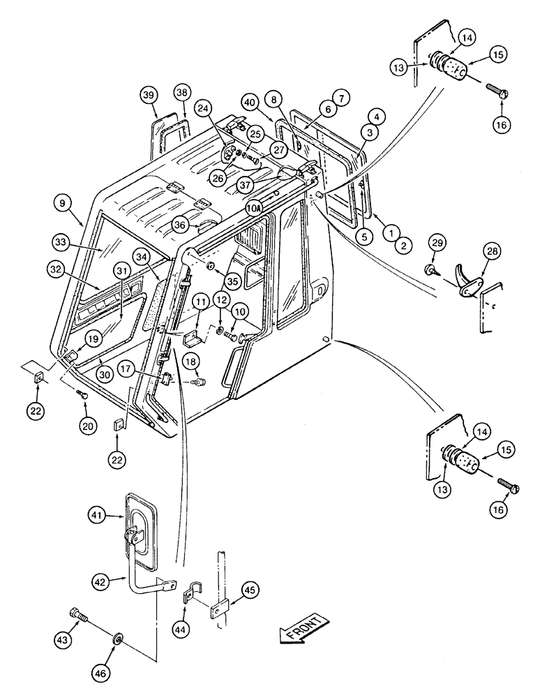
CAB

ASSEMBLY - operators, Includes: Ref. 1 - 8 this figure and 1 - 42 on figure 9-48, Replaces 152792A1, KHN12000

1шт.

152609A1

WINDOW

ASSEMBLY - cab, rear, Includes: Ref. 1 - 8

1шт.

1

152622A1

FRAME

- rear window, sliding

1шт.

2

152626A1

CHAIN GUIDE

TRACK - sliding window, If Used

1шт.

3

152624A1

WINDOW

GLASS ASSEMBLY - window, left-hand side, with latch, Includes: Ref. 4 and 5, If Used

1шт.

4

152592A1

CAB GLASS

GLASS - window, left-hand side, If Used

1шт.

5

152860A1

LOCK

LATCH - rear window, left-hand side, If Used

1шт.

6

152625A1

WINDOW

GLASS ASSEMBLY - rear window, right-hand side, with latch, Includes: Ref. 7 and 8, If Used

1шт.

7

152592A1

CAB GLASS

GLASS - window, rear window, right-hand side, If Used

1шт.

8

151494A1

LOCK

LATCH - rear window, right-hand side, If Used

1шт.

9

152789A1

CAB

FRAME - cab, Replaces 152794A1

1шт.

10

627-10016

BOLT,Hex, M10 x 1.5 x 16mm, Cl 10.9, Full Thd

- hex, full threads, 10 - 1.5 x 16 mm, class 10.9

1шт.

10a

156919A1

BOLT

BOLT - hex

2шт.

11

152521A1

SUPPORT

BRACKET - 90 degree

1шт.

12

895-11010

WASHER,11mm ID x 20mm OD x 2mm Thk

- flat, 11 x 21 x 2 mm

1шт.

13

152667A1

RUBBER WASHER

SHIM - rubber

2шт.

14

152668A1

RUBBER WASHER

SHIM - rubber

2шт.

15

152370A1

RUBBER BLOCK

BUMPER - rubber

2шт.

16

152543A1

SPECIAL BOLT

SCREW - special

2шт.

17

152493A1

CATCH PLATE

CATCH - cab door

1шт.

18

152466A1

BOLT

BOLT - special, catch mounting

2шт.

19

152526A1

ENGINE VENT SLEEVE

CATCH - windshield frame

2шт.

20

152542A1

BOLT

BOLT - special

2шт.

22

152737A1

STOP

BUMPER - rubber, windshield frame

2шт.

24

151585A1

PLATE

- special, sliding window, pin retaining

4шт.

25

113631A1

LOCK WASHER

- toothed conical, special, 8 mm

8шт.

26

151590A1

WASHER

- special

8шт.

27

151290A1

HEX SOC SCREW,Flat Csk Hd, M8 x 20mm

BOLT - special

8шт.

28

151824A1

COAT HOOK

HOOK - clothing

1шт.

29

152705A1

SPECIAL BOLT,Spcl

SCREW - special, hook mounting

2шт.

30

KHN0774

FIXING STRIP

SEAL - glass, Replaces 152564A1

1шт.

31

KHN1289

CAB GLASS

GLASS - window, lower right-hand, Replaces 152555A1

1шт.

32

KHN0772

FIXING STRIP

SEAL - glass, Replaces 152565A1

1шт.

33

KHN1288

CAB GLASS

GLASS - window, upper right-hand, Replaces 152558A1

1шт.

34

152684A1

PADDING

PAD - cab, lower right-hand

1шт.

35

152503A1

GROMMET

- rubber

1шт.

36

152832A1

GASKET

TRIM - overhead door

1шт.

37

152384A1

NOISE PROTECTION

PAD - ceiling

1шт.

38

152223A1

GASKET

SEAL - rubber, glass retaining, narrow right-hand side window

1шт.

39

KHN1290

CAB GLASS

GLASS - window, right-hand side, Replaces 152552A1

1шт.

40

152141A1

SEALING STRIP

SEAL - rubber, rear cab window

1шт.

41

KHP13190

REAR VIEW MIRROR,166mm x 330mm

MIRROR - rear view

1шт.

42

156562A1

SUPPORT

ARM - rear view mirror, replaces 150692A1 arm

1шт.

43

627-12040

BOLT,Hex, M12 x 1.75 x 40mm, Cl 10.9, Full Thd

1шт.

44

150151A1

CLAMP

- special

1шт.

45

150694A1

PLATE

- mirror mounting

1шт.

46

892-11012

LOCK WASHER,M12

WASHER, LOCK, M12

1шт.

Выбрано товаров: 47