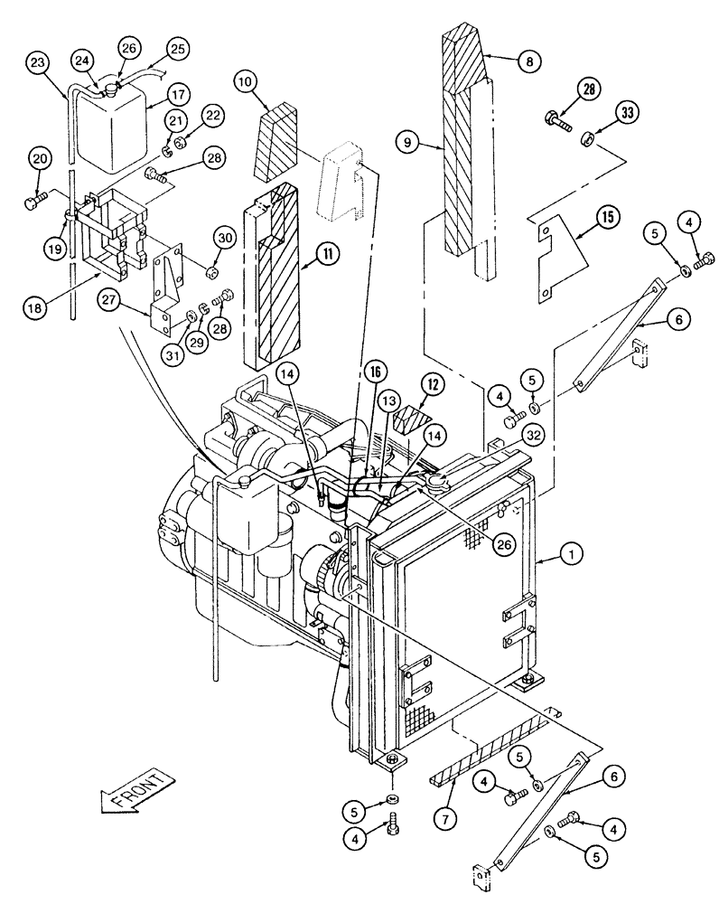
Запчасти Case 9040 (2-05A) - RADIATOR, SUPPORTS AND COOLANT OVERFLOW RESERVOIR, P.I.N. DAC0400004 AND AFTER (02) - ENGINE

Схема запчастей Case 9040 - (2-05A) - RADIATOR, SUPPORTS AND COOLANT OVERFLOW RESERVOIR, P.I.N. DAC0400004 AND AFTER (02) - ENGINE
28
11
13
15
4
22
17
32
5
26
7
14
4
28
4
4
21
6
27
19
30
23
6
28
20
18
14
25
5
12
31
33
9
5
26
5
24
1
8
4
29
10
16
5
FIT
1:1
100%

Артикул

Название

Примечание

Количество

1

158622A1

RADIATOR

ASSEMBLY - engine and transmission oil cooling, parts list Figure 2-11A

1шт.

4

627-16040

BOLT,Hex, M16 x 2 x 40mm, Cl 10.9, Full Thd

8шт.

5

150814A1

WASHER,17mm ID x 32mm OD x 4.5mm Thk

- flat, special

8шт.

6

151132A1

STAY

BRACE - radiator mounting

2шт.

7

153154A1

INSULATOR

PAD - insulation, lower radiator

1шт.

8

151429A1

SEAL

PAD - insulation, upper rear

1шт.

9

158625A1

INSULATOR

PAD - insulation, lower rear

1шт.

10

151444A1

SEAL

PAD - insulation, upper front

1шт.

11

158627A1

INSULATOR

PAD - insulation, lower front

1шт.

12

158626A1

INSULATOR

PAD - insulation, upper, center

1шт.

13

158634A1

HOSE,9.5 mm ID x 520.00 mm

- rubber, special, to engine

1шт.

14

157705A1

CLAMP

- wire-type, adjustable, Serial Range: radiator-engine

2шт.

15

158628A1

BRACKET

- radiator

1шт.

16

150071A1

MOUNTING CLIP

STRAP - tie, 365 mm long

1шт.

17

150606A1

RESERVOIR

- coolant overflow

1шт.

18

150705A1

HOLDER

- coolant overflow reservoir, Includes: Ref. 19

1шт.

19

150486A1

CLIP

- harness

1шт.

20

627-8020

BOLT,Hex, M8 x 1.25 x 20mm, Cl 10.9, Full Thd

- hex, full threads, 8 - 1.25 x 20 mm, class 10.9

1шт.

21

892-11008

LOCK WASHER,8mm ID

WASHER, LOCK, M8

1шт.

22

829-1408

NUT,Hex, M8 x 1.25, Cl 10.9

- hex, 8 mm - 1.25, class 10

1шт.

23

150074A1

HOSE

- 55-1/8 inch (1400 mm) long, overflow

1шт.

24

153040A1

COLLAR

CLAMP - wire-type, hose

1шт.

25

151419A1

HOSE,7.00 mm ID x 850.00 mm

Overflow 7.00 mm ID x 850.00 mm

1шт.

26

153042A1

CLAMP

- adjustable, overflow hose

2шт.

27

151417A1

BRACKET

- mounting, reservoir, Serial Range: bracket-engine

1шт.

28

627-10025

BOLT,Hex, M10 x 1.5 x 25mm, Cl 10.9, Full Thd

- hex, full threads, 10 - 1.5 x 25 mm, class 10.9

8шт.

29

892-11010

LOCK WASHER,M10

2шт.

30

150472A1

FLANGE NUT

- hex flange, special, 8 mm - 1.25

4шт.

31

895-11010

WASHER,11mm ID x 20mm OD x 2mm Thk

- flat, 11 x 21 x 2 mm

2шт.

32

151885A1

DECAL

LABEL - coolant

1шт.

33

150409A1

WASHER

- flat, special, 10.5 x 21 x 3.2 mm

2шт.

Выбрано товаров: 31