Запчасти Case 9040 (2-08) - MUFFLER AND EXHAUST SYSTEM (02) - ENGINE

Схема запчастей Case 9040 - (2-08) - MUFFLER AND EXHAUST SYSTEM (02) - ENGINE
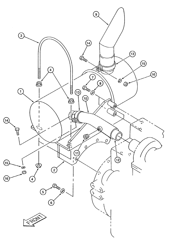
1
15
13
5
2
16
13
9
16
4
15
3
4
14
6
11
14
8
12
7
10
FIT
1:1
100%

Артикул

Название

Примечание

Количество

1

151618A1

MUFFLER

- exhaust

1шт.

2

151452A1

SUPPORT

BRACKET - muffler mounting

1шт.

3

150772A1

U-BOLT,M12 x 315mm W x 337.10mm L

- muffler retaining

2шт.

4

150475A1

FLANGE NUT

- flanged, 12 mm - 1.75, muffler retaining

8шт.

5

827-10040

BOLT,Hex, M10 x 1.5 x 40mm, Cl 10.9, Full Thd

- hex, 10 - 1.5 x 40 mm, class 10.9

4шт.

6

150409A1

WASHER

- flat, special, 10.5 x 21 x 3.2 mm

4шт.

7

827-12070

BOLT,Hex, M12 x 1.75 x 70mm, Cl 10.9

- hex, 12 - 1.75 x 70 mm, class 10.9

2шт.

8

150811A1

WASHER

- flat, special, 12 mm

2шт.

9

150697A1

EXHAUST SYSTEM PIPE

PIPE - tail, exhaust

1шт.

10

163856A1

PIPE, EXHAUST SYSTEM

PIPE - exhaust, replaces 151456A1 pipe

1шт.

11

150990A1

PLUG

- exhaust pipe

1шт.

12

151473A1

CONNECTOR, ELEC

CONNECTOR - exhaust pipe

1шт.

13

150670A1

CLAMP

- special, muffler

1шт.

14

627-12035

BOLT,Hex, M12 x 1.75 x 35mm, Cl 10.9, Full Thd

- hex, full threads, 12 - 1.75 x 35 mm, class 10.9

2шт.

15

892-11012

LOCK WASHER,M12

WASHER, LOCK, M12

2шт.

16

829-1412

NUT,M12, Cl 10.9

- hex, 12 mm - 1.75, class 10

2шт.

Выбрано товаров: 16