Запчасти Case 9040 (4-20) - LEFT-HAND CONSOLE AND HARNESS (04) - ELECTRICAL SYSTEMS

Схема запчастей Case 9040 - (4-20) - LEFT-HAND CONSOLE AND HARNESS (04) - ELECTRICAL SYSTEMS
2
7
14
12
5
1
16
10
11
12
13
3
11
2
9
15
4
8
6
2
17
12
FIT
1:1
100%

Артикул

Название

Примечание

Количество

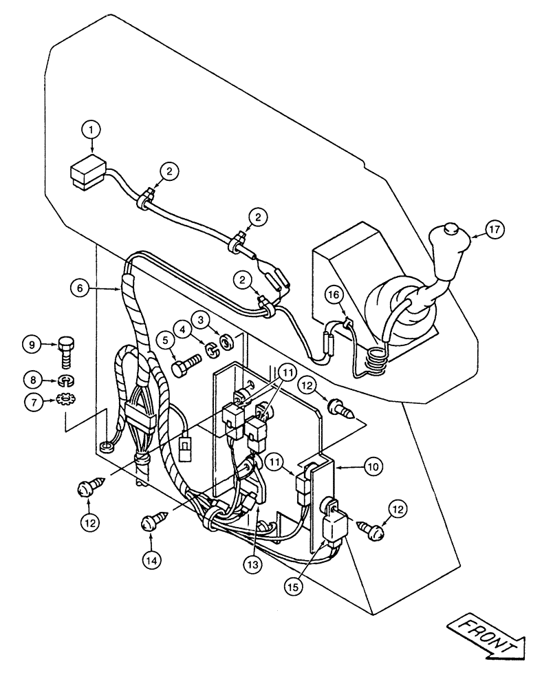
1

150857A1

SWITCH

- limit

1шт.

2

150067A1

MOUNTING CLIP

STRAP - tie, 150 mm long

1шт.

3

895-11010

WASHER,11mm ID x 20mm OD x 2mm Thk

- flat, 11 x 21 x 2 mm

3шт.

4

892-11010

LOCK WASHER,M10

3шт.

5

627-10020

BOLT,Hex, M10 x 1.5 x 20mm, Cl 10.9, Full Thd

- hex, full threads, 10 - 1.5 x 20 mm, class 10.9

3шт.

6

152075A1

HARNESS

- left-hand console

1шт.

7

893-11010

LOCK WASHER,Ext Tooth, M10

WASHER, LOCK, Ext Tooth, M10

1шт.

8

892-11010

LOCK WASHER,M10

1шт.

9

627-10020

BOLT,Hex, M10 x 1.5 x 20mm, Cl 10.9, Full Thd

- hex, full threads, 10 - 1.5 x 20 mm, class 10.9

1шт.

10

152768A1

BOX

BRACKET - mounting, relay

1шт.

11

152711A1

RELAY

- electrical

3шт.

12

152098A1

CAPTIVE WASHER SCREW,Phil Pan Hd, M5 x 10mm

SCREW - pan head, special

4шт.

13

152492A1

RELAY

- electrical

1шт.

14

151688A1

SCREW,Phil Pan Hd, M5 x 12mm, W/ Wshr

- pan head, relay retaining

1шт.

15

152706A1

RELAY

- electrical

1шт.

16

150563A1

CLIP

- wire

1шт.

17

151613A1

KNOB

- control, left-hand controller

1шт.

Выбрано товаров: 17