Запчасти Case 9040B (8-022) - CONTROL COMPONENT MOUNTING AND HOSE SUPPORTS, P.I.N. DAC04#2001 AND AFTER (08) - HYDRAULICS

Схема запчастей Case 9040B - (8-022) - CONTROL COMPONENT MOUNTING AND HOSE SUPPORTS, P.I.N. DAC04#2001 AND AFTER (08) - HYDRAULICS
11
6
18
31
37
30
41
10
32
42
2
8
27
7
14
36
16
3
17
7
19
43
35
15
17
12
5
1
4
26
20
19
28
40
45
21
13
7
9
25
18
29
44
38
24
44
22
39
23
34
33
FIT
1:1
100%

Артикул

Название

Примечание

Количество

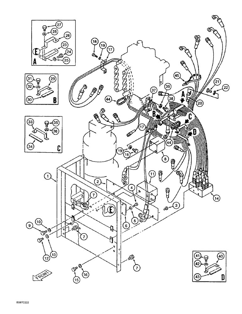
1

161674A1

BRACKET

- valve mounting

1шт.

2

161208A1

COVER

- access

1шт.

3

627-10020

BOLT,Hex, M10 x 1.5 x 20mm, Cl 10.9, Full Thd

- hex, full threads, 10 - 1.5 x 20 mm, class 10.9

4шт.

4

627-10020

BOLT,Hex, M10 x 1.5 x 20mm, Cl 10.9, Full Thd

- hex, full threads, 10 - 1.5 x 20 mm, class 10.9

2шт.

5

150409A1

WASHER

- flat, special, 10.5 x 21 x 3.2 mm

2шт.

6

161560A1

COVER

- access

1шт.

7

152718A1

BOLT,Spcl, Hex Wshr, M12 x 25mm, Cl 10.9

- special

4шт.

8

159242A1

VALVE

ASSEMBLY - swing brake release, parts list on figure 8-162

1шт.

9

627-10020

BOLT,Hex, M10 x 1.5 x 20mm, Cl 10.9, Full Thd

- hex, full threads, 10 - 1.5 x 20 mm, class 10.9

2шт.

10

150409A1

WASHER

- flat, special, 10.5 x 21 x 3.2 mm

2шт.

11

159225A1

VALVE

ASSEMBLY - cushion, for standard models without load hold, parts list figure 8-160

1шт.

11

162841A1

VALVE

ASSEMBLY - cushion, for models with load hold option, parts list figure 8-160

1шт.

12

627-10025

BOLT,Hex, M10 x 1.5 x 25mm, Cl 10.9, Full Thd

- hex, full threads, 10 - 1.5 x 25 mm, class 10.9

2шт.

13

150409A1

WASHER

- flat, special, 10.5 x 21 x 3.2 mm

2шт.

14

159221A1

VALVE

- shuttle

1шт.

15

627-10025

BOLT,Hex, M10 x 1.5 x 25mm, Cl 10.9, Full Thd

- hex, full threads, 10 - 1.5 x 25 mm, class 10.9

2шт.

16

150409A1

WASHER

- flat, special, 10.5 x 21 x 3.2 mm

2шт.

17

159025A1

CLAMP

- support, hose bundle

2шт.

18

627-8016

BOLT,Hex, M8 x 1.25 x 16mm, Cl 10.9, Full Thd

- hex, full threads, 8 - 1.25 x 16 mm, class 10.9

4шт.

19

892-11008

LOCK WASHER,8mm ID

WASHER, LOCK, M8

4шт.

20

164155A1

CLAMP

- support, hose bundle

2шт.

21

627-8020

BOLT,Hex, M8 x 1.25 x 20mm, Cl 10.9, Full Thd

- hex, full threads, 8 - 1.25 x 20 mm, class 10.9

2шт.

22

892-11008

LOCK WASHER,8mm ID

WASHER, LOCK, M8

2шт.

23

165453A1

BRACKET

- support, clamp

1шт.

24

627-10025

BOLT,Hex, M10 x 1.5 x 25mm, Cl 10.9, Full Thd

- hex, full threads, 10 - 1.5 x 25 mm, class 10.9

2шт.

25

150409A1

WASHER

- flat, special, 10.5 x 21 x 3.2 mm

2шт.

26

159036A1

CLAMP

- hose bundle

1шт.

27

627-8020

BOLT,Hex, M8 x 1.25 x 20mm, Cl 10.9, Full Thd

- hex, full threads, 8 - 1.25 x 20 mm, class 10.9

2шт.

28

892-11008

LOCK WASHER,8mm ID

WASHER, LOCK, M8

2шт.

29

159036A1

CLAMP

- hose bundle

1шт.

30

159028A1

RUBBER BLOCK

CUSHION - support

1шт.

31

627-8020

BOLT,Hex, M8 x 1.25 x 20mm, Cl 10.9, Full Thd

- hex, full threads, 8 - 1.25 x 20 mm, class 10.9

2шт.

32

892-11008

LOCK WASHER,8mm ID

WASHER, LOCK, M8

2шт.

33

159039A1

CLAMP

- support, hose bundle

1шт.

34

159028A1

RUBBER BLOCK

CUSHION - support

1шт.

35

627-8020

BOLT,Hex, M8 x 1.25 x 20mm, Cl 10.9, Full Thd

- hex, full threads, 8 - 1.25 x 20 mm, class 10.9

2шт.

36

892-11008

LOCK WASHER,8mm ID

WASHER, LOCK, M8

2шт.

37

159034A1

CLAMP

- support, hose bundle

1шт.

38

627-8012

BOLT,Hex, M8 x 1.25 x 12mm, Cl 10.9, Full Thd

- hex, full threads, 8 - 1.25 x 12 mm, class 10.9

2шт.

39

892-11008

LOCK WASHER,8mm ID

WASHER, LOCK, M8

2шт.

40

159040A1

CLAMP

- support

1шт.

41

627-8020

BOLT,Hex, M8 x 1.25 x 20mm, Cl 10.9, Full Thd

- hex, full threads, 8 - 1.25 x 20 mm, class 10.9

2шт.

42

892-11008

LOCK WASHER,8mm ID

WASHER, LOCK, M8

2шт.

43

159028A1

RUBBER BLOCK

CUSHION - support

1шт.

44

152286A1

RUBBER BLOCK

GROMMET - hydraulic hose

2шт.

45

150071A1

MOUNTING CLIP

STRAP - tie, 365 mm long

1шт.

Выбрано товаров: 46