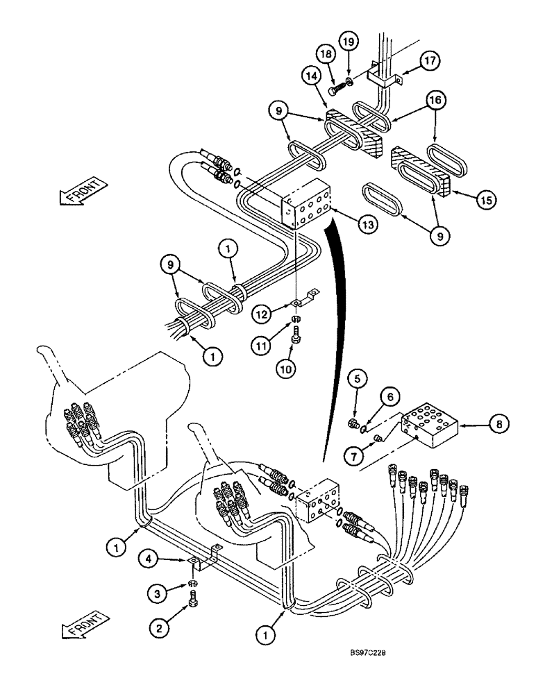
Запчасти Case 9040B (8-024) - SHUTTLE VALVE AND PEDAL CONTROL HOSE SUPPORTS (08) - HYDRAULICS

Схема запчастей Case 9040B - (8-024) - SHUTTLE VALVE AND PEDAL CONTROL HOSE SUPPORTS (08) - HYDRAULICS
7
6
18
1
3
14
1
13
19
1
15
9
9
10
4
11
1
9
12
8
17
5
16
FIT
1:1
100%

Артикул

Название

Примечание

Количество

1

150071A1

MOUNTING CLIP

STRAP - tie, 365 mm long

2шт.

2

627-8012

BOLT,Hex, M8 x 1.25 x 12mm, Cl 10.9, Full Thd

- hex, full threads, 8 - 1.25 x 12 mm, class 10.9

2шт.

3

892-11008

LOCK WASHER,8mm ID

WASHER, LOCK, M8

1шт.

4

159025A1

CLAMP

- support, Start Serial: DAC04#2001

1шт.

5

159002A1

PLUG

- port, hose bundle

1шт.

6

154467A1

O-RING,10.8mm ID x 2.4mm Width

- plug, Includes: Ref. 6

2шт.

7

151026A1

PLUG

- port

2шт.

8

159221A1

VALVE

- shuttle

1шт.

9

159251A1

GROMMET

- rubber

6шт.

10

627-8012

BOLT,Hex, M8 x 1.25 x 12mm, Cl 10.9, Full Thd

- hex, full threads, 8 - 1.25 x 12 mm, class 10.9

2шт.

11

892-11008

LOCK WASHER,8mm ID

WASHER, LOCK, M8

2шт.

12

159250A1

CLAMP

- support

1шт.

13

159015A1

MANIFOLD

- pilot control supply and return

1шт.

14

162652A1

SEAL

CUSHION - seal, Start Serial: DAC04#2001

1шт.

See Figure 1-2 for explanation of model variations.

1шт.

15

165465A1

SEAL

- cushion, Start Serial: DAC04#2001

1шт.

See Figure 1-2 for explanation of model variations.

1шт.

16

152619A1

GROMMET

- rubber

2шт.

17

159025A1

CLAMP

- support, Serial Range: -DAC04#2001

1шт.

See Figure 1-2 for explanation of model variations.

1шт.

18

627-8016

BOLT,Hex, M8 x 1.25 x 16mm, Cl 10.9, Full Thd

- hex, full threads, 8 - 1.25 x 16 mm, class 10.9, Serial Range: -DAC04#2001

2шт.

19

892-11008

LOCK WASHER,8mm ID

WASHER, LOCK, M8, Serial Range: -DAC04#2001

2шт.

See Figure 1-2 for explanation of model variations.

1шт.

Выбрано товаров: 23