Запчасти Case 9040B (8-040) - SWING CONTROL LINES (08) - HYDRAULICS

Схема запчастей Case 9040B - (8-040) - SWING CONTROL LINES (08) - HYDRAULICS
6
20
17
11
16
11
19
2
12
27
25
14
23
21
9
1
20
26
13
3
10
3
8
5
24
18
25
12
15
13
4
22
8
16
7
FIT
1:1
100%

Артикул

Название

Примечание

Количество

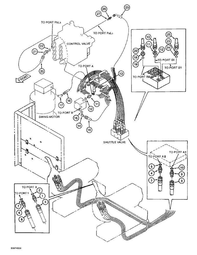
1

152747A1

ADAPTER

- straight, Includes: Ref. 2

1шт.

2

154467A1

O-RING,10.8mm ID x 2.4mm Width

- adapter

1шт.

3

159215A1

HYDRAULIC HOSE,9.50 mm ID x 1650.00 mm

- Swing left line (LH controller port "3" to shuttle valve port "A2") 9.50 mm ID x 1650.00 mm

1шт.

4

152128A1

HYD CONNECTOR,3/8" NPT O-Ring x 3/8" NPT

ADAPTER - straight, Includes: Ref. 5

1шт.

5

154467A1

O-RING,10.8mm ID x 2.4mm Width

- adapter

1шт.

6

152747A1

ADAPTER

- straight, Includes: Ref. 7

1шт.

7

154467A1

O-RING,10.8mm ID x 2.4mm Width

- adapter

1шт.

8

159216A1

HYDRAULIC HOSE,9.50 mm ID x 1750.00 mm

- Swing right line (LH controller port "1" to shuttle valve port "A1") 9.50 mm ID x 1750.00 mm

1шт.

9

152128A1

HYD CONNECTOR,3/8" NPT O-Ring x 3/8" NPT

ADAPTER - straight, Includes: Ref. 10

1шт.

10

154467A1

O-RING,10.8mm ID x 2.4mm Width

- adapter

1шт.

11

152127A1

HYD CONNECTOR,1/4" NPT O-Ring x 1/4" NPT

ADAPTER - straight, Includes: Ref. 12

2шт.

12

154467A1

O-RING,10.8mm ID x 2.4mm Width

- adapter

1шт.

13

159019A1

HOSE ASSY.

HOSE - 900 mm (35-7/8 inch) long, swing control line (shuttle valve port "S1" to swing brake release valve port "B")

1шт.

14

150933A1

ELBOW

- 45 degree, Includes: Ref. 15

1шт.

15

154467A1

O-RING,10.8mm ID x 2.4mm Width

- elbow

1шт.

16

152773A1

HOSE ASSY.

HOSE - 1850 mm (72-13/16 inch) long, swing control line (swing brake release valve port "A" to swing motor

1шт.

17

153596A1

ADAPTER

ELBOW - 90 degree

1шт.

18

152128A1

HYD CONNECTOR,3/8" NPT O-Ring x 3/8" NPT

ADAPTER - straight, Includes: Ref. 19

1шт.

19

154467A1

O-RING,10.8mm ID x 2.4mm Width

- adapter

1шт.

20

152771A1

HOSE ASSY.

HOSE - 3000 mm (118-1/8 inch) long, swing left line (shuttle valve port "B2" to control valve port "PbL3")

1шт.

21

153559A1

ELBOW

- 90 degree, Includes: Ref. 22

1шт.

22

154467A1

O-RING,10.8mm ID x 2.4mm Width

- elbow

1шт.

23

152128A1

HYD CONNECTOR,3/8" NPT O-Ring x 3/8" NPT

ADAPTER - straight, Includes: Ref. 24

1шт.

24

154475A1

O-RING

- adapter

1шт.

25

161487A1

HOSE ASSY.

HOSE - 2800 mm (110-1/4 inch) long, swing right line (shuttle valve port "B1" to control valve port "PsL3")

1шт.

26

152128A1

HYD CONNECTOR,3/8" NPT O-Ring x 3/8" NPT

ADAPTER - straight, Includes: Ref. 27

1шт.

27

154467A1

O-RING,10.8mm ID x 2.4mm Width

- adapter

1шт.

Выбрано товаров: 27