Запчасти Case 9040B (8-078) - TRACK DRIVE HYDRAULIC CIRCUIT (08) - HYDRAULICS

Схема запчастей Case 9040B - (8-078) - TRACK DRIVE HYDRAULIC CIRCUIT (08) - HYDRAULICS
5
3
1
15
14
7
11
10
9
3
6
4
8
12
1
2
13
11
2
5
4
10
6
FIT
1:1
100%

Артикул

Название

Примечание

Количество

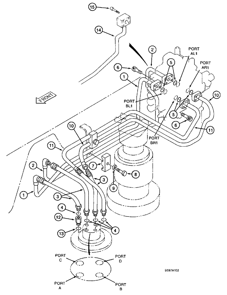
1

159192A1

TUBE ASSY.

TUBE - (from BL1 port of control valve)

1шт.

2

159193A1

TUBE

- (from AL1 port of control valve), Serial Range: -DAC0401132

1шт.

See Figure 1-2 for explanation of model variations.

1шт.

3

159197A1

HYDRAULIC HOSE,19mm ID x 580mm L

HOSE - 580 mm (22-13/16 inch) long (from tube 1 to adapter in port A os swivel)

1шт.

3

159197A1

HYDRAULIC HOSE,19mm ID x 580mm L

HOSE - 580 mm (22-13/16 inch) long (from tube 2 to port C of hydraulic swivel)

1шт.

3

159197A1

HYDRAULIC HOSE,19mm ID x 580mm L

HOSE - 580 mm (22-13/16 inch) long (from tube 10 to port B of hydraulic swivel)

1шт.

3

159197A1

HYDRAULIC HOSE,19mm ID x 580mm L

HOSE - 580 mm (22-13/16 inch) long (from tube 11 to port D of hydraulic swivel)

1шт.

4

154503A1

O-RING

- hose

4шт.

5

154528A1

O-RING

- control valve

4шт.

6

862-10030

HEX SOC SCREW,M10 x 30mm, Cl 12.9

SCREW - hex socket, 10 - 1.5 x 30 mm, class 12.9

12-16шт.

7

152085A1

COLLAR

CLAMP - tube

2шт.

8

828-12055

BOLT,Hex, M12 x 1.75 x 55mm, Cl 10.9

- hex, 12 - 1.75 x 55 mm, class 10.9

2шт.

9

150811A1

WASHER

- flat, special, 12 mm

2шт.

10

159195A1

TUBE ASSY.

TUBE - (from AR1 port of control valve)

1шт.

11

159194A1

TUBE ASSY.

TUBE - (from BR1 port of control valve)

1шт.

12

159198A1

ADAPTER

- special

1шт.

13

154503A1

O-RING

- adapter

1шт.

14

163657A1

TUBE ASSY.

TUBE - (from AL1 port of control valve), Start Serial: DAC0401132

1шт.

14

163657A1

TUBE ASSY.

TUBE - (from AL1 port of control valve), Start Serial: DAC0411000

1шт.

14

163657A1

TUBE ASSY.

TUBE - (from AL1 port of control valve), Start Serial: DAC0421000

1шт.

14

163657A1

TUBE ASSY.

TUBE - (from AL1 port of control valve), Start Serial: DAC0431000

1шт.

See Figure 1-2 for explanation of model variations.

1шт.

15

862-10055

HEX SOC SCREW,M10 x 55mm, Cl 12.9

BOLT - hex socket, 10 - 1.5 x 55 mm, class 12.9, used with 163657A1 tube, Start Serial: DAC0401132

4шт.

15

862-10055

HEX SOC SCREW,M10 x 55mm, Cl 12.9

BOLT - hex socket, 10 - 1.5 x 55 mm, class 12.9, used with 163657A1 tube, Start Serial: DAC0411000

4шт.

15

862-10055

HEX SOC SCREW,M10 x 55mm, Cl 12.9

BOLT - hex socket, 10 - 1.5 x 55 mm, class 12.9, used with 163657A1 tube, Start Serial: DAC0421000

4шт.

15

862-10055

HEX SOC SCREW,M10 x 55mm, Cl 12.9

BOLT - hex socket, 10 - 1.5 x 55 mm, class 12.9, used with 163657A1 tube, Start Serial: DAC0431000

4шт.

See Figure 1-2 for explanation of model variations.

1шт.

Выбрано товаров: 27