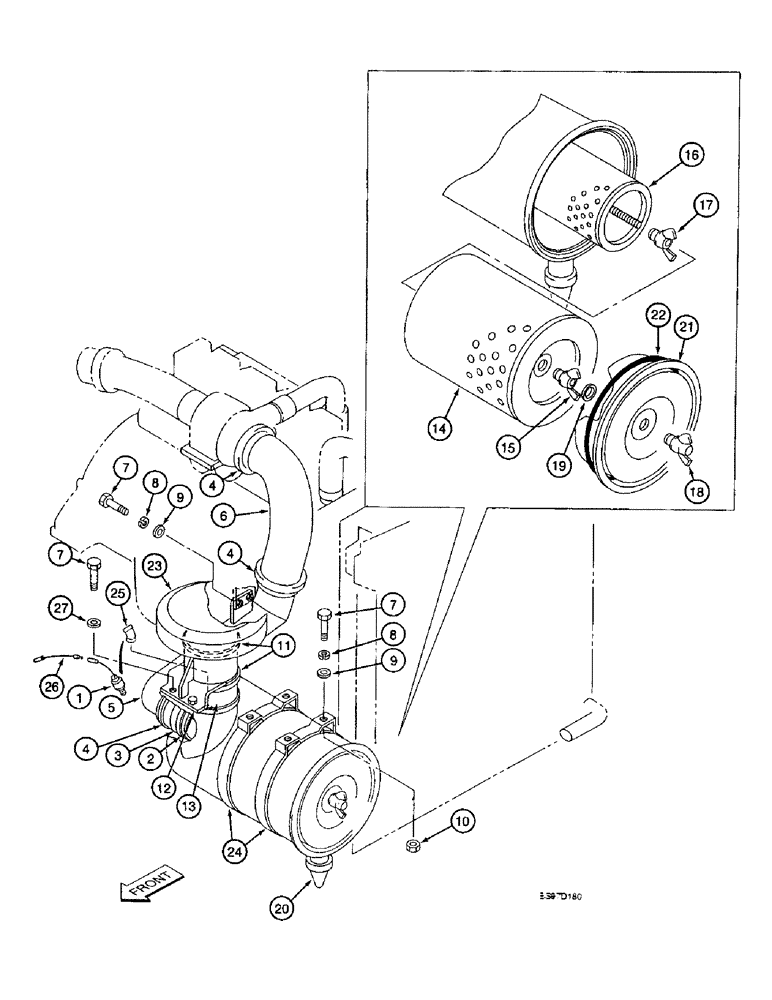
Запчасти Case 9040B (2-10) - AIR CLEANER SYSTEM (02) - ENGINE

Схема запчастей Case 9040B - (2-10) - AIR CLEANER SYSTEM (02) - ENGINE
2
9
20
18
24
26
4
7
14
7
1
8
4
8
5
17
9
27
16
10
6
13
16
3
22
15
4
7
21
11
12
25
23
FIT
1:1
100%

Артикул

Название

Примечание

Количество

1

150042A1

SENSOR

SWITCH - air restriction indicator

1шт.

2

150855A1

HOSE CLAMP,127mm - 146mm

CLAMP - adjustable

1шт.

3

158981A1

AIR FLEXIBLE

HOSE - air, special

1шт.

4

150294A1

CLAMP,95mm - 115mm

CLAMP - adjustable

3шт.

5

158980A1

AIR INTAKE TUBE

PIPE - air inlet, special

1шт.

6

158979A1

AIR FLEXIBLE

HOSE - air, special

1шт.

7

627-10025

BOLT,Hex, M10 x 1.5 x 25mm, Cl 10.9, Full Thd

- hex, full threads, 10 - 1.5 x 25 mm, class 10.9

8шт.

8

892-11010

LOCK WASHER,M10

8шт.

11

150969A1

CLAMP

- air inlet tube

2шт.

12

151466A1

AIR INTAKE TUBE,152.4 mm OD, 190 mm Length

TUBE - air inlet

1шт.

13

151464A1

INTAKE AIR HOSE,152.40 mm ID x 100.00 mm

152.40 mm ID x 100.00 mm

1шт.

151866A1

AIR CLEANER

CLEANER ASSEMBLY - air, Includes: Ref. 14 - 24

1шт.

151393A1

AIR CLEANER

HOUSING - air cleaner, Includes: Ref. 14 - 22

1шт.

14

150783A1

ELEMENT

- outer, air cleaner

1шт.

15

156678A1

NUT

NUT - wing type, with seal

1шт.

16

151397A1

AIR FILTER

ELEMENT - inner, air cleaner

1шт.

17

156679A1

NUT

NUT - wing type, with seal

1шт.

18

156676A1

NUT

- wing type, filter access

1шт.

19

156677A1

CLIP

SPACER - cover mounting

1шт.

20

156680A1

VALVE

CUP - dust

1шт.

21

164582A1

COVER ASSY

COVER - element, air cleaner, filter access

1шт.

22

157236A1

GASKET

- cover

1шт.

23

151415A1

CAP

COVER - air inlet (rain cap)

1шт.

24

150791A1

COLLAR CLAMP

BRACKET - air cleaner mounting

2шт.

25

161710A1

ELBOW

- 45 degree, special

1шт.

26

161711A1

HARNESS

- wiring, air restriction indicator, Serial Range: -DAC04#2001

1шт.

27

150409A1

WASHER

- flat, special, 10.5 x 21 x 3.2 mm

2шт.

10

829-1410

NUT,M10 x 1.5, Cl 10.9

4шт.

9

895-11010

WASHER,11mm ID x 20mm OD x 2mm Thk

- flat, 11 x 20 x 2 mm

8шт.

Выбрано товаров: 29