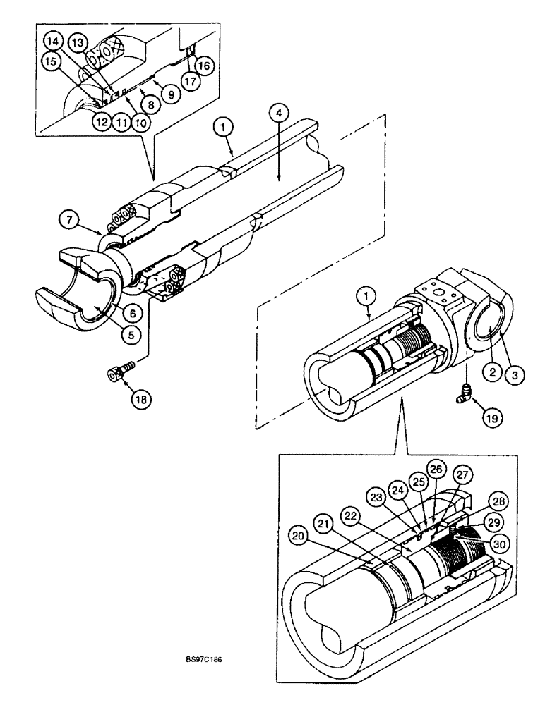
Запчасти Case 9040B (8-168) - BOOM CYLINDERS, MODELS WITH LOAD HOLD OPTION (08) - HYDRAULICS

Схема запчастей Case 9040B - (8-168) - BOOM CYLINDERS, MODELS WITH LOAD HOLD OPTION (08) - HYDRAULICS
26
8
26
12
18
1
19
24
1
11
23
3
28
17
29
15
4
22
6
16
10
5
9
21
2
27
30
13
14
20
7
FIT
1:1
100%

Артикул

Название

Примечание

Количество

162815A1

CYLINDER ASSY.

CYLINDER ASSEMBLY - 130 (5-1/8) ID x 1278 mm (50-3/16 inch) stroke, boom, Includes: Ref. 1 - 30

2шт.

160357A1

PIPE SET

KIT - cylinder tube replacement, Includes: Ref. 1 and 2

1шт.

1

NSS

NOT SOLD SEPARAT

TUBE - cylinder

1шт.

2

155408A1

BUSHING

- cylinder tube

1шт.

3

162962A1

WIPER SEAL

WIPER - pin, at cylinder tube

2шт.

160358A1

SET OF PARTS

KIT - rod replacement, Includes: Ref. 4 and 5

1шт.

4

NSS

NOT SOLD SEPARAT

ROD - cylinder

1шт.

5

155408A1

BUSHING

- cylinder rod

1шт.

6

162962A1

WIPER SEAL

WIPER - pin, at cylinder rod eye

2шт.

160226A1

SEAL KIT

KIT - gland replacement, Includes: Ref. 7 - 9

1шт.

7

160171A1

CYLINDER END CAP

GLAND - cylinder

1шт.

8

160050A1

BUSHING

- gland

1шт.

9

155713A1

RING, SNAP

RING - retaining

1шт.

160123A1

BACK-UP RING

RING ASSEMBLY - buffer, kit, containing the following three parts, Includes: Ref. 10 - 12

1шт.

Part of seal replacement kit P/N 163672A1

1шт.

10

160015A1

BACK-UP RING

RING - slide

1шт.

11

159991A1

BACK-UP RING

RING - backup

1шт.

12

160020A1

RING

- square

1шт.

13

155145A1

RING,90mm ID x 105mm OD x 9mm Thk

SEAL - U-cup

1шт.

Part of seal replacement kit P/N 163672A1

1шт.

14

155249A1

BACK-UP RING

RING - backup

1шт.

Part of seal replacement kit P/N 163672A1

1шт.

15

161877A1

BACK-UP RING

WIPER - piston rod

1шт.

Part of seal replacement kit P/N 163672A1

1шт.

16

154769A1

O-RING

SEAL - gland, gland

1шт.

Part of seal replacement kit P/N 163672A1

1шт.

17

159992A1

BACK-UP RING

RING - backup

1шт.

Part of seal replacement kit P/N 163672A1

1шт.

18

163671A1

BOLT,Hex Skt

BOLT - hex socket, special

12шт.

19

153912A1

LUBE NIPPLE,90 Degree, 1/8"-27 NPT x 21.5mm lg

1шт.

20

160119A1

RING

- cushion

1шт.

21

160125A1

SEAL

- cushion ring

1шт.

Part of seal replacement kit P/N 163672A1

1шт.

22

160215A1

PISTON

- cylinder

1шт.

23

155323A1

SEALING RING

SEAL - piston, two piece

1шт.

Part of seal replacement kit P/N 163672A1

1шт.

24

159993A1

BACK-UP RING

RING - backup

2шт.

Part of seal replacement kit P/N 163672A1

1шт.

25

155320A1

RING

- wear

2шт.

Part of seal replacement kit P/N 163672A1

1шт.

26

155319A1

RING

- wear

2шт.

Part of seal replacement kit P/N 163672A1

1шт.

27

155722A1

SHIM

WASHER - flat, special

1шт.

Part of seal replacement kit P/N 163672A1

1шт.

28

156220A1

NUT

- special

1шт.

29

156223A1

SET SCREW

SCREW - set

1шт.

30

155977A1

BALL

- steel

1шт.

163672A1

SEAL KIT

KIT - seal replacement, Includes: Refs. 13 - 17, 21, 23 - 27 and P/N 160123A1

1шт.

Выбрано товаров: 48