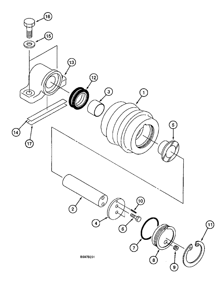
Запчасти Case 9040B (5-16) - TRACK CARRIER ROLLER, ALL MODELS EXCEPT TIMBER KING MODELS (11) - TRACKS/STEERING

Схема запчастей Case 9040B - (5-16) - TRACK CARRIER ROLLER, ALL MODELS EXCEPT TIMBER KING MODELS (11) - TRACKS/STEERING
16
15
8
17
13
10
9
14
11
4
1
6
12
3
7
2
5
FIT
1:1
100%

Артикул

Название

Примечание

Количество

161707A1

ROLLER ASSY.

ROLLER ASSEMBLY - track carrier, Includes: Ref. 1 - 13

4шт.

1

161708A1

TRACK ROLLER

ROLLER - track carrier

1шт.

2

159692A1

WHEEL SHAFT

SHAFT - carrier roller

1шт.

3

158777A1

BUSHING,46mm ID x 50mm OD x 38mm L

- carrier roller, bracket end, fabricated

1шт.

4

159685A1

PLATE, THRUST

RETAINER - roller shaft

1шт.

5

158776A1

BUSHING,46mm ID x 70mm OD x 42mm L

- roller, cover end, fabricated

1шт.

6

627-10016

BOLT,Hex, M10 x 1.5 x 16mm, Cl 10.9, Full Thd

- hex, full threads, 10 - 1.5 x 16 mm, class 10.9

2шт.

7

154667A1

O-RING

- shaft

1шт.

8

161709A1

COVER

- end

1шт.

9

150821A1

PLUG

- port, end cover

1шт.

10

738-1312

LOCK PIN,M3 x 12, Slotted

PIN - roll, 3 x 12 mm

1шт.

11

800-2185

SNAP RING,M85 x 3, Int

RING, SNAP, M85 x 3, Int

1шт.

12

159399A1

SEAL,56mm ID x 76mm OD x 25mm Thk

ASSEMBLY - face, includes two seals and two rings, includes two seals and two rings

1шт.

13

161713A1

CASING, BEARING ROLL

BRACKET - mounting, carrier roller

1шт.

14

150009A1

SHIM

- bracket height, 0.03 inch thick

1шт.

15

150817A1

WASHER,21mm ID x 40mm OD x 4.5mm Thk

- flat, special

8шт.

16

627-20050

BOLT,Hex, M20 x 2.5 x 50mm, Cl 10.9, Full Thd

- hex, full threads, 20 - 2.5 x 50 mm, class 10.9

8шт.

17

162197A1

SHIM

- bracket height, special, replaces 157779A1

1шт.

Выбрано товаров: 18