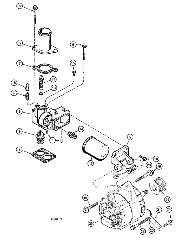
Запчасти Case 9040B (2-52) - THERMOSTAT HOUSING AND ALTERNATOR MOUNTING, 6T-830 ENGINE, PRIOR TO P.I.N. DAC04#2001 (02) - ENGINE

Схема запчастей Case 9040B - (2-52) - THERMOSTAT HOUSING AND ALTERNATOR MOUNTING, 6T-830 ENGINE, PRIOR TO P.I.N. DAC04#2001 (02) - ENGINE
10
12
20
11
1
21
9
5
17
8
13
20
19
18
24
3
22
14
16
7
4
15
23
2
25
6
26
FIT
1:1
100%

Артикул

Название

Примечание

Количество

1

J914310

GASKET,0.8mm Thk

GASKET - thermostat housing

1шт.

2

J928639

THERMOSTAT

THERMOSTAT - engine coolant, replaces J907242 thermostat

2шт.

J926509

HOUSING,Thermostat

HOUSING - thermostat, Includes: Ref. 3 and 4

1шт.

3

NSS

NOT SOLD SEPARAT

HOUSING - thermostat

1шт.

4

180811A1

ROLL PIN

PIN - roll, special

2шт.

5

845-8080

BOLT,Hvy Hex, M8 x 80mm, Cl 8.8

BOLT - heavy hex flange, 8 - 1.25 x 80 mm, thermostat housing to cylinder head

2шт.

6

J912800

CONNECTION

TUBE - water outlet

1шт.

7

J918779

GASKET,1.19mm Thk

GASKET - outlet tube, water

1шт.

8

845-8095

BOLT,Hvy Hex, M8 x 95mm, Cl 8.8

BOLT - heavy hex flange, 8 - 1.25 x 95 mm, outlet tube to thermostat housing

2шт.

9

J918544

SUPPORT

SUPPORT - mounting, alternator

1шт.

10

845-8025

BOLT,Hex Flg, M8 x 25mm, Cl 8.8

BOLT - heavy hex flange, 8 - 1.25 x 25 mm, Alternator support to cylinder head

4шт.

11

J912837

COCK

VALVE - shutoff

1шт.

12

A77544

FILTER

FILTER - water conditioning, precharge

1шт.

13

238-5111

O-RING,0.103" Thk x 0.424" ID, -111, Cl 5, 75 Duro

O-RING, -111, 70 Duro, .424" ID x .103" Thk

1шт.

14

A77623

ADAPTER,3/4" - 10 x 11/16" - 16

ADAPTER - water filter

1шт.

15

845-6010

BOLT,Hvy Hex, M6 x 10mm, Cl 8.8

BOLT, Hex Flg, M6 x 10, 8.8, Full Thd

1шт.

16

J911925

COUPLING

COUPLING - hose

1шт.

17

J911901

VALVE, CHECK

VALVE - check

1шт.

18

854-12060

BOLT,Hvy Hex, M12 x 60mm, Cl 10.9

BOLT - heavy hex flange, 12 - 1.75 x 60 mm, class 10.9, Rear of alternator to support

1шт.

19

854-12050

BOLT,Hvy Hex, M12 x 50mm, Cl 10.9

BOLT, , Front of alternator to support Hex Flg, M12 x 50, 10.9

1шт.

20

829-2312

FLANGE NUT,M12 x 1.75, Flg, Cl 10

NUT - hex flange, 12 mm - 1.75, class 10

2шт.

21

J911485

SUPPORT

BRACE - alternator

1шт.

22

413-820

BOLT,Hex, 1/2" - 13 x 1-1/4", Gr 5

BOLT, , Brace to alternator Hex, 1/2"-13 x 1 1/4", G5, Full Thd

1шт.

23

80679

LOCK WASHER,1/20.507 CST ZND

WASHER, LOCK, 1/2"

1шт.

24

845-8030

BOLT,Hvy Hex, M8 x 30mm, Cl 8.8

BOLT, , Brace to thermostat housing Hex Flg, M8 x 30, 8.8

1шт.

25

1964860C1

ALTERNATOR,24V, 60A, W/O Pulley

ALTERNATOR ASSEMBLY - 24 volt, 65 ampere, see parts list figure 4-2

1шт.

25

1964860C1R

REMAN-ALTERNATOR

9040B CASE CRAWLER EXCAVATOR, ALTERNATOR ASSEMBLY, 24 volt, 65 ampere, 6T-830 ENGINE, PRIOR TO P.I.N. DAC04#2001 (11/94-)

1шт.

25

1964860C1C

CORE-ALTERNATOR

Return Number

1шт.

26

J919391

PULLEY

PULLEY - drive, see parts list figure 4-2

1шт.

Выбрано товаров: 29