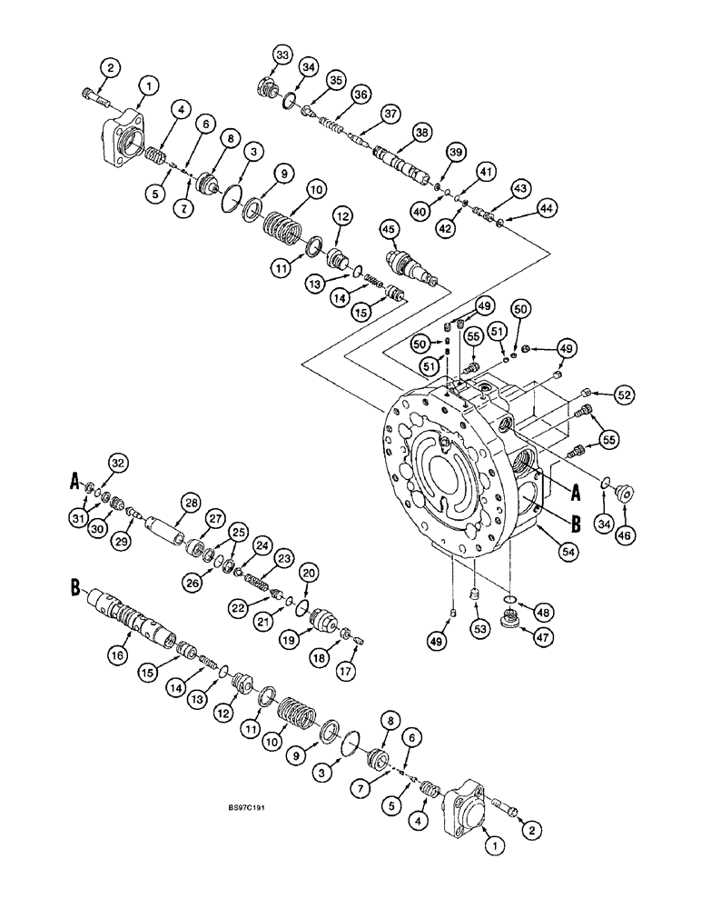
Запчасти Case 9040B (6-20) - TRACK DRIVE MOTOR, BASE PLATE ASSEMBLY AND VALVES, TIMBER KING MODELS (06) - POWER TRAIN

Схема запчастей Case 9040B - (6-20) - TRACK DRIVE MOTOR, BASE PLATE ASSEMBLY AND VALVES, TIMBER KING MODELS (06) - POWER TRAIN
23
5
11
46
41
50
26
8
51
12
37
35
49
1
39
12
53
33
38
31
22
1
11
48
2
9
21
50
16
6
6
10
3
15
4
40
27
8
15
7
49
52
17
4
24
18
51
14
42
36
25
47
3
34
20
19
29
5
14
13
34
32
55
2
55
45
54
13
30
44
9
10
43
7
49
28
FIT
1:1
100%

Артикул

Название

Примечание

Количество

NSS

NOT SOLD SEPARAT

BASE PLATE ASSEMBLY - track drive motor, Includes: Ref. 1 - 55

1шт.

1

NSS

NOT SOLD SEPARAT

CAP - plunger

2шт.

2

861-12040

HEX SOC SCREW,M12 x 40mm, Cl 12.9

SCREW - hex socket 12 - 1.75 x 40 mm, class 12.9

8шт.

3

154589A1

O-RING

- seal, plunger cap

2шт.

Part of motor seal kit P/N 160219A1.

1шт.

4

NSS

NOT SOLD SEPARAT

SPRING - piston, outer

2шт.

5

NSS

NOT SOLD SEPARAT

GUIDE - spring

2шт.

6

NSS

NOT SOLD SEPARAT

SPRING - piston, inner

2шт.

7

NSS

NOT SOLD SEPARAT

BALL - steel

2шт.

8

NSS

NOT SOLD SEPARAT

PISTON - plunger

2шт.

9

160202A1

SPRING SEAT

SEAT - spring

2шт.

10

160261A1

SPRING

- plunger

2шт.

11

156110A1

SPRING SEAT

SEAT - spring

2шт.

12

NSS

NOT SOLD SEPARAT

PLUG - plunger

2шт.

Part of base plate kit P/N 164492A1.

1шт.

13

154495A1

O-RING

- plug

2шт.

Part of motor seal kit P/N 160219A1.

1шт.

Part of base plate kit P/N 164492A1.

1шт.

14

NSS

NOT SOLD SEPARAT

SPRING - check valve

2шт.

Part of base plate kit P/N 164492A1.

1шт.

15

NSS

NOT SOLD SEPARAT

VALVE - check

2шт.

Part of base plate kit P/N 164492A1.

1шт.

16

NSS

NOT SOLD SEPARAT

PLUNGER - valve

1шт.

Part of base plate kit P/N 164492A1.

1шт.

17

164476A1

SET OF SCREWS

SCREW - set

1шт.

18

829-1312

NUT,M12 x 1.75, Cl 10

- hex, 12 mm - 1.75, class 10, Set screw

1шт.

19

NSS

NOT SOLD SEPARAT

PLUG - valve

1шт.

20

155225A1

O-RING

- seal

1шт.

Part of motor seal kit P/N 160219A1.

1шт.

21

155063A1

O-RING

- seal

1шт.

Part of motor seal kit P/N 160219A1.

1шт.

22

NSS

NOT SOLD SEPARAT

GUIDE - spring

1шт.

23

NSS

NOT SOLD SEPARAT

SPRING - free piston

1шт.

24

NSS

NOT SOLD SEPARAT

SEAT - spring

1шт.

25

153977A1

BACK-UP RING

RING - backup

2шт.

Part of motor seal kit P/N 160219A1.

1шт.

26

154495A1

O-RING

- seal

1шт.

Part of motor seal kit P/N 160219A1.

1шт.

27

NSS

NOT SOLD SEPARAT

PISTON - free

1шт.

28

NSS

NOT SOLD SEPARAT

HOUSING - relief

1шт.

29

NSS

NOT SOLD SEPARAT

POPPET - relief housing

1шт.

30

NSS

NOT SOLD SEPARAT

SEAT - poppet

1шт.

31

153964A1

BACK-UP RING

RING - backup

2шт.

Part of motor seal kit P/N 160219A1.

1шт.

32

154479A1

O-RING

- seal

1шт.

Part of motor seal kit P/N 160219A1.

1шт.

33

160536A1

PLUG

- valve

1шт.

34

154487A1

O-RING

- port plug

3шт.

Part of motor seal kit P/N 160219A1.

1шт.

35

160260A1

COLLAR

GUIDE - spring

1шт.

36

160265A1

SPRING

- spool

1шт.

37

NSS

NOT SOLD SEPARAT

SPOOL C - valve

1шт.

Part of base plate kit P/N 164492A1.

1шт.

38

NSS

NOT SOLD SEPARAT

SPOOL A - valve

1шт.

Part of base plate kit P/N 164492A1.

1шт.

39

153937A1

BACK-UP RING

RING - backup

1шт.

Part of base plate kit P/N 164492A1.

1шт.

40

154443A1

O-RING

- seal, replaces 159988A1

1шт.

Part of base plate kit P/N 164492A1.

1шт.

41

154447A1

O-RING

- seal

1шт.

42

153940A1

BACK-UP RING

RING - backup

1шт.

43

160197A1

FILTER

- valve

1шт.

44

160545A1

RING, SNAP

RING - snap

1шт.

45

160148A1

VALVE, PRESSURE RELI

VALVE ASSEMBLY - relief

2шт.

46

155483A1

PLUG

- port

1шт.

47

155483A1

PLUG

- port

2шт.

48

154487A1

O-RING

- port plug

2шт.

Part of motor seal kit P/N 160219A1.

1шт.

49

155497A1

PLUG

- port

10шт.

50

156880A1

ORIFICE

PLUG - orifice, base plate

2шт.

51

NSS

NOT SOLD SEPARAT

ORIFICE - base plate

2шт.

52

151026A1

PLUG

- port

5шт.

53

151030A1

PLUG

- port

1шт.

54

NSS

NOT SOLD SEPARAT

PLATE - base

1шт.

55

863-12090

HEX SOC SCREW,M12 x 90mm, Cl 12.9

BOLT - hex socket, 12 - 1.75 x 90 mm, class 12.9, attaches base plate assembly to track drive motor housing

4шт.

160219A1

SEAL KIT

KIT - seal, motor, includes items 3, 13, 20, 21, 25, 26, 31, 32, 34, 39 - 42 and 48 on this figure and also Refs. 3, 6, 22, 23, 27 and 33 on Figure 6-14

1шт.

164492A1

SET OF PARTS

KIT - base plate, Includes: Ref. 12 - 16, 37 - 44, and also Refs. 1, 5, 34 and 35 on Figure 6-14

1шт.

Выбрано товаров: 77