Запчасти Case 9045B (8-094) - CONTROL VALVE MOUNTING (08) - HYDRAULICS

Схема запчастей Case 9045B - (8-094) - CONTROL VALVE MOUNTING (08) - HYDRAULICS
10
8
9
8
5
6
4
7
3
1
2
10
9
FIT
1:1
100%

Артикул

Название

Примечание

Количество

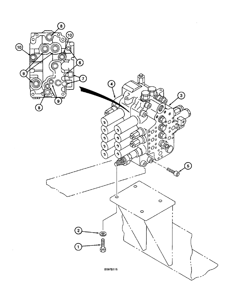
1

627-16045

BOLT,Hex, M16 x 2 x 45mm, Cl 10.9, Full Thd

4шт.

2

150814A1

WASHER,17mm ID x 32mm OD x 4.5mm Thk

- flat, special

4шт.

165062A1

VALVE, CONTROL

VALVE ASSEMBLY - control, parts list Figure 8-94 - 8-108, Includes: Ref. 3 - 10

1шт.

3

NSS

NOT SOLD SEPARAT

SECTION ASSEMBLY - 4 spool, control valve, parts list Figures 8-96 and 8-98

1шт.

4

NSS

NOT SOLD SEPARAT

SECTION ASSEMBLY - 5 spool, control valve, parts list Figures 8-100 - 8-104

1шт.

5

156169A1

BOLT

BOLT - hex socket

8шт.

6

155087A1

O-RING

- port, between sections

3шт.

7

154491A1

O-RING

- port, between sections

2шт.

8

154528A1

O-RING

- port, between sections

2шт.

9

159971A1

O-RING

- port, between sections

7шт.

10

159972A1

O-RING

- port, between sections

2шт.

Выбрано товаров: 11