Запчасти Case 9045B (9-042) - HEATER AND HOSES (09) - CHASSIS

Схема запчастей Case 9045B - (9-042) - HEATER AND HOSES (09) - CHASSIS
7
10
14
17
7
8
8
6
4
8
6
3
2
19
15
4
15
7
1
12
5
4
18
13
1a
15
2
6
11
2
15
3
9
15
3
16
15
FIT
1:1
100%

Артикул

Название

Примечание

Количество

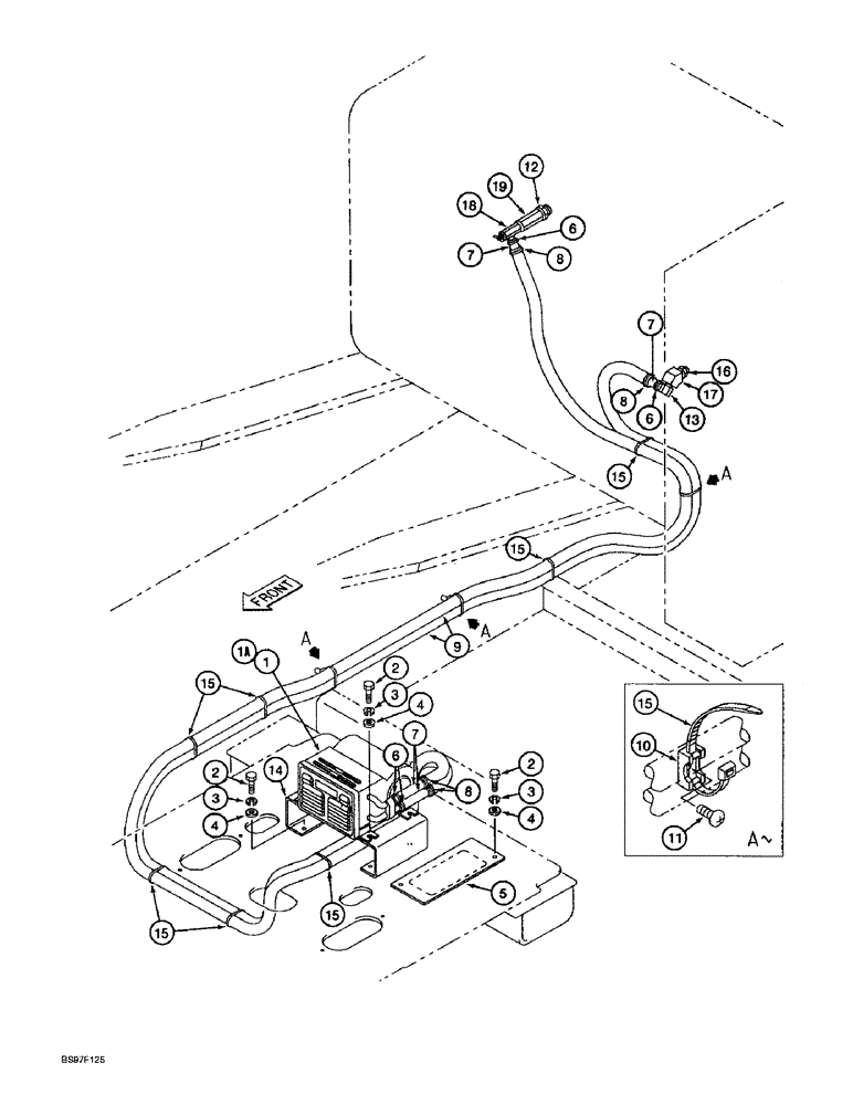
1

152815A1

HEATER,Assembly, Cab

HEATER - cab, Includes: Ref. 1A

1шт.

1a

163619A1

MOTOR, ELECTRIC

MOTOR - electric, cab heater blower

1шт.

2

627-10020

BOLT,Hex, M10 x 1.5 x 20mm, Cl 10.9, Full Thd

- hex, full threads, 10 - 1.5 x 20 mm, class 10.9

10шт.

3

892-11010

LOCK WASHER,M10

10шт.

5

159950A1

COVER

- cab floor

1шт.

6

150384A1

COLLAR

CLAMP - adjustable

4шт.

7

151233A1

HOSE,13.00 mm ID x 3400.00 mm

- heater return and supply 13.00 mm ID x 3400.00 mm

2шт.

8

150067A1

MOUNTING CLIP

STRAP - tie, 150 mm long

4шт.

9

157921A1

PLASTIC-RUBBER TUBE,22 mm ID, 27 mm OD, 3300 mm Length

SLEEVE - corrugated, 3300 mm (130 inch) long

2шт.

10

150860A1

COLLAR

BRACKET - support

3шт.

11

840-168

SCREW,Pan, M6 x 1 x 8mm, Cl 4.8

- machine, pan Phillips, 6 - 1.0 x 8 mm

3шт.

12

151588A1

BUSHING

ADAPTER - straight, special

1шт.

13

150383A1

ELBOW

- 90 degree, special

1шт.

14

161721A1

SUPPORT

BRACKET - mounting, heater

1шт.

15

150496A1

MOUNTING CLIP

STRAP - tie, 250 mm long

9шт.

16

151697A1

NIPPLE, LUBE

NIPPLE - special

1шт.

17

153587A1

HYDROMETER

ELBOW - 45 degree, special

1шт.

18

152664A1

VALVE

- water shut-off

1шт.

19

151110A1

BUSHING

- reducer

1шт.

4

895-11010

WASHER,11mm ID x 20mm OD x 2mm Thk

- flat, 11 x 20 x 2 mm

10шт.

Выбрано товаров: 20