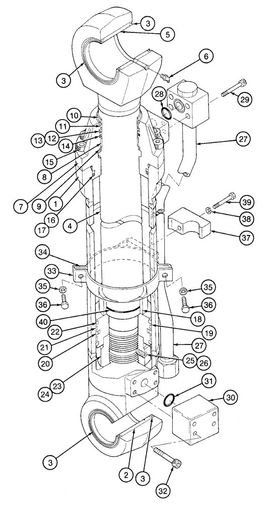
Запчасти Case 9050 (8-84) - ARM CYLINDER (08) - HYDRAULICS

Схема запчастей Case 9050 - (8-84) - ARM CYLINDER (08) - HYDRAULICS
FIT
1:1
100%

Артикул

Название

Примечание

Количество

151155A1

CYLINDER ASSY.

6-1/4 (160) ID x 68-1/4 inch (1733 mm) stroke, Includes: Ref. 1 - 40

1шт.

155889A1

HYD TUBE

Includes: Ref. 1 & 2

1шт.

1

NSS

NOT SOLD SEPARAT

TUBE cylinder

1шт.

2

155427A1

BUSHING

1шт.

3

155152A1

BACK-UP RING

WIPER, Mounting pin

4шт.

155887A1

PISTON ROD

Includes: Ref. 4 & 5

1шт.

4

NSS

NOT SOLD SEPARAT

ROD cylinder

1шт.

5

155427A1

BUSHING

1шт.

6

153912A1

LUBE NIPPLE,90 Degree, 1/8"-27 NPT x 21.5mm lg

1шт.

155884A1

HYDRAULIC CYLINDER

GLAND, Includes: Ref. 7 - 9

1шт.

7

NSS

NOT SOLD SEPARAT

GLAND cylinder

1шт.

8

155428A1

BUSHING

Gland

1шт.

9

155704A1

RING, SNAP

RING SNAP Retaining, Gland bushing

1шт.

10

155127A1

WIPER SEAL

WIPER - Piston rod

1шт.

11

155339A1

RING

piston rod

1шт.

Part of Seal Kit P/N 156002A1

1шт.

12

155237A1

BACK-UP RING

U-cup seal

1шт.

Part of Seal Kit P/N 156002A1

1шт.

13

155114A1

RING

U-cup, Piston rod

1шт.

Part of Seal Kit P/N 156002A1

1шт.

14

155153A1

SEALING RING

buffer piston rod

1шт.

Part of Seal Kit P/N 156002A1

1шт.

15

156232A1

BOLT,Hex Skt

Hex socket, Special

8шт.

16

155242A1

BACK-UP RING

Gland seal

1шт.

Part of Seal Kit P/N 156002A1

1шт.

17

154812A1

O-RING,149.6mm ID x 5.7mm Width

gland to tube

1шт.

Part of Seal Kit P/N 156002A1

1шт.

18

155734A1

RING

Cushion

1шт.

19

155982A1

JACK PISTON

cylinder

1шт.

20

155344A1

SEALING RING

piston

1шт.

Part of Seal Kit P/N 156002A1

1шт.

21

155340A1

RING

Wear, Piston, Inner

2шт.

Part of Seal Kit P/N 156002A1

1шт.

22

155341A1

RING

Wear, Piston, Outer

2шт.

Part of Seal Kit P/N 156002A1

1шт.

23

155733A1

SHIM

Washer - Special

1шт.

Part of Seal Kit P/N 156002A1

1шт.

24

156230A1

NUT

Piston retaining

1шт.

25

155981A1

BALL

Steel, Nut locking

1шт.

26

156228A1

SET SCREW

Special

1шт.

27

155537A1

HYD TUBE

hydraulic gland end

1шт.

28

154579A1

O-RING

hydraulic tube

1шт.

29

156231A1

BOLT

hex socket, special

4шт.

30

155542A1

JOINT

BLOCK coupling hydraulic line

1шт.

31

154543A1

O-RING

, Serial Range: O-RING-tube

1шт.

32

863-12090

HEX SOC SCREW,M12 x 90mm, Cl 12.9

hex socket, 12 - 1.75 x 90 mm, class 12.9

4шт.

33

156390A1

BAND

plain half

1шт.

34

156393A1

CLAMP

band tube support half

1шт.

35

156227A1

WASHER

lock, special

2шт.

36

627-10035

BOLT,Hex, M10 x 1.5 x 35mm, Cl 10.9, Full Thd

2шт.

37

155736A1

HALF-FLANGE

tube

1шт.

38

153623A1

SPRING WASHER

lock, special

1шт.

39

153910A1

BOLT,High Strength, Hex, M14 x 80mm

hex, special

1шт.

40

155346A1

SEALING RING

rod to cushion bearing

1шт.

156002A1

SEAL KIT

seal, Includes: Ref. 10-14, 16, 17 and 20-23

1шт.

Выбрано товаров: 55