Качественные детали и логистика
Оригинальные и аналоговые запчасти с доставкой по России, Казахстану и Беларуси
©2022 PartSell ООО "Система" ИНН 2463123282 ОГРН 1212400004838
Центральный офис: г. Красноярск, Академика Киренского, д.87, пом.4
Телефон: 8 (800) 777-65-74 Email: zakaz@partsell.ru
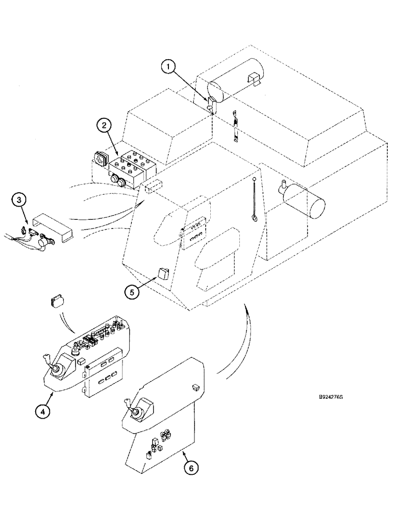
(1-12) - PICTORIAL INDEX, BASIC ELECTRICAL COMPONENTS
№
Артикул
Название
Примечание
Количество
1
Hydaulic Oil Temerature Switch, Page 4-9
1шт.
2
Batteries And Fluid Level Sensor, Page 4-11
3
Relays, Page 4-9
4
Right-Hand Console Electric, Page 4-15
5
Two Speed Travel Button, Page 4-9
6
Hose At Control Valve To Radiator, Page 8-13
Выбрано товаров: 0