Запчасти Case 9050 (9-24) - RIGHT-HAND CONTROL LINKAGE (09) - CHASSIS

Схема запчастей Case 9050 - (9-24) - RIGHT-HAND CONTROL LINKAGE (09) - CHASSIS
FIT
1:1
100%

Артикул

Название

Примечание

Количество

152122A1

BOX

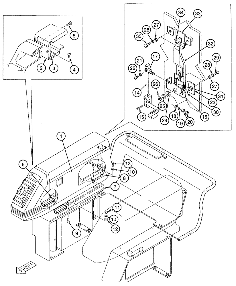
CONSOLE, control, right-hand, Includes: Ref. 1 - 35

1шт.

1

151788A1

BOX

CONSOLE, control right-hand

1шт.

2

151779A1

BRACKET

end cover mounting

1шт.

3

151775A1

COVER

top end right-hand console

1шт.

4

151159A1

SCREW,Truss Hd, M4 x 12mm

special

2шт.

5

152025A1

SCREW,Phil Truss Hd, M3 x 5mm

truss head, special

2шт.

6

152670A1

RAIL

slide right-hand outer

1шт.

7

152669A1

RAIL

slide right-hand inner

1шт.

8

152406A1

BRACKET

mounting

1шт.

10

892-11008

LOCK WASHER,8mm ID

8шт.

11

829-1408

NUT,Hex, M8 x 1.25, Cl 10.9

4шт.

12

150409A1

WASHER

flat, special, 10.5 x 21 x 3.2 mm

4шт.

13

627-8016

BOLT,Hex, M8 x 1.25 x 16mm, Cl 10.9, Full Thd

Full Thd

4шт.

14

151972A1

CABLE

latch

1шт.

15

153077A1

COTTER PIN

CLIP hair type

1шт.

16

151948A1

LINK

console latch

1шт.

17

151964A1

SPECIAL PIN

1шт.

18

151372A1

WAVE WASHER

special

1шт.

19

895-11005

WASHER,5.5mm ID x 10mm OD x 1mm Thk

1шт.

20

825-1405

NUT,M5, Cl 8

2шт.

21

892-11003

LOCK WASHER,M3

lock, 3 mm

1шт.

22

840-1316

SCREW,Pan, M3 x 16mm, Cl 4.8

1шт.

23

151956A1

BRACKET

link mounting

1шт.

24

151389A1

WAVE WASHER

special

1шт.

25

895-11010

WASHER,11mm ID x 20mm OD x 2mm Thk

flat, 11 x 21 x 2 mm

1шт.

26

800-1110

SNAP RING,M10, Ext

Retaining

1шт.

27

895-11006

WASHER,6.6mm ID x 12mm OD x 1.6mm Thk

5шт.

28

892-11006

LOCK WASHER,M6

5шт.

29

840-1612

SCREW,Pan, M6 x 12mm, Cl 4.8

2шт.

30

151358A1

SPECIAL PIN

spring tension

1шт.

31

151364A1

SPRING

latch rod

1шт.

32

152126A1

ROD

threaded

1шт.

33

151348A1

HANDLE

top cover

1шт.

34

733-2012

COTTER PIN,M2 x 12

1шт.

35

627-6012

BOLT,Hex, M6 x 1 x 12mm, Cl 10.9, Full Thd

3шт.

9

627-8025

BOLT,Hex, M8 x 1.25 x 25mm, Cl 10.9, Full Thd

4шт.

Выбрано товаров: 36