Запчасти Case 9050 (2-02) - ENGINE, MOUNTING AND ADAPTING PARTS (02) - ENGINE

Схема запчастей Case 9050 - (2-02) - ENGINE, MOUNTING AND ADAPTING PARTS (02) - ENGINE
FIT
1:1
100%

Артикул

Название

Примечание

Количество

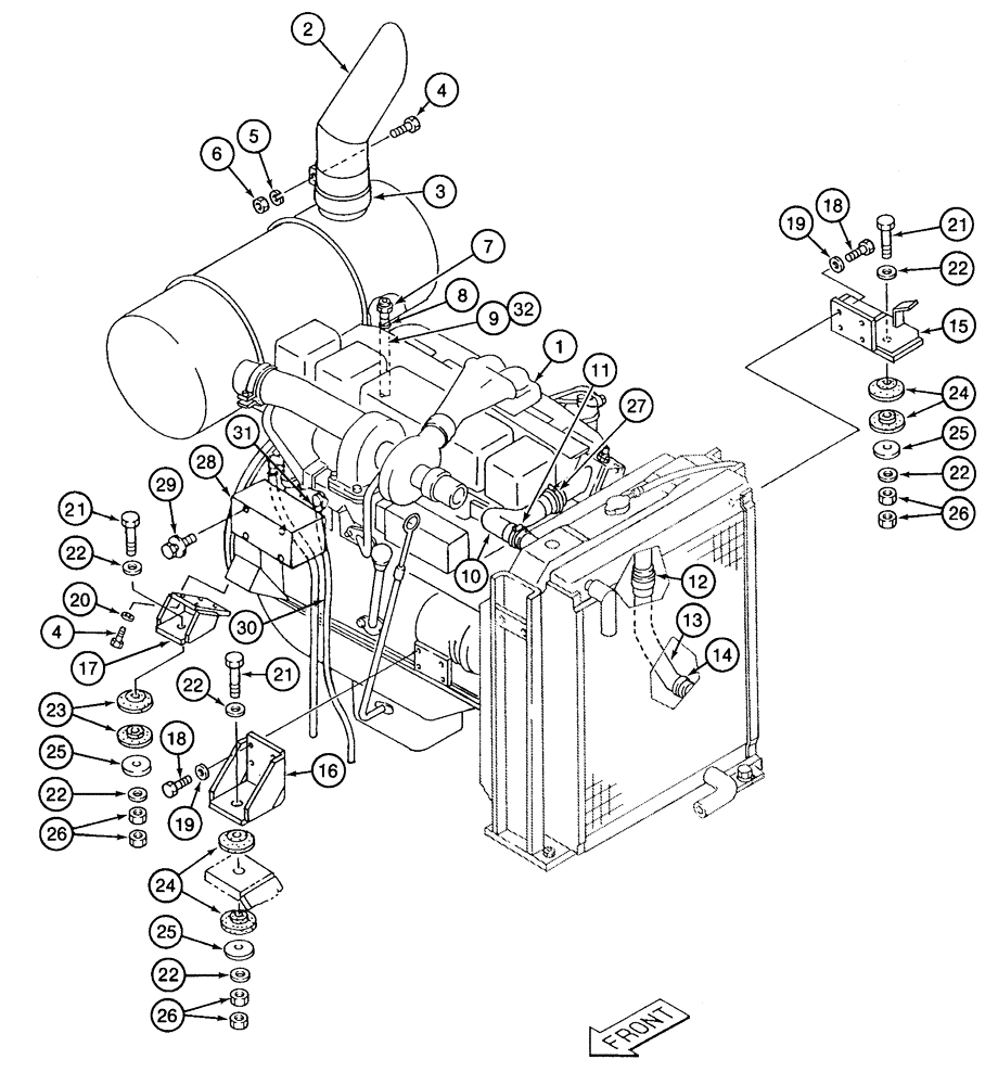
1

151836A1

ENGINE ASSEMBLY

SPARE PART excavator, parts list Figures 2-10 - 2-56, 3-8 - 3-18, and 4-2 - 4-6

1шт.

2

151576A1

PIPE

exhaust

1шт.

3

151579A1

CLAMP

exhaust, Serial Range: pipe-muffler

1шт.

4

627-12035

BOLT,Hex, M12 x 1.75 x 35mm, Cl 10.9, Full Thd

Full Thd

9шт.

5

892-11012

LOCK WASHER,M12

1шт.

6

829-1412

NUT,M12, Cl 10.9

1шт.

7

151252A1

NIPPLE, LUBE

NIPPLE straight

1шт.

8

153041A1

COLLAR

tube

1шт.

9

150668A1

TUBE

muffler drain

1шт.

10

151213A1

RADIATOR HOSE,60.00 mm ID, 68.00 mm ID x 240.00 mm

radiator to engine, upper

1шт.

11

153055A1

CLAMP

hose, was 152796A1

1шт.

12

157718A1

CLAMP

wire-type hose, was 150736A1

1шт.

13

151221A1

RADIATOR HOSE,60.00 mm ID, 68.00 mm ID x 500.00 mm

engine to radiator, lower

1шт.

14

153055A1

CLAMP

hose, was 152796A1

1шт.

15

151764A1

ENGINE MOUNT

engine mounting left-hand rear

1шт.

16

151204A1

ENGINE MOUNT

engine mounting left-hand front

1шт.

17

151207A1

ENGINE MOUNT

engine mounting right-hand front and rear

2шт.

18

151387A1

SPECIAL BOLT,High Strength, Hex

hex

8шт.

19

150418A1

WASHER

flat, special

8шт.

20

150811A1

WASHER

flat, special 12 mm

8шт.

21

827-20130

BOLT,Hex, M20 x 2.5 x 130mm, Cl 10.9

4шт.

22

150817A1

WASHER,21mm ID x 40mm OD x 4.5mm Thk

flat, special

8шт.

23

150877A1

RUBBER WASHER

rubber engine mounting, right-hand side

4шт.

24

150879A1

RUBBER WASHER

rubber engine mounting, left-hand side

4шт.

25

150874A1

WASHER

special

4шт.

26

829-1420

NUT,M20, Cl 10

8шт.

27

157717A1

CLAMP hose, was 152796A1

1шт.

28

158225A1

COVER hose and fitting

1шт.

29

152718A1

BOLT,Spcl, Hex Wshr, M12 x 25mm, Cl 10.9

special

1шт.

30

158429A1

HOSE

25-5/8 inch (650 mm) long

1шт.

31

158430A1

CLAMP

special

1шт.

32

150067A1

MOUNTING CLIP

tie 150 mm long

1шт.

Выбрано товаров: 32