Запчасти Case 9050 (2-04) - RADIATOR, MOUNTING AND COOLANT OVERFLOW RESERVOIR (02) - ENGINE

Схема запчастей Case 9050 - (2-04) - RADIATOR, MOUNTING AND COOLANT OVERFLOW RESERVOIR (02) - ENGINE
FIT
1:1
100%

Артикул

Название

Примечание

Количество

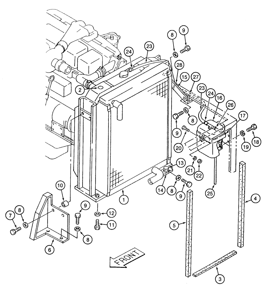
1

151886A1

RADIATOR

engine and transmission oil cooling, parts list Figure 2-6

1шт.

2

151885A1

DECAL

LABEL - coolant

1шт.

3

151915A1

SEAL

PAD insulation lower

1шт.

4

151907A1

SEAL

PAD insulation rear side

1шт.

5

151903A1

SEAL

PAD insulation front side

1шт.

6

151894A1

BRACKET

radiator mounting front

1шт.

7

827-12050

BOLT,Hex, M12 x 1.75 x 50mm, Cl 10.9

2шт.

8

150811A1

WASHER

flat, special 12 mm

8шт.

9

627-12030

BOLT,Hex, M12 x 1.75 x 30mm, Cl 10.9, Full Thd

Full Thd

6шт.

10

151899A1

SPACER

bracket mounting

2шт.

11

627-16030

BOLT,Hex, M16 x 2 x 30mm, Cl 10.9, Full Thd

4шт.

12

150814A1

WASHER,17mm ID x 32mm OD x 4.5mm Thk

flat, special

4шт.

13

627-16055

BOLT,Hex, M16 x 2 x 55mm, Cl 10.9, Full Thd

Hex, M16 x 55, 10.9, Full Thd

1шт.

14

151941A1

BRACKET

radiator mounting bottom rear

1шт.

15

151076A1

STAY

STRAP radiator mounting upper rear

1шт.

16

150021A1

RESERVOIR, COOLANT E

coolant recovery, Includes: Ref. 16A

1шт.

16a

150032A1

LIMIT SWITCH

limit low coolant, not shown

1шт.

17

150465A1

HOLDER

STRAP mounting, reservoir

1шт.

18

627-10025

BOLT,Hex, M10 x 1.5 x 25mm, Cl 10.9, Full Thd

2шт.

19

892-11010

LOCK WASHER,M10

2шт.

20

627-8020

BOLT,Hex, M8 x 1.25 x 20mm, Cl 10.9, Full Thd

Full threads

1шт.

21

892-11008

LOCK WASHER,8mm ID

1шт.

22

829-1408

NUT,Hex, M8 x 1.25, Cl 10.9

1шт.

23

150487A1

HOSE

47-1/4 inch (1200 mm) long, Serial Range: radiator-reservoir

1шт.

24

153042A1

CLAMP

adjustable

2шт.

25

150068A1

HOSE

Overflow Reservoir

1шт.

26

153040A1

COLLAR

wire type

1шт.

27

150401A1

PLASTIC-RUBBER TUBE,13 mm ID, 17.5 mm OD, 1000 mm Length

corrugated 39-3/8 inch (1000 mm) long

1шт.

28

150067A1

MOUNTING CLIP

tie 150 mm long if used

1шт.

Выбрано товаров: 29