Запчасти Case 9050 (2-20) - TURBOCHARGER SYSTEM (02) - ENGINE

Схема запчастей Case 9050 - (2-20) - TURBOCHARGER SYSTEM (02) - ENGINE
FIT
1:1
100%

Артикул

Название

Примечание

Количество

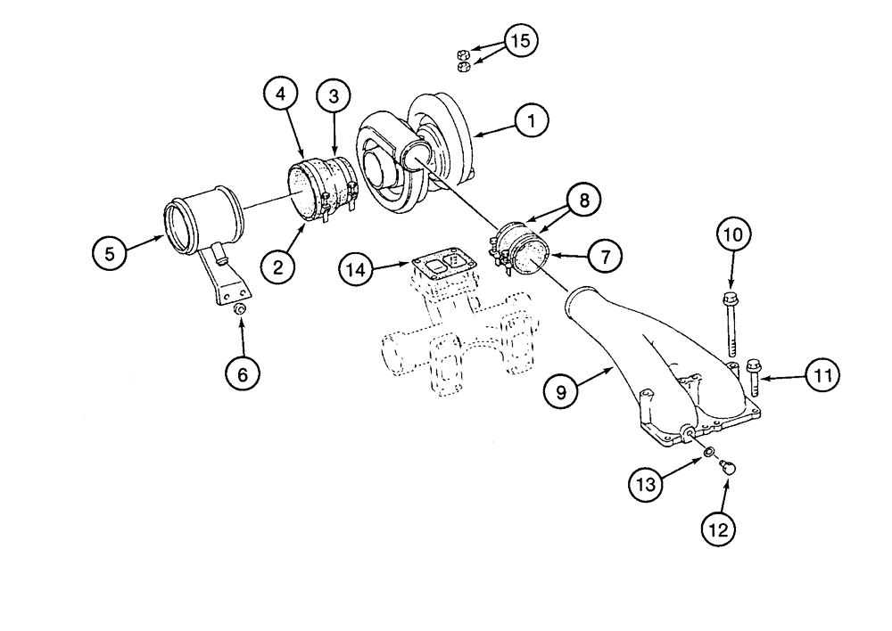
1

134925A1

ASSEMBLY

TURBOCHARGER engine parts list Figure 2-22

1шт.

2

134959A1

HOSE

3-3/4 inch (95 mm) long turgocharger inlet

1шт.

3

134980A1

CLAMP

special 76 mm diameter hose

1шт.

4

134979A1

HOSE CLAMP

101 mm diameter

1шт.

5

134931A1

COUPLING

air inlet hose

1шт.

6

132623A1

WASHER

flat 10.5 mm

2шт.

7

134958A1

HOSE

2-1/2 inch (65 mm) long

1шт.

8

134981A1

CLAMP

adj 60 - 80 mm adjustable

2шт.

9

134940A1

LARGE HOSE

HOSE,LARGE turbocharger to inlet manifold

1шт.

10

134966A1

BOLT,Spcl, Hex Flg, M10 x 120mm

hex flange 10 x 120 mm

4шт.

10

134966A1

BOLT,Spcl, Hex Flg, M10 x 120mm

hex flange 10 x 120 mm

4шт.

11

134970A1

BOLT,Hex Flg, M10 x 55mm

hex flange 10 x 55 mm

4шт.

12

132317A1

PLUG

10 mm

1шт.

13

132342A1

GASKET

10 mm

1шт.

14

134960A1

GASKET

turbocharger

1шт.

15

134957A1

NUT

hex 10 mm

8шт.

Выбрано товаров: 16