Запчасти Case 9050 (3-02) - FUEL TANK (03) - FUEL SYSTEM

Схема запчастей Case 9050 - (3-02) - FUEL TANK (03) - FUEL SYSTEM
FIT
1:1
100%

Артикул

Название

Примечание

Количество

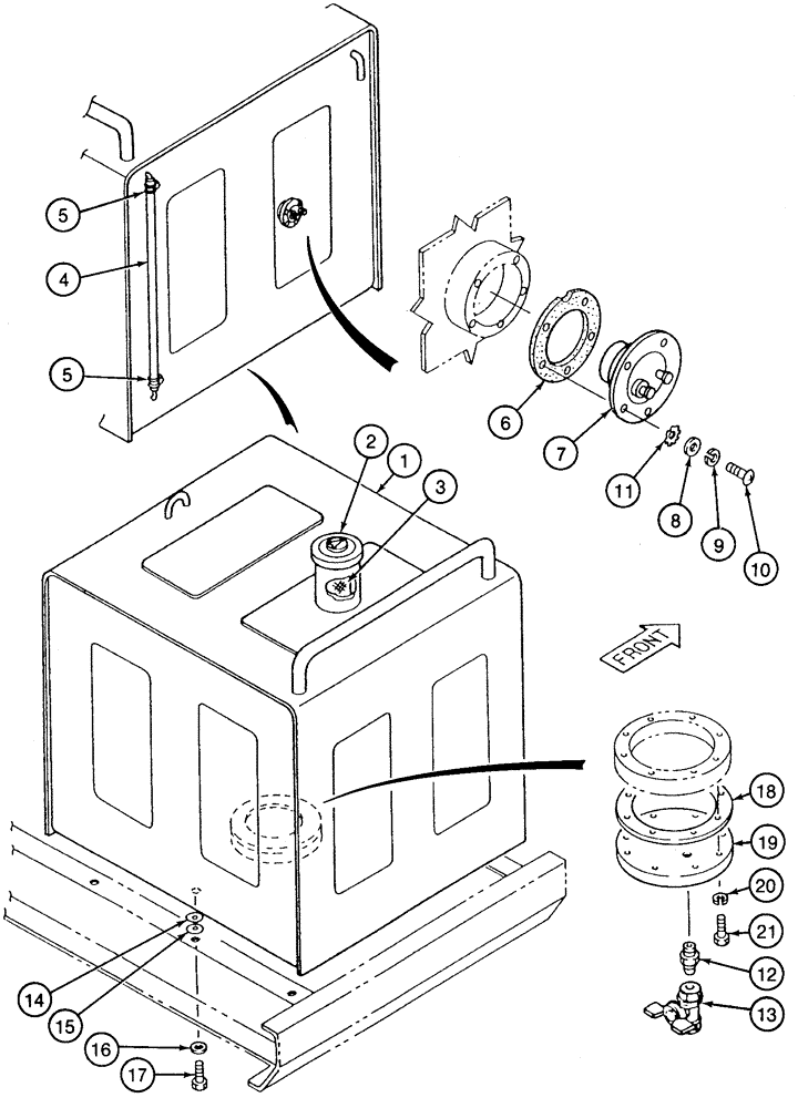
1

151184A1

FUEL TANK

1шт.

2

150492A1

LOCKABLE FUEL CAP

fuel tank, Includes: Ref. 2A

1шт.

2a

163804A1

GASKET

special cap, not shown

1шт.

3

150146A1

FILTER

fuel tank

1шт.

4

151097A1

PLASTIC-RUBBER TUBE,9.5 mm ID, 14.5 mm OD, 615 mm Length

GAUGE sight fuel tank

1шт.

5

150162A1

CLAMP

tube

2шт.

6

152591A1

GASKET,2mm Thk

fuel level sender

1шт.

7

152111A1

SENSOR

fuel level

1шт.

8

895-11005

WASHER,5.5mm ID x 10mm OD x 1mm Thk

5шт.

9

892-11005

LOCK WASHER,M5

5шт.

10

840-1512

SCREW,Pan, M5 x 12mm, Gr 4.8

machine, pan Phillips, 5 - 0.8 x 12 mm

5шт.

11

893-11005

LOCK WASHER,Ext Tooth, M5

1шт.

12

150847A1

HYD CONNECTOR

CONNECTOR straight fuel tank to drain valve

1шт.

13

158923A1

DRAIN VALVE

was 157802A1

1шт.

14

150166A1

SHIM

1/32 inch (0.8 mm) thick

1шт.

15

150479A1

SHIM

5/64 inch (2.0 mm) thick

1шт.

16

153357A1

SPACER

tank mounting

6шт.

17

828-16060

BOLT,Hex, M16 x 2 x 60mm, Cl 10.9

6шт.

18

151322A1

GASKET,3mm Thk

fuel tank bottom

1шт.

19

151320A1

COVER

access, fuel tank drain

1шт.

20

892-10010

LOCK WASHER,10.4mm ID x 18.1mm OD x 3.5mm Thk

8шт.

21

628-10025

BOLT,Hex, M10 x 1.5 x 25mm, Cl 10.9, Full Thd

8шт.

Выбрано товаров: 22