Запчасти Case 9050 (3-16) - FUEL FILTER AND HOSES (03) - FUEL SYSTEM

Схема запчастей Case 9050 - (3-16) - FUEL FILTER AND HOSES (03) - FUEL SYSTEM
FIT
1:1
100%

Артикул

Название

Примечание

Количество

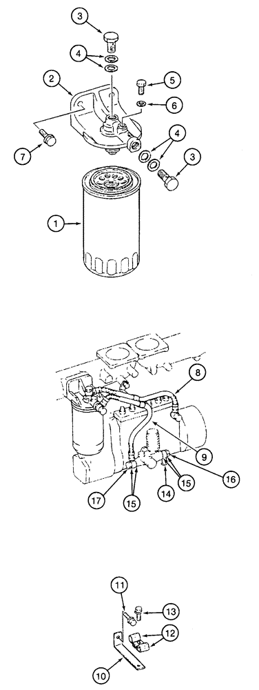
133398A1

FILTER, FUEL

Includes: Ref. 1 - 6

1шт.

1

MIT151193A1

FILTER, FUEL

ELEMENT, FILTER KIT

1шт.

2

133399A1

HEAD ASSY.

BASE fuel filter

1шт.

3

H412429

BANJO BOLT

BOLT, EYE hex, banjo 14 x 26 mm

2шт.

4

133378A1

GASKET

GASKET special bolt

4шт.

5

240107A1

PLUG

hex 8 mm

1шт.

6

133379A1

GASKET

special 8 mm

1шт.

7

133387A1

BOLT,Hex Flg, M10 x 20mm

hex flange 10 x 10 mm

2шт.

7

132500A1

BOLT,Hex Flg, M10 x 25mm

hex flange 10 x 25 mm

2шт.

8

133412A1

FUEL HOSE

17-3/4 inch (450 mm) long

1шт.

9

133411A1

FUEL HOSE

19 inch (480 mm) long

1шт.

10

133406A1

SUPPORT

fuel line clamp

1шт.

11

132289A1

BOLT,Hex Flg, M10 x 16mm

hex, flange 10 x 16 mm

1шт.

12

133383A1

CLIP

hose 16 mm fuel line

2шт.

13

132373A1

BOLT,Hex Flg, M6 x 12mm

hex flange 6 x 12 mm

1шт.

14

133407A1

FITTING

banjo, includes screen fuel

1шт.

15

133455A1

GASKET

banjo bolt

4шт.

16

134620A1

EYEBOLT

BOLT, EYE banjo hex feed pump inlet

1шт.

17

133451A1

BOLT

BOLT, EYE banjo hex feed pump outlet

1шт.

Выбрано товаров: 19