Запчасти Case 9050 (4-16) - LEFT-HAND CONSOLE AND HARNESS (04) - ELECTRICAL SYSTEMS

Схема запчастей Case 9050 - (4-16) - LEFT-HAND CONSOLE AND HARNESS (04) - ELECTRICAL SYSTEMS
FIT
1:1
100%

Артикул

Название

Примечание

Количество

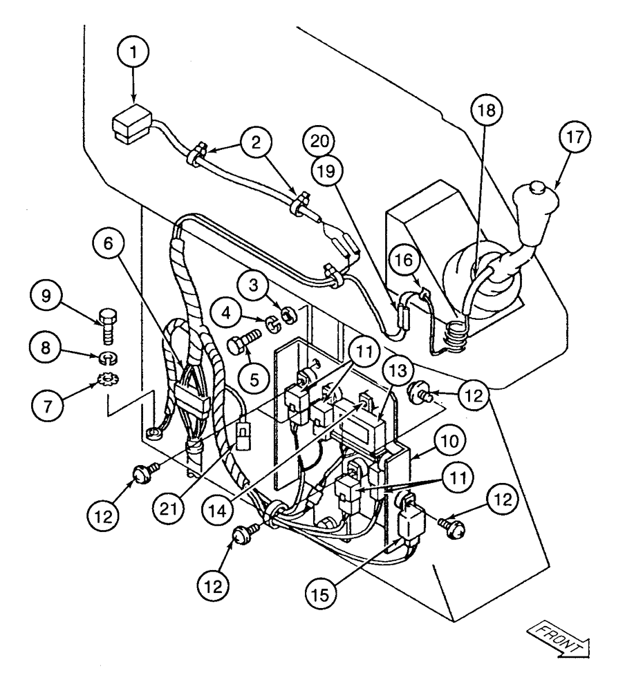
1

150857A1

SWITCH

limit pilot controls

1шт.

2

150067A1

MOUNTING CLIP

tie 150 mm long

1шт.

3

895-11010

WASHER,11mm ID x 20mm OD x 2mm Thk

flat 11 x 21 x 2 mm

3шт.

4

892-11010

LOCK WASHER,M10

3шт.

5

627-10020

BOLT,Hex, M10 x 1.5 x 20mm, Cl 10.9, Full Thd

3шт.

6

152075A1

HARNESS

left-hand console

1шт.

7

893-11010

LOCK WASHER,Ext Tooth, M10

1шт.

8

892-11010

LOCK WASHER,M10

1шт.

9

627-10020

BOLT,Hex, M10 x 1.5 x 20mm, Cl 10.9, Full Thd

1шт.

10

152768A1

BOX

BRACKET mounting

1шт.

11

152711A1

RELAY

electrical cushion, wiper and engine stop

4шт.

12

152098A1

CAPTIVE WASHER SCREW,Phil Pan Hd, M5 x 10mm

pan head, special

5шт.

13

152696A1

TIME-WATCH

electrical engine stop

1шт.

14

152098A1

CAPTIVE WASHER SCREW,Phil Pan Hd, M5 x 10mm

pan head, special

1шт.

15

152706A1

RELAY

electrical intermit wiper

1шт.

16

150563A1

CLIP

wire

1шт.

17

151613A1

KNOB

control left-hand controller

1шт.

18

151031A1

TUBE,3.6 mm ID, 200 mm Length

vinyl 7-7/8 inch (200 mm) long

1шт.

19

150089A1

TERMINAL CONNECTOR

electrical

1шт.

20

150094A1

TERMINAL CONNECTOR

electrical

1шт.

21

150369A1

DIODE

electrical

1шт.

Выбрано товаров: 21