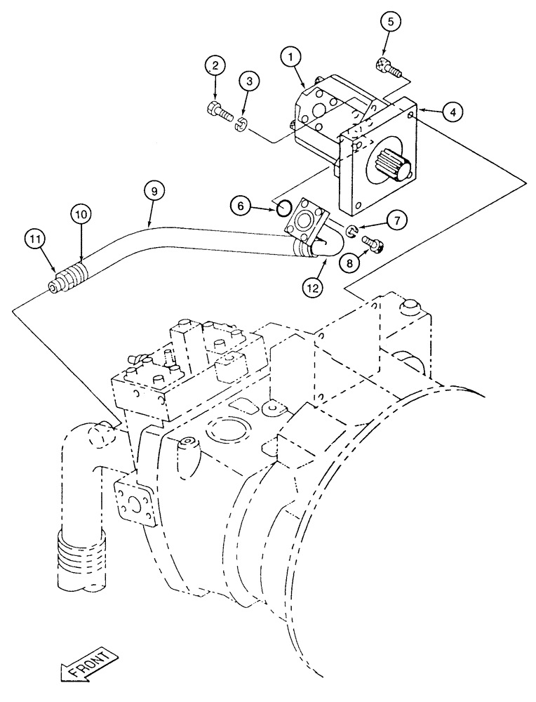
Запчасти Case 9050 (8-05A) - AUXILIARY HYDRAULIC PUMP, AND SUCTION LINE, FOR TIMBER KING MODELS (08) - HYDRAULICS

Схема запчастей Case 9050 - (8-05A) - AUXILIARY HYDRAULIC PUMP, AND SUCTION LINE, FOR TIMBER KING MODELS (08) - HYDRAULICS
FIT
1:1
100%

Артикул

Название

Примечание

Количество

157457A1

PUMP

gear, Includes: Ref. 1 - 5, Serial Range: -DAC0500117

1шт.

160662A1

PUMP

gear, Includes: Ref. 1 - 5, Start Serial: DAC0500117

1шт.

1

157458A1

GEAR

PUMP, auxiliary

1шт.

2

626-12030

BOLT,Hex, M12 x 1.75 x 30mm, Cl 10.9, Full Thd

hex, full threads 12 - 1.75 x 30 mm, class 10.9

4шт.

3

892-10012

LOCK WASHER,M12

4шт.

4

158769A1

GEAR

adapter pump, Serial Range: -DAC0500117

1шт.

4

162275A1

GEAR

adapter pump, Start Serial: DAC0500117

1шт.

5

863-12035

HEX SOC SCREW,M12 x 35mm, Cl 12.9

4шт.

6

154569A1

O-RING

suction tube at auxiliary pump

1шт.

7

892-11010

LOCK WASHER,M10

4шт.

8

862-10025

HEX SOC SCREW,M10 x 25mm, Cl 12.9

4шт.

9

157461A1

HOSE,27.00 mm ID x 370.00 mm

Suction, Auxilary Pump

1шт.

10

157917A1

COLLAR

hose

4шт.

11

157934A1

NIPPLE, LUBE

NIPPLE straight, hose

1шт.

12

157459A1

TUBE

suction, auxiliary pump

1шт.

Выбрано товаров: 0