Запчасти Case 9050 (8-16) - 153315A1 AND 160660A1 EQUIPMENT PUMPS, VALVE SECTION (08) - HYDRAULICS

Схема запчастей Case 9050 - (8-16) - 153315A1 AND 160660A1 EQUIPMENT PUMPS, VALVE SECTION (08) - HYDRAULICS
FIT
1:1
100%

Артикул

Название

Примечание

Количество

153315A1

PUMP, HYDRAULIC

equipment, parts list Figures 8-14 - 8-22, Includes: Ref. 1 - 49, Serial Range: -DAC0500117

1шт.

160660A1

PUMP

equipment, parts list Figures 8-14 - 8-22, Includes: Ref. 1 - 49, Start Serial: DAC0500117

1шт.

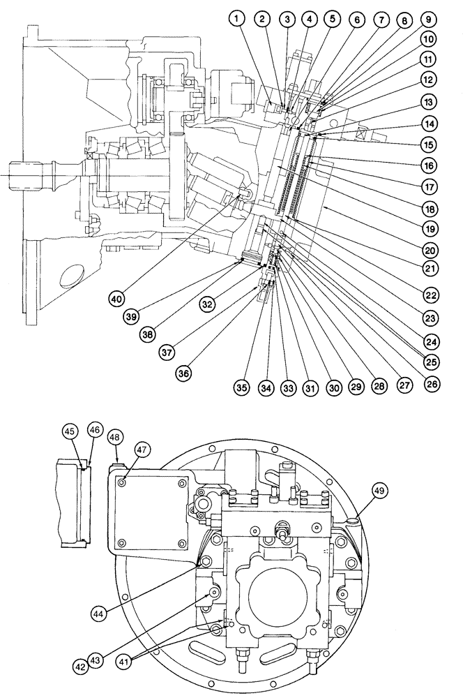
1

NSS

NOT SOLD SEPARAT

PLUG port

2шт.

2

NSS

NOT SOLD SEPARAT

GASKET plug

2шт.

3

NSS

NOT SOLD SEPARAT

PLUG port

2шт.

4

NSS

NOT SOLD SEPARAT

BALL steel

2шт.

5

NSS

NOT SOLD SEPARAT

SEAT ball

2шт.

6

NSS

NOT SOLD SEPARAT

RETAINER piston

2шт.

7

155207A1

O-RING

seal

2шт.

8

NSS

NOT SOLD SEPARAT

O-RING seal

2шт.

9

NSS

NOT SOLD SEPARAT

SHIM washer

6шт.

10

NSS

NOT SOLD SEPARAT

PISTON regulator

2шт.

11

NSS

NOT SOLD SEPARAT

SPRING regulator

2шт.

12

NSS

NOT SOLD SEPARAT

PISTON regulator

2шт.

13

NSS

NOT SOLD SEPARAT

RING regulator

2шт.

14

155191A1

O-RING

seal

2шт.

15

NSS

NOT SOLD SEPARAT

SEAT spring

2шт.

16

NSS

NOT SOLD SEPARAT

SHIM spring tension

4шт.

17

NSS

NOT SOLD SEPARAT

SPRING control, outer

2шт.

18

NSS

NOT SOLD SEPARAT

SPRING control, inner

2шт.

19

NSS

NOT SOLD SEPARAT

PLUNGER control

2шт.

20

NSS

NOT SOLD SEPARAT

BODY control

1шт.

21

NSS

NOT SOLD SEPARAT

SEAT spring

2шт.

22

NSS

NOT SOLD SEPARAT

ROD control

2шт.

23

NSS

NOT SOLD SEPARAT

ROD control assy.

2шт.

24

NSS

NOT SOLD SEPARAT

PIN spring

2шт.

25

NSS

NOT SOLD SEPARAT

SCREW set, hex socket 12 - 1.75 x 16 mm, dog point

4шт.

26

NSS

NOT SOLD SEPARAT

PLUG port

2шт.

27

NSS

NOT SOLD SEPARAT

SPOOL control

2шт.

28

NSS

NOT SOLD SEPARAT

BUSHING control assy.

2шт.

29

NSS

NOT SOLD SEPARAT

SPRING outer

2шт.

30

NSS

NOT SOLD SEPARAT

SEAT spring

2шт.

31

NSS

NOT SOLD SEPARAT

SPRING inner

2шт.

32

154491A1

O-RING

seal

2шт.

33

155086A1

O-RING

seal

2шт.

34

NSS

NOT SOLD SEPARAT

GUIDE spring

2шт.

35

159383A1

SCREW

adjusting

2шт.

36

829-1310

NUT,M10, Cl 10

Hex

2шт.

37

156362A1

CAP

relief

2шт.

38

NSS

NOT SOLD SEPARAT

O-RING seal

2шт.

39

NSS

NOT SOLD SEPARAT

PLUG port

2шт.

40

NSS

NOT SOLD SEPARAT

PIN dowel

2шт.

41

NSS

NOT SOLD SEPARAT

PLUG port

6шт.

42

NSS

NOT SOLD SEPARAT

O-RING port plug

2шт.

43

NSS

NOT SOLD SEPARAT

PLUG port

2шт.

44

NSS

NOT SOLD SEPARAT

BOLT hex socket, 16 - 2.0 x 45 mm, class 12.91

2шт.

45

NSS

NOT SOLD SEPARAT

O-RING cover

1шт.

46

NSS

NOT SOLD SEPARAT

COVER access

1шт.

47

NSS

NOT SOLD SEPARAT

BOLT hex socket, 12 - 1.75 x 25 mm, class 12.9

4шт.

48

NSS

NOT SOLD SEPARAT

PLUG port

1шт.

49

NSS

NOT SOLD SEPARAT

PLUG port

2шт.

Выбрано товаров: 51