Запчасти Case 9050B (2-02) - ENGINE MOUNTING AND ADAPTING PARTS (02) - ENGINE

Схема запчастей Case 9050B - (2-02) - ENGINE MOUNTING AND ADAPTING PARTS (02) - ENGINE
12
2
3
8
16
3
10
16
11
2
4
2
2
15
9
12
9
2
4
17
13
1
13
11
2
7
3
3
14
1
14
13
6
1
13
2
5
2
5
1
FIT
1:1
100%

Артикул

Название

Примечание

Количество

REF

INSTRUCTION

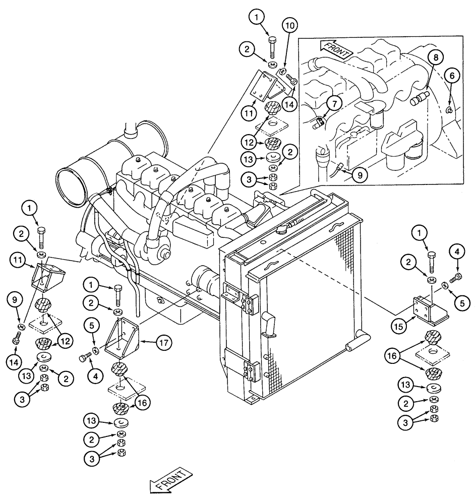
ENGINE ASSEMBLY - excavator see figures 2-12 thru 2-62 and 3-8 thru 3-16

1шт.

1

827-20130

BOLT,Hex, M20 x 2.5 x 130mm, Cl 10.9

- hex, 20 - 2.5 x 130 mm, class 10.9

4шт.

2

150817A1

WASHER,21mm ID x 40mm OD x 4.5mm Thk

flat, special

8шт.

3

829-1420

NUT,M20, Cl 10

8шт.

4

627-14035

BOLT,Hex, M14 x 2 x 35mm, Cl 10.9, Full Thd

hex, full threads 14 - 2.0 x 35 mm, class 10.9

8шт.

5

150418A1

WASHER

flat

8шт.

6

163400A1

SENSOR

SENDER - engine RPM

1шт.

7

153052A1

IGNITION SWITCH

thermostat

1шт.

8

163404A1

SOLENOID

special

1шт.

9

HANDLE - NOT USED

1шт.

10

150811A1

WASHER

flat, special 12 mm

8шт.

11

151207A1

ENGINE MOUNT

BRACKET - engine mounting right-hand front and rear

2шт.

12

150877A1

RUBBER WASHER

INSULATOR - rubber engine mount

4шт.

13

150874A1

WASHER

special engine mount

4шт.

14

627-12035

BOLT,Hex, M12 x 1.75 x 35mm, Cl 10.9, Full Thd

- hex, full threads 12 - 1.75 x 35 mm, class 10.9

8шт.

15

162511A1

SUPPORT

BRACKET - engine mounting, left-hand rear

1шт.

16

150879A1

RUBBER WASHER

INSULATOR - rubber engine mount

4шт.

17

151204A1

ENGINE MOUNT

BRACKET - engine mounting left - hand front

1шт.

Выбрано товаров: 18