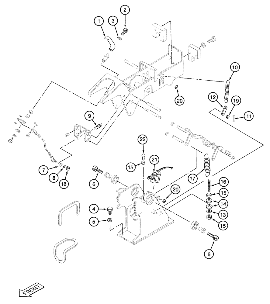
Запчасти Case 9050B (9-028) - LEFT-HAND CONTROL CONSOLE LINKAGE (09) - CHASSIS

Схема запчастей Case 9050B - (9-028) - LEFT-HAND CONTROL CONSOLE LINKAGE (09) - CHASSIS
7
6
14
16
8
6
19
12
20
20
1
4
22
17
15
5
13
18
15
3
11
15
9
10
2
21
FIT
1:1
100%

Артикул

Название

Примечание

Количество

159520A1

CONSOLE

LINKAGE ASSEMBLY - control, right-hand, Includes: Ref. 1 - 20

1шт.

1

159321A1

HANDLE

control

1шт.

2

862-8035

HEX SOC SCREW,M8 x 35mm, Cl 12.9

SCREW - hex socket, 8 - 1.25 x 35 mm, class 12.9

1шт.

3

892-11008

LOCK WASHER,8mm ID

WASHER, LOCK, M8

1шт.

4

627-10016

BOLT,Hex, M10 x 1.5 x 16mm, Cl 10.9, Full Thd

- hex, full threads, 10 - 1.5 x 16 mm, class 10.9

4шт.

5

150409A1

WASHER

flat, special 10.5 x 21 x 3.2 mm

4шт.

6

862-6030

HEX SOC SCREW,M6 x 30mm, Cl 12.9

SCREW - hex socket, 6 - 1.0 x 30 mm, class 12.9

2шт.

7

895-11006

WASHER,6.6mm ID x 12mm OD x 1.6mm Thk

flat, 6.6 x 12.5 x 1.6 mm

1шт.

8

892-11006

LOCK WASHER,M6

WASHER, LOCK, M6

1шт.

9

159594A1

SPRING

latch return

1шт.

10

159524A1

SPRING

counterbalance

1шт.

11

153077A1

COTTER PIN

CLIP - hair pin type

1шт.

12

159316A1

PITMAN

LINK - connecting

1шт.

13

892-11010

LOCK WASHER,M10

1шт.

14

896-11020

WASHER,22mm ID x 37mm OD x 4mm Thk

flat 22 x 37 x 4 mm, hardened

2шт.

16

159315A1

HOOK

ANCHOR - spring, threaded

1шт.

17

159523A1

SPRING

tension

1шт.

18

829-1406

NUT,Hex, M6 x 1, Cl 10.9

1шт.

20

800-436

CIRCLIP,M6

E-RING - external retaining No. 6

2шт.

15

829-1410

NUT,M10 x 1.5, Cl 10.9

2шт.

19

895-11008

WASHER,9mm ID x 16mm OD x 1.6mm Thk

- flat, 9 x 17 x 1.6 mm

1шт.

Выбрано товаров: 21