Запчасти Case 9050B (8-146) - HYDRAULIC PUMP, THROTTLE VALVE, PROPORTIONAL VALVE & CONTROL SPRING ASSY,CONTROL SPRING ASSY (08) - HYDRAULICS

Схема запчастей Case 9050B - (8-146) - HYDRAULIC PUMP, THROTTLE VALVE, PROPORTIONAL VALVE & CONTROL SPRING ASSY,CONTROL SPRING ASSY (08) - HYDRAULICS
24
15
18
6
4
27
1
14
12
15
5
19
12
33
3
8
23
11
17
10
9
28
2
21
26
7
16
32
34
31
20
14
22
25
13
12
30
29
FIT
1:1
100%

Артикул

Название

Примечание

Количество

NSS

NOT SOLD SEPARAT

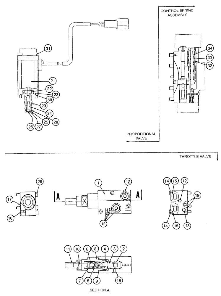
VALVE ASSEMBLY - throttle, Includes: Ref. 1 - 20

1шт.

1

NSS

NOT SOLD SEPARAT

HOUSING - throttle valve

1шт.

2

NSS

NOT SOLD SEPARAT

SLEEVE - valve, throttle

1шт.

3

NSS

NOT SOLD SEPARAT

SPOOL - valve, throttle

1шт.

4

NSS

NOT SOLD SEPARAT

SEAT - spring, throttle valve

1шт.

5

NSS

NOT SOLD SEPARAT

SPRING - compression, throttle valve

1шт.

6

NSS

NOT SOLD SEPARAT

SCREW - valve adjusting, throttle

1шт.

7

155189A1

O-RING

screw, throttle valve

1шт.

8

NSS

NOT SOLD SEPARAT

BODY - valve spring, throttle

1шт.

9

154508A1

O-RING

body, throttle valve

1шт.

10

156202A1

LOCK NUT

adjustment locking, throttle valve

1шт.

11

156362A1

CAP

relief, valve adjustment, throttle

1шт.

12

NSS

NOT SOLD SEPARAT

PLUG - port, throttle valve

5шт.

13

NSS

NOT SOLD SEPARAT

PLUG - port, throttle valve

1шт.

14

NSS

NOT SOLD SEPARAT

PLUG - port, throttle valve

2шт.

15

154467A1

O-RING,10.8mm ID x 2.4mm Width

plug, throttle valve

2шт.

16

NSS

NOT SOLD SEPARAT

PLUG - orifice, throttle valve

1шт.

17

154494A1

O-RING

passage, throttle valve

1шт.

18

154455A1

O-RING

passage, throttle valve

1шт.

19

154454A1

O-RING

passage, throttle valve

2шт.

20

861-6050

HEX SOC SCREW,M6 x 50mm, Cl 12.9

Throttle valve

3шт.

164539A1

VALVE

ASSEMBLY - proportional, Includes: Ref. 21 - 31

1шт.

21

NSS

NOT SOLD SEPARAT

SOLENOID - proportional valve

1шт.

22

NSS

NOT SOLD SEPARAT

BODY - valve, proportional

1шт.

23

155187A1

O-RING

body, proportional valve

1шт.

24

NSS

NOT SOLD SEPARAT

PISTON - valve, proportional

1шт.

25

NSS

NOT SOLD SEPARAT

SPRING - compression, proportional valve

1шт.

26

NSS

NOT SOLD SEPARAT

WASHER - flat, proportional valve

1шт.

27

NSS

NOT SOLD SEPARAT

RING - retaining, propotional valve

1шт.

28

155202A1

O-RING

body, proportional valve

1шт.

29

155203A1

O-RING

body, proportional valve

1шт.

30

155188A1

O-RING

passage, proportional valve

1шт.

31

156203A1

BOLT,Hex Skt

BOLT - hex socket, proportional valve

4шт.

163875A1

SPRING

ASSEMBLY - control, Includes: Ref. 32 - 34

1шт.

32

NSS

NOT SOLD SEPARAT

SPRING - compression, control assembly

2шт.

33

NSS

NOT SOLD SEPARAT

SPRING - compression, control assembly

2шт.

34

NSS

NOT SOLD SEPARAT

SHIM - control spring assembly

4шт.

Выбрано товаров: 37