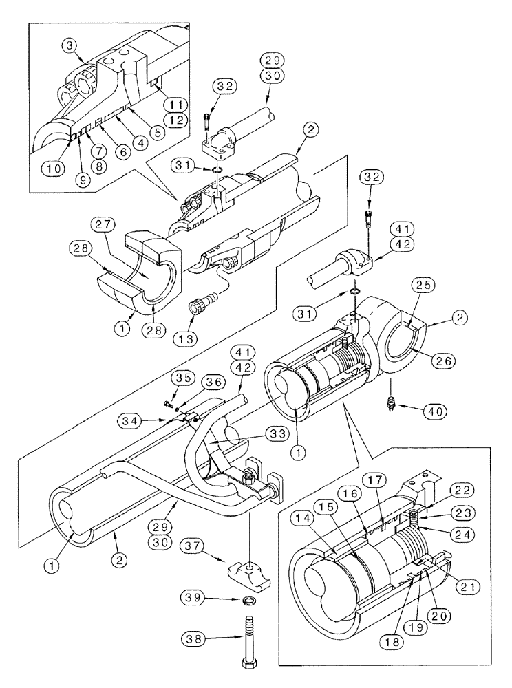
Запчасти Case 9050B (8-160) - CONTROL VALVE, HOUSINGS AND MISCELLANEOUS COMPONENTS (08) - HYDRAULICS

Схема запчастей Case 9050B - (8-160) - CONTROL VALVE, HOUSINGS AND MISCELLANEOUS COMPONENTS (08) - HYDRAULICS
39
31
29
41
7
28
20
31
32
23
24
10
26
34
35
16
22
6
2
21
25
8
15
1
3
40
38
42
1
4
28
2
12
2
33
14
36
18
29
30
9
42
5
13
11
27
32
37
19
1
17
30
41
FIT
1:1
100%

Артикул

Название

Примечание

Количество

165619A1

VALVE

ASSEMBLY - control, continued

1шт.

1

NSS

NOT SOLD SEPARAT

HOUSING - valve, right-hand

1шт.

2

NSS

NOT SOLD SEPARAT

HOUSING - valve, left-hand

1шт.

3

154569A1

O-RING

housing

1шт.

4

159972A1

O-RING

housing

8шт.

5

154475A1

O-RING

housing

4шт.

6

156169A1

BOLT

hex socket

4шт.

7

863-16130

BOLT - hex socket 1 6 - 2.0 x 1 30 mm, class 12.9

4шт.

8

156170A1

WASHER

special

8шт.

Выбрано товаров: 0